电脑桌面
添加小米粒文库到电脑桌面
安装后可以在桌面快捷访问

辽宁省高一化学下学期期中试题-人教版高一全册化学试题VIP免费

辽宁省高一化学下学期期中试题-人教版高一全册化学试题_第1页
1/10
辽宁省高一化学下学期期中试题-人教版高一全册化学试题_第2页
2/10
辽宁省高一化学下学期期中试题-人教版高一全册化学试题_第3页
3/10
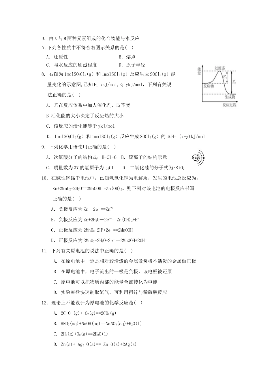
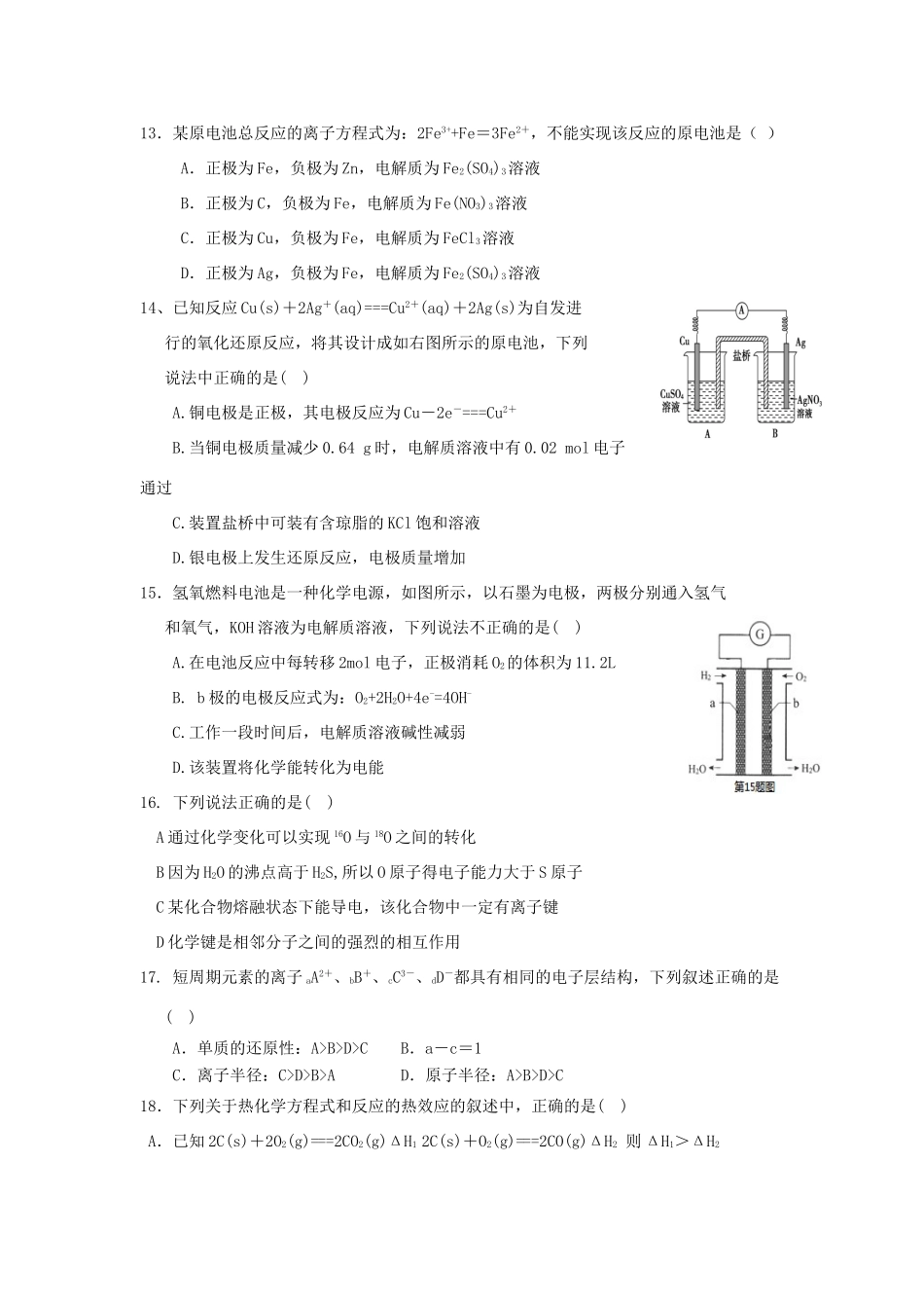
辽宁省2016-2017学年高一化学下学期期中试题可能用到的相对原子质量H1;C12;N14;O16;Cl35.5;S32Cu64一、选择题(每题只有一个选项,1-15每题2分,16-23每题3分,共54分)1.下列关于节能与可再生能源表述不正确的是()A.“低碳”意指更低的二氧化碳气体的排放B.太阳能、水能、风能都属于可再生能源C.太阳能电池的工作原理是光能与化学能的转换D.利用燃气轮机进行天然气发电不属于可再生能源利用2.下列反应既属于氧化还原反应,又是吸热反应的是()A.锌粒与稀硫酸的反应B.灼热的木炭与CO2反应C.甲烷在氧气中的燃烧反应D.钠与水反应3.元素周期表和元素周期律可以指导人们进行规律性的推测和判断,下列说法不合理的是()A.若X+和Y2-的核外电子层结构相同,则原子序数:X>YB.卤族元素的最高正化合价等于其主族序数C.元素周期表中从ⅢB族到ⅡB族十个纵列的元素都是金属元素D.Cs和Ba分别位于第六周期IA和IIA族,碱性:CsOH>Ba(OH)24.某短周期非金属元素R的原子核外最外层电子数是次外层电子数的一半,下列有关该元素的说法中正确的是()A.H2RO3的酸性大于H2CO3的酸性B.最高价氧化物不与任何酸反应C.单质常用作半导体材料和光导纤维D.在自然界中仅以化合态形式存在5.氕化锂(LiH)、氘化锂(LiD)、氚化锂(LiT)在一定条件下都可产生极高的能量,被广泛应用在火箭推进剂和核反应中,下列有关说法中正确的是()A.LiH、LiD、LiT互为同素异形体B.LiH、LiD、LiT中氢元素的化合价均为+1C.H、D、T互为同位素D.H、D、T的物理性质与化学性质都相同6.右图是部分短周期元素原子半径与原子序数的关系如图,则下列说法正确的是()A.Z、N两种元素形成的化合物熔融状态下可以导电B.X、N两种元素的气态氢化物的沸点相比,前者较低C.Z的氧化物能分别溶解于Y的氢氧化物和N的氢化物的水溶液中D.由X与M两种元素组成的化合物能与水反应7.下列各性质中不符合右图示关系的是()A.还原性B.熔点C.与水反应的剧烈程度D.原子半径8.右图为1molSO2Cl2(g)和1molSCl2(g)反应生成SOCl2(g)能量变化的示意图,已知E1=xkJ/mol,E2=ykJ/mol,下列有关说法正确的是()A.若在反应体系中加人催化剂,E1不变B活化能的大小决定了反应热的大小C.该反应的活化能等于ykJ/molD.1molSO2Cl2(g)和1molSCl2(g)反应生成SOCl2(g)的ΔH=(x-y)kJ/mol9.下列化学用语使用正确的是()A.次氯酸分子的结构式:H-Cl-OB.硫离子的结构示意C.质量数为37的氯原子为:37CID.二氧化硅的分子式为:SiO210.在碱性锌锰干电池中,已知氢氧化钾为电解质,发生的电池总反应为:Zn+2MnO2+2H2O==2MnOOH+Zn(OH)2。则下列对该电池的电极反应书写正确的是()A.负极反应为Zn-2e-==Zn2+B.负极反应为Zn+2H2O-2e-==Zn(OH)2+H+C.正极反应为2MnO2+2H++2e-==2MnOOHD.正极反应为2MnO2+2H2O+2e-==2MnOOH+2OH-11.下列有关原电池的说法中正确的是()A.在原电池中一定是相对较活泼的金属做负极不活泼的金属做正极B.在原电池中,电子流出的一极是负极,该电极被还原C.原电池可以把物质内部的能量全部转化为电能D.实验室欲快速制取氢气,可利用粗锌与稀硫酸反应12.理论上不能设计为原电池的化学反应是()A.2CO(g)+O2(g)==2CO2(g)B.HNO3(aq)+NaOH(aq)==NaNO3(aq)+H2O(l)C.2H2(g)+O2(g)==2H2O(l)D.Zn(s)+Ag2O(s)==ZnO(s)+2Ag(s)13.某原电池总反应的离子方程式为:2Fe3++Fe=3Fe2+,不能实现该反应的原电池是()A.正极为Fe,负极为Zn,电解质为Fe2(SO4)3溶液B.正极为C,负极为Fe,电解质为Fe(NO3)3溶液C.正极为Cu,负极为Fe,电解质为FeCl3溶液D.正极为Ag,负极为Fe,电解质为Fe2(SO4)3溶液14、已知反应Cu(s)+2Ag+(aq)===Cu2+(aq)+2Ag(s)为自发进行的氧化还原反应,将其设计成如右图所示的原电池,下列说法中正确的是()A.铜电极是正极,其电极反应为Cu-2e-===Cu2+B.当铜电极质量减少0.64g时,电解质溶液中有0.02mol电子通过C.装置盐桥中可装有含琼脂的KCl饱和溶液D.银电极上发生还原反应,电极质量增加15.氢氧燃料电池是一种化学电源,如图所示,以石墨为电极,两极分别通入氢气和氧气,KOH溶液为电解质溶液,下列说法不正确的是()A.在电池反...

1、当您付费下载文档后,您只拥有了使用权限,并不意味着购买了版权,文档只能用于自身使用,不得用于其他商业用途(如 [转卖]进行直接盈利或[编辑后售卖]进行间接盈利)。
2、本站所有内容均由合作方或网友上传,本站不对文档的完整性、权威性及其观点立场正确性做任何保证或承诺!文档内容仅供研究参考,付费前请自行鉴别。
3、如文档内容存在违规,或者侵犯商业秘密、侵犯著作权等,请点击“违规举报”。

碎片内容

辽宁省高一化学下学期期中试题-人教版高一全册化学试题

您可能关注的文档

确认删除?
VIP
微信客服
  • 扫码咨询
会员Q群
  • 会员专属群点击这里加入QQ群
客服邮箱
回到顶部