电脑桌面
添加小米粒文库到电脑桌面
安装后可以在桌面快捷访问

梁模板支撑体系VIP免费

梁模板支撑体系_第1页
1/11
梁模板支撑体系_第2页
2/11
梁模板支撑体系_第3页
3/11
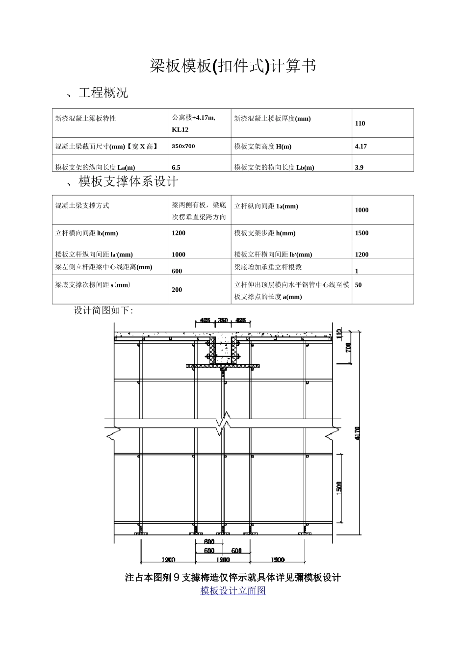
梁模板支撑体系梁板模板(扣件式)计算书、工程概况新浇混凝土梁板特性公寓楼+4.17m,KL12新浇混凝土楼板厚度(mm)110混凝土梁截面尺寸(mm)【宽X高】350X700模板支架高度H(m)4.17模板支架的纵向长度La(m)6.5模板支架的横向长度Lb(m)3.9、模板支撑体系设计混凝土梁支撑方式梁两侧有板,梁底次楞垂直梁跨方向立杆纵向间距1a(mm)1000立杆横向间距lb(mm)1200模板支架步距h(mm)1500楼板立杆纵向间距la'(mm)1000楼板立杆横向间距lb'(mm)1200梁左侧立杆距梁中心线距离(mm)600梁底增加承重立杆根数1梁底支撑次楞间距s(mm)200立杆伸出顶层横向水平钢管中心线至模板支撑点的长度a(mm)50设计简图如下:注占本图剜9支據梅造仅悴示就具体详见彌模板设计模板设计立面图三、荷载设计模板及支架自重标准值模板(kN/m2)0.3次楞(kN/m)0.01主楞(kN/m)0.038支架(kN/m)0.15梁侧模板自重标准值(kN/m2)0.5新浇筑混凝土自重标准值(kN/m3)24钢筋自重标准值(kN/m3)梁1.5板1.1施工人员及设备荷载标准值(kN/m2)1振捣混凝土时产生的荷载标准值(kN/m2)2风荷载标准值wk(kN/基本风压®0(kN/m2)重现期50年一遇0.450.163城市轮台县风荷载高度变化系数惣地面粗糙度D类0.6210.046kN/10.046kN/10.046kN/mm2)模板支架顶部离建筑物地面的高度(m)10风荷载体型系数卩s支架模板支架状况敞开式0.837风荷载作用方向沿模板支架横向作用与风荷载在同面内的计算单元立杆数n70模板10.195四、模板验算模板验算方式三等跨连续梁模板类型胶合板模板厚度(mm)15模板抗弯强度设计值fm(N/mm2)15模板抗剪强度设计值fv(N/mm2)1.4模板弹性模量E(N/mm2)6000计算简图如下:UIIIIIII]]]]]]]]]]]]]]200.■-200200W=bh2/6=350x152/6=13125mm3,I=bh3/12=350x153/12=98437・5mm4q=YG^qGk+1.4EqQk=1・35x[0・3+(24+1.5)x0・7]x0.35+1・4x(1+2)x0.35=10・046kN/m1、抗弯验算Mmax=°・1ql2=0・1x10.046x0.22=0・04kN・m°max=Mmax/W=0.04x106/13125=3・062N/mm21>1>1>1fTTTTTTTTTTTTTTTTTTTTTT[1]2⑵2辭⑶4⑷賤425175175425次楞弯矩图(kN・m)Mmax=O・109kN・m°max=Mmax/W=0.109x106/64000=1・697N/mm2Sfm=13N/mm2符合要求!2、抗剪验算0.414kN0.414kN1、强度验算1.336次楞剪力图(kN)Q=1.336kNmaxTmax=3Qmax/(2bh0)=3x1.336x1000/(2x60x80)=0・418N/mm2Tmax=0•虹驭血血弐二1・3N/mm2符合要求!3、挠度验算次楞变形图(mm)Vmax=0.°39mmS[v|=min[I/150,10]=min[600/150,10]=4mm符合要求!4、支座反力R]=0・09*凡巴=2・673*%出=0・09kN六、主楞验算主楞验算方式二等跨连续梁主楞材质类型钢管主楞材料规格(mm)①48x3.5主楞材料自重(kN/m)0.038主楞截面面积(mm2)489主楞抗弯强度设计值Fm(N/mm2)205主楞抗剪强度设计值fv(N/mm2)125主楞截面抵抗矩W(cm3)5.08主楞截面惯性矩I(cm4)12.19主楞弹性模量E(N/mm2)206000共同作用...

1、当您付费下载文档后,您只拥有了使用权限,并不意味着购买了版权,文档只能用于自身使用,不得用于其他商业用途(如 [转卖]进行直接盈利或[编辑后售卖]进行间接盈利)。
2、本站所有内容均由合作方或网友上传,本站不对文档的完整性、权威性及其观点立场正确性做任何保证或承诺!文档内容仅供研究参考,付费前请自行鉴别。
3、如文档内容存在违规,或者侵犯商业秘密、侵犯著作权等,请点击“违规举报”。

碎片内容

梁模板支撑体系

您可能关注的文档

确认删除?
VIP
微信客服
  • 扫码咨询
会员Q群
  • 会员专属群点击这里加入QQ群
客服邮箱
回到顶部