电脑桌面
添加小米粒文库到电脑桌面
安装后可以在桌面快捷访问

倒锚施工方案VIP专享VIP免费

倒锚施工方案_第1页
1/4
倒锚施工方案_第2页
2/4
倒锚施工方案_第3页
3/4
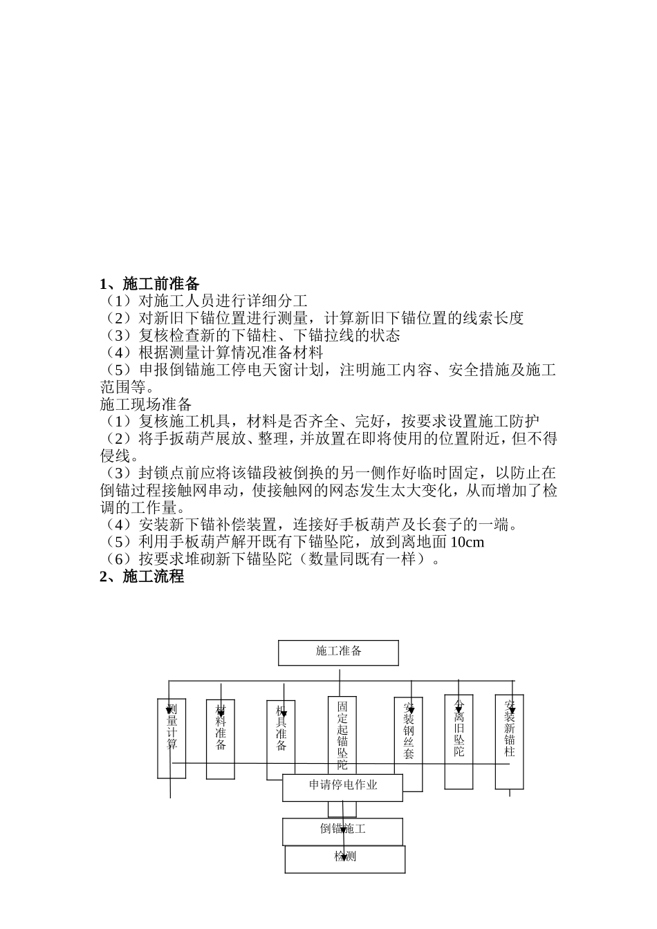
南化站倒锚施工方案1、施工前准备..................................................................................12、施工流程......................................................................................23、倒锚施工......................................................................................34、工具设备......................................................................................45、质量控制......................................................................................46、安全控制......................................................................................57、应急预案......................................................................................51、施工前准备(1)对施工人员进行详细分工(2)对新旧下锚位置进行测量,计算新旧下锚位置的线索长度(3)复核检查新的下锚柱、下锚拉线的状态(4)根据测量计算情况准备材料(5)申报倒锚施工停电天窗计划,注明施工内容、安全措施及施工范围等。施工现场准备(1)复核施工机具,材料是否齐全、完好,按要求设置施工防护(2)将手扳葫芦展放、整理,并放置在即将使用的位置附近,但不得侵线。(3)封锁点前应将该锚段被倒换的另一侧作好临时固定,以防止在倒锚过程接触网串动,使接触网的网态发生太大变化,从而增加了检调的工作量。(4)安装新下锚补偿装置,连接好手板葫芦及长套子的一端。(5)利用手板葫芦解开既有下锚坠陀,放到离地面10cm(6)按要求堆砌新下锚坠陀(数量同既有一样)。2、施工流程测量计算材料准备机具准备固定起锚坠陀安装钢丝套分离旧坠陀安装新锚柱申请停电作业倒锚施工检测施工准备3、倒锚施工2015年5月6日南化站施工分配单施工作业时间:16:00-17:30(接触网停电有效作业时间70分钟左右)施工负责人:贾树鹏负责指挥将渡1锚段7#全补偿下锚改锚至新组立L5#锚柱。作业流程:①天窗点前将线路外侧不需要接触网停电的L5#支柱下锚装置安装到位,补偿及坠砣安装到位;并将加长段钢绞线拉至7#支柱,做好对接准备;②封锁停电后16:20-16:50将承力索改锚对接到位;③封锁停电后16:50-17:20将接触线改锚对接到位;④封锁停电后17:20-17:30胡二勇带1个作业组复核调整9号道岔接触网参数。⑤封锁停电后16:20-17:15杨晓波负责轨道车组立L9#、L4#支柱;⑥17:30在现场施工完毕确认无误后,驻站联络员高晓东负责消令开通。4、工具设备序号机具名称规格单位数量备注1梯车台12手板葫芦3T套13紧线器套24钢丝套子副若干5断线钳900mm把26水平尺600mm把27棕绳Φ18米208铁线Φ4.0kg若干5、质量控制(1)接触网金具、零部件和材料质量均符合ISO9000产品标准的有关规定。(2)安装符合设计要求和铁路电力牵引供电施工规范及有关规定6、安全控制(1)施工安装中严格执行铁路电力牵引供电施工技术安全规则以及消除作业命令清理现场填写施工记录铁道部既有线施工安全规定(2)施工前,施工负责人必须进行技术,安全交底。施工全过程必须统一指挥,严格纪律,通信联络必须畅通,清晰。(3)施工前对各种张力工具、安全带等作好检查,看是否有损坏,严禁使用过期、超期和未经试验的产品。(4)严格执行既有线停电作业程序。(5)进入施工现场人员,必须佩带上岗证,穿防护服、戴安全帽。(6)施工前一切准备工作,操作动作必须轻拿轻放,不能改变既有网态。(7)严禁工具、材料短接钢轨,施工中严禁抛掷机料具。7、应急预案(1)当施工天窗时间不足时,应根据作业时间安排倒锚施工,时间不满足时,先保证承力索倒锚,保证天窗点结束后不得影响行车组织;(2)当出现紧线器滑脱意外时,应立即通知车站,封锁线路,组织人员立即抢险,保证现场行车组织。

1、当您付费下载文档后,您只拥有了使用权限,并不意味着购买了版权,文档只能用于自身使用,不得用于其他商业用途(如 [转卖]进行直接盈利或[编辑后售卖]进行间接盈利)。
2、本站所有内容均由合作方或网友上传,本站不对文档的完整性、权威性及其观点立场正确性做任何保证或承诺!文档内容仅供研究参考,付费前请自行鉴别。
3、如文档内容存在违规,或者侵犯商业秘密、侵犯著作权等,请点击“违规举报”。

碎片内容

倒锚施工方案

确认删除?
VIP
微信客服
  • 扫码咨询
会员Q群
  • 会员专属群点击这里加入QQ群
客服邮箱
回到顶部