电脑桌面
添加小米粒文库到电脑桌面
安装后可以在桌面快捷访问

1.现场管理类隐患排查治理清单(作业活动)VIP免费

1.现场管理类隐患排查治理清单(作业活动)_第1页
1/17
1.现场管理类隐患排查治理清单(作业活动)_第2页
2/17
1.现场管理类隐患排查治理清单(作业活动)_第3页
3/17
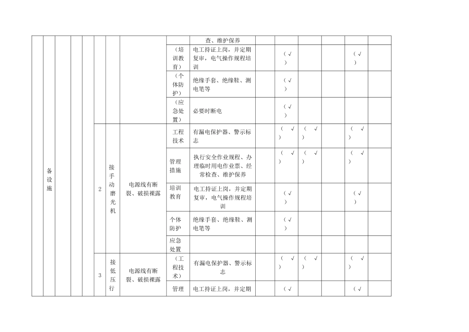
现场管理类隐患排查治理清单风险点排查内容与排查标准日常检查专业性检查综合性检查编号类型名称风险点等级责任人作业步骤(检查项目)危险源或潜在事件管控措施排查周期/组织级别:每天/岗位级排查周期/组织级别:作业时/安全员排查周期/组织级别:作业时/安全员及站长序号名称31作业活动或设备设施动火作业4安全员1作业前准备检修的设备、管线清洗置换不合格、检修的设备、管线不与外界隔绝、动火作业周围地沟、窨井没封堵、易燃杂物没清理、监护人不到位消防器材不到位、作业票证手续不全、(工程技术)消防设施、危害告知牌、警示标志(√)(√)(√)(管理措施)按规定办理作业票证、逐项东客确认票证内容,(√)(√)(√)(培训教育)作业人员定期培训,持证上岗,并定期复审(√)(√)(个安全帽、防护服、绝缘(√体防护)鞋、防护手套、防护面罩)(应急处置)2作业过程中焊接把线、电焊把子漏电、不正确接电焊机或不按规定接地线、焊接时焊烟大、超标、焊渣飞溅、焊光强烈、气割焊花飞溅、氧气瓶、乙炔瓶与动火点之间的距离小于10米、违章指挥防护用品穿戴不全(工程技术)消防设施、危害告知牌、警示标志(√)(√)(√)(管理措施)按规定办理作业票证、逐项东客确认票证内容,(√)(√)(√)(培训教育)作业人员定期培训,持证上岗,并定期复审(√)(√)(个体防护)安全帽、防护服、绝缘鞋、防护手套、防护面罩2(√)(应急处置)32作业活动或设临时用电4安全员1接电焊机电源线有断裂、破损裸露(工程技术)设置漏电保护器、安全警示标志(√)(√)(√)(管理措施)专业电工操作,执行安全作业规程、办理临时用电作业票、经常检(√)(√)(√)备设施查、维护保养(培训教育)电工持证上岗,并定期复审,电气操作规程培训(√)(√)(个体防护)绝缘手套、绝缘鞋、测电笔等(√)(应急处置)必要时断电(√)2接手动磨光机电源线有断裂、破损裸露工程技术有漏电保护器、警示标志(√)(√)(√)管理措施执行安全作业规程、办理临时用电作业票、经常检查、维护保养(√)(√)(√)培训教育电工持证上岗,并定期复审,电气操作规程培训(√)(√)个体防护绝缘手套、绝缘鞋、测电笔等(√)应急处置3接低压行电源线有断裂、破损裸露(工程技术)有漏电保护器、警示标志(√)(√)(√)管理电工持证上岗,并定期(√(√灯措施复审,电气操作规程培训))培训教育个体防护绝缘手套、绝缘鞋、测电笔等(√)应急处置33作业活动或设备设施高处作业4安全员1施工前准备不办理现场作业票,违章作业脚手架不牢固或不按规定搭设工程技术扎好脚手架、设置安全网、危害告知牌(√)(√)(√)管理措施按规定办理作业票证,配备安全带、安全帽、违者,进行经济处罚(√)(√)(√)(培训教育)作业人员取得高处作业证,并定期复审(√)(√)(个体防护)(应急处置)2施工过程中高空作业不系安全带、不戴安全帽在梯子上作业,梯子没有人扶平台、梯子滑(工程技术)危害告知牌(√)(√)(√)(管理措施)按公司安全管理规定要求,作业时穿戴好防护用品,违者禁止作业,配备监护人(√)(√)(√)及脚下踏空滑落作业时不穿工作鞋、不戴手套,不按规定(培训教育)(个体防护)安全带、安全帽、防护网(√)(√)(应急处置)34作业活动或设备设施抽堵盲板作业4安全员1办理抽堵盲板安全作业票有毒物质进入作业生产设备、管道内,可能引起中毒(工程技术)(管理措施)生产车间必须办理抽堵盲板安全作业票,相关人员对作业票证内容逐项确认(√)(√)(培训教育)安全操作规程培训,票证内容培训(√)(√)(个体防护)防护服、防护鞋、防毒面罩(√)(应急处置)2堵盲板作检查不细,遗漏或确定错误。(工程技术)配备盲板做好编号(√)(√)(管车间认真检查、核对(√(√业前准备工作理措施)))(培训教育)安全操作规程培训,票证内容培训(√)(√)(个体防护)防护服、防护鞋、防毒面罩(√)(应急处置)3堵盲板作业安装错误、盲板选用不当或安装不到位,引发事故(工程技术)盲板处挂牌(√)(√)(管理...

1、当您付费下载文档后,您只拥有了使用权限,并不意味着购买了版权,文档只能用于自身使用,不得用于其他商业用途(如 [转卖]进行直接盈利或[编辑后售卖]进行间接盈利)。
2、本站所有内容均由合作方或网友上传,本站不对文档的完整性、权威性及其观点立场正确性做任何保证或承诺!文档内容仅供研究参考,付费前请自行鉴别。
3、如文档内容存在违规,或者侵犯商业秘密、侵犯著作权等,请点击“违规举报”。

碎片内容

1.现场管理类隐患排查治理清单(作业活动)

您可能关注的文档

确认删除?
VIP
微信客服
  • 扫码咨询
会员Q群
  • 会员专属群点击这里加入QQ群
客服邮箱
回到顶部