电脑桌面
添加小米粒文库到电脑桌面
安装后可以在桌面快捷访问

中央空调系统方案设计及工程投标VIP免费

中央空调系统方案设计及工程投标_第1页
1/31
中央空调系统方案设计及工程投标_第2页
2/31
中央空调系统方案设计及工程投标_第3页
3/31
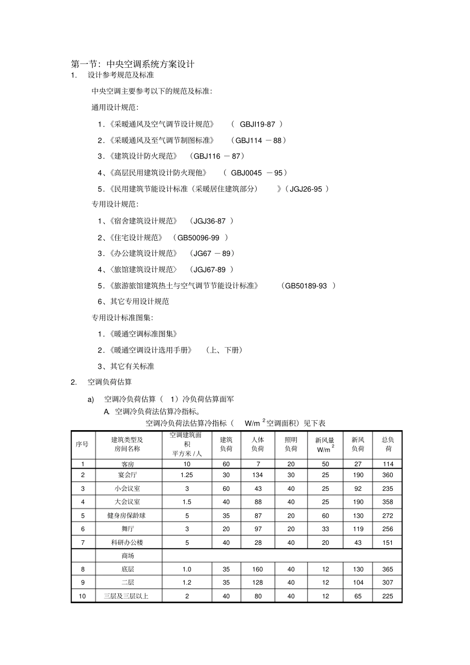
第一节:中央空调系统方案设计1.设计参考规范及标准中央空调主要参考以下的规范及标准:通用设计规范:1.《采暧通风及空气调节设计规范》(GBJI19-87)2.《采暖通风及至气调节制图标准》(GBJ114-88)3.《建筑设计防火现范》(GBJ116-87)4、《高层民用建筑设计防火现他》(GBJ0045-95)5.《民用建筑节能设计标准(采暖居住建筑部分)》(JGJ26-95)专用设计规范:1、《宿舍建筑设计规范》(JGJ36-87)2、《住宅设计规范》(GB50096-99)3.《办公建筑设计规范》(JG67-89)4、〈旅馆建筑设计规范〉(JGJ67-89)5.《旅游旅馆建筑热土与空气调节节能设计标准》(GB50189-93)6、其它专用设计规范专用设计标准图集:1.《暖通空调标准图集》2.《暖通空调设计选用手册》(上、下册)3、其它有关标准2.空调负荷估算a)空调冷负荷估算(1)冷负荷估算面军A.空调冷负荷法估算冷指标。空调冷负荷法估算冷指标(W/m2空调面积)见下表序号建筑类型及房间名称空调建筑面积平方米/人建筑负荷人体负荷照明负荷新风量W/m2新风负荷总负荷1客房106072050271142宴会厅1.253013430251903603小会议室360434025922354大会议室1.5408840251903585健身房保龄球5358720601302726舞厅3209720331192567科研办公楼54028402043151商场8底层1.03516040121303659二层1.235128401210430710三层及三层以上24080401265225图书馆11阅览室105014302527121展览厅12陈列室45831202568177会堂13报告厅23558402513626914公寓住宅107014205054158硬剧院15观众厅0.53022815817444716休息厅27064204021637017化妆室44035502055180体育馆18比赛馆2.5356540156520519休息厅57027.520408620320贵宾厅85817305068173医院21高级病房11022一般手术室15023洁净手术室3002425X光CTB超15025餐馆300注:本表为最大负荷,在求建筑总冷负荷时,应考虑空调房间同时使用系数0.7-0.9B:按建筑面积冷指标进行估算建筑面积冷指标建筑名称冷负荷指标W/m22建筑面积建筑名称冷负荷指标W/m2建筑面积旅馆80-90体育馆100-135200-350(按人员座位数)办公楼85-100图书馆35-40计算机房190-380医院80-90数据处理320-400商店105-125营业厅设空调时,200-250按营业厅面积剧院126-160200-300(按观众厅面积)会堂180-225注:l、上述指标为总建筑面积的冷负荷指标:建筑面积的总建筑面积小于5000平米时,取上限;大于l0000平米,取下限值。2、按上述指标确定的冷负荷,即是制冷机的容量,不必再加系数。3、由于地区差异较大,上述指标以北京地区为准。南方地区可按上限采取。热负荷估算(l)按建筑面积热指标进行估算注:总建筑面积、大外围结构热工性能好、窗户面积小,采用较小的指标;反之采用较大的指标。(2)窗墙比公式法:q=(7a+1.7)W/F(tn-tw)W/m2;说明:q—建筑物的供热指标,W/m22。a—外窗面积与外墙面积(包括窗之比);W一外墙总面积(包括窗),m22F一总建筑面积,m2tn一室内供暖设计温度,℃tw一室外供暖设计温度,℃(3)冷热负荷说明A.以上估算的冷热负荷指标,是按2000年10月1日以前执行的《民用建筑节能设计标准》进行估算的。B.新的《民用建筑节能设计标准》,自2000年10月1实施执行,其冷热负荷指标,应参照有关的标准。3.机组选型机组选型步骤:A.估算或计算冷负荷通过3.2.2节的估算法进行估算总冷负荷,或通过有关的负荷计算法进行计算。B.估算或计算热负荷通过3.2.2节的估算法进行估算总热负荷,或通过有关的负荷计算法进行计算。C.初定机组型号根据总冷负荷,初次选定机组型号及台数D、确定机组型号根据总热负荷,校核初定的机组型号及台数。并确定机组型号。4.机组选型案例例:建筑情况:北京市某办公楼建筑面积为11000m22,空调面积为10000m2其中大会议室面积500m2,小会议室面积为1500m2,办公楼建筑面积为8000m2含有新风。A.计算冷负荷。a.按空调冷负荷法估算:大会议室500x358=179000W=179Kw小会议室:1500X235=352500=352.5kw办公区:7000X151=1057000=1057kw合计:358十235+1208=1588.5KW选主机时负荷:1588.5X0.70=1112kwb.按建筑面积法估算:11000X98=1212000W=1078kWc.由1)、2)计算结果,冷负...

1、当您付费下载文档后,您只拥有了使用权限,并不意味着购买了版权,文档只能用于自身使用,不得用于其他商业用途(如 [转卖]进行直接盈利或[编辑后售卖]进行间接盈利)。
2、本站所有内容均由合作方或网友上传,本站不对文档的完整性、权威性及其观点立场正确性做任何保证或承诺!文档内容仅供研究参考,付费前请自行鉴别。
3、如文档内容存在违规,或者侵犯商业秘密、侵犯著作权等,请点击“违规举报”。

碎片内容

中央空调系统方案设计及工程投标

文库当当响+ 关注
实名认证
内容提供者

该用户很懒,什么也没介绍

确认删除?
VIP
微信客服
  • 扫码咨询
会员Q群
  • 会员专属群点击这里加入QQ群
客服邮箱
回到顶部