电脑桌面
添加小米粒文库到电脑桌面
安装后可以在桌面快捷访问

C型钢产品合格证VIP免费

C型钢产品合格证_第1页
1/4
C型钢产品合格证_第2页
2/4
C型钢产品合格证_第3页
3/4
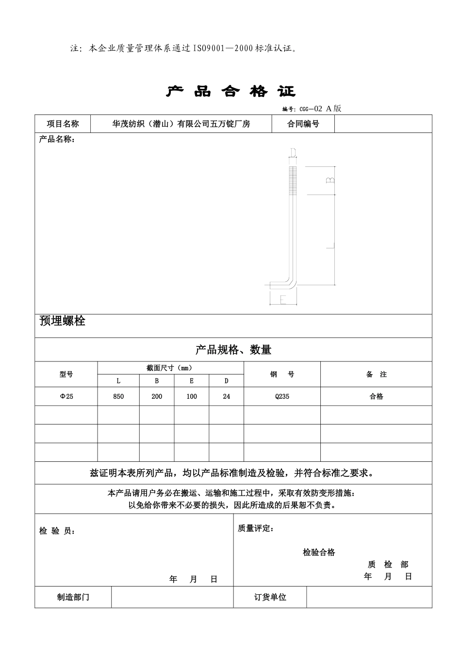
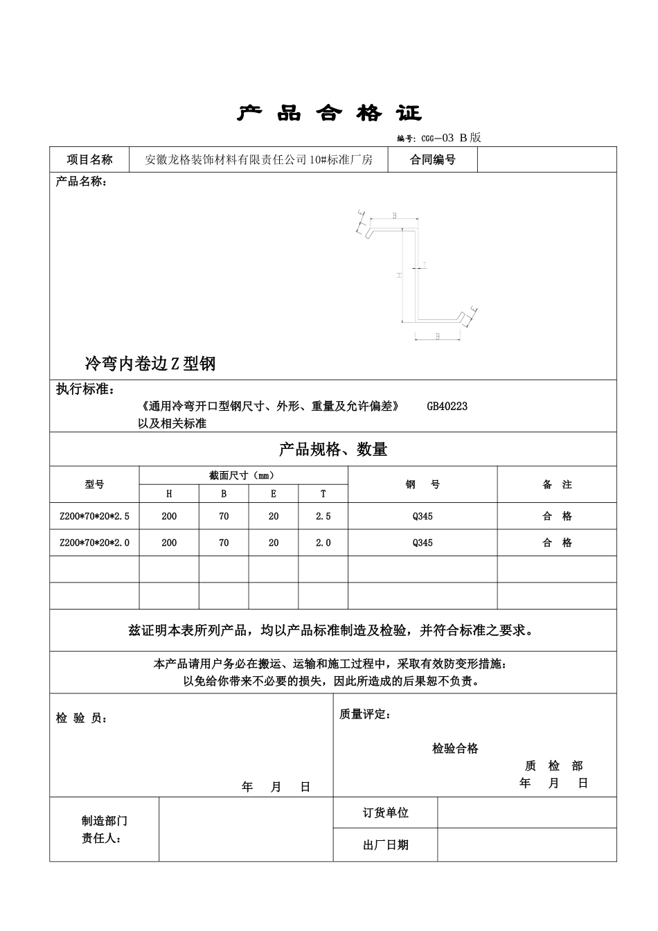
产品合格证编号:CGG—02A版项目名称安徽龙格装饰材料有限责任公司10#标准厂房合同编号产品名称:冷弯内卷边槽钢(C型)执行标准:《通用冷弯开口型钢尺寸、外形、重量及允许偏差》GB40223以及相关标准产品规格、数量型号截面尺寸(mm)钢号备注HBETC180*70*20*2.218070202.2Q235合格兹证明本表所列产品,均以产品标准制造及检验,并符合标准之要求。本产品请用户务必在搬运、运输和施工过程中,采取有效防变形措施:以免给你带来不必要的损失,因此所造成的后果恕不负责。检验员:年月日质量评定:检验合格质检部年月日制造部门责任人:订货单位出厂日期注:本企业质量管理体系通过ISO9001—2000标准认证。产品合格证编号:CGG—03B版项目名称安徽龙格装饰材料有限责任公司10#标准厂房合同编号产品名称:冷弯内卷边Z型钢执行标准:《通用冷弯开口型钢尺寸、外形、重量及允许偏差》GB40223以及相关标准产品规格、数量型号截面尺寸(mm)钢号备注HBETZ200*70*20*2.520070202.5Q345合格Z200*70*20*2.020070202.0Q345合格兹证明本表所列产品,均以产品标准制造及检验,并符合标准之要求。本产品请用户务必在搬运、运输和施工过程中,采取有效防变形措施:以免给你带来不必要的损失,因此所造成的后果恕不负责。检验员:年月日质量评定:检验合格质检部年月日制造部门责任人:订货单位出厂日期注:本企业质量管理体系通过ISO9001—2000标准认证。产品合格证编号:CGG—02A版项目名称华茂纺织(潜山)有限公司五万锭厂房合同编号产品名称:预埋螺栓产品规格、数量型号截面尺寸(mm)钢号备注LBEDΦ2585020010024Q235合格兹证明本表所列产品,均以产品标准制造及检验,并符合标准之要求。本产品请用户务必在搬运、运输和施工过程中,采取有效防变形措施:以免给你带来不必要的损失,因此所造成的后果恕不负责。检验员:年月日质量评定:检验合格质检部年月日制造部门订货单位责任人:出厂日期注:本企业质量管理体系通过ISO9001—2000标准认证。

1、当您付费下载文档后,您只拥有了使用权限,并不意味着购买了版权,文档只能用于自身使用,不得用于其他商业用途(如 [转卖]进行直接盈利或[编辑后售卖]进行间接盈利)。
2、本站所有内容均由合作方或网友上传,本站不对文档的完整性、权威性及其观点立场正确性做任何保证或承诺!文档内容仅供研究参考,付费前请自行鉴别。
3、如文档内容存在违规,或者侵犯商业秘密、侵犯著作权等,请点击“违规举报”。

碎片内容

C型钢产品合格证

您可能关注的文档

确认删除?
VIP
微信客服
  • 扫码咨询
会员Q群
  • 会员专属群点击这里加入QQ群
客服邮箱
回到顶部