电脑桌面
添加小米粒文库到电脑桌面
安装后可以在桌面快捷访问

A3保险盒中各保险丝位置图VIP免费

A3保险盒中各保险丝位置图_第1页
1/3
A3保险盒中各保险丝位置图_第2页
2/3
A3保险盒中各保险丝位置图_第3页
3/3
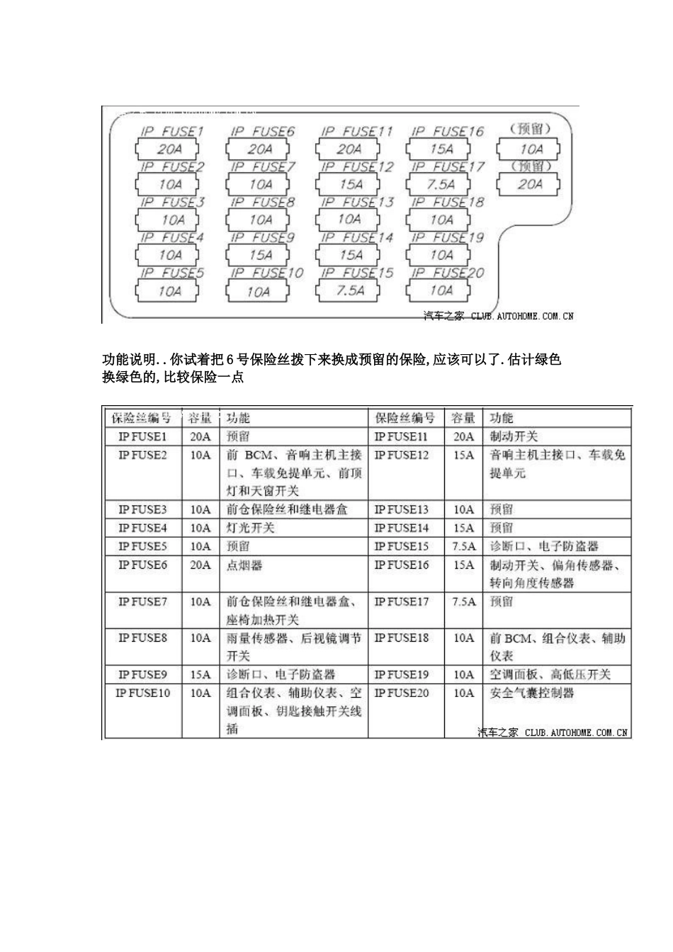
QCGUH-J8FF6-33WGA-UBY62奇瑞A3保险盒各保险丝定义在方向盘下面左手边的面板,两个螺丝拆下来就可以看到保险丝盒了.借用我贴里的图片.B区拆下就可以看到保险丝盒.好拆.保险丝盒的外观保险编号,注意与实际保险盒放的位置是反的.最右边预留的两个保险丝,里面是没有接线的.可以拿来替换烧坏的保险丝.其它预留的保险丝里面是有电的,用来接电器功能说明..你试着把6号保险丝拨下来换成预留的保险,应该可以了.估计绿色换绿色的,比较保险一点

1、当您付费下载文档后,您只拥有了使用权限,并不意味着购买了版权,文档只能用于自身使用,不得用于其他商业用途(如 [转卖]进行直接盈利或[编辑后售卖]进行间接盈利)。
2、本站所有内容均由合作方或网友上传,本站不对文档的完整性、权威性及其观点立场正确性做任何保证或承诺!文档内容仅供研究参考,付费前请自行鉴别。
3、如文档内容存在违规,或者侵犯商业秘密、侵犯著作权等,请点击“违规举报”。

碎片内容

A3保险盒中各保险丝位置图

确认删除?
VIP
微信客服
  • 扫码咨询
会员Q群
  • 会员专属群点击这里加入QQ群
客服邮箱
回到顶部