电脑桌面
添加小米粒文库到电脑桌面
安装后可以在桌面快捷访问

公路施工作业指导书汇编VIP免费

公路施工作业指导书汇编_第1页
1/90
公路施工作业指导书汇编_第2页
2/90
公路施工作业指导书汇编_第3页
3/90
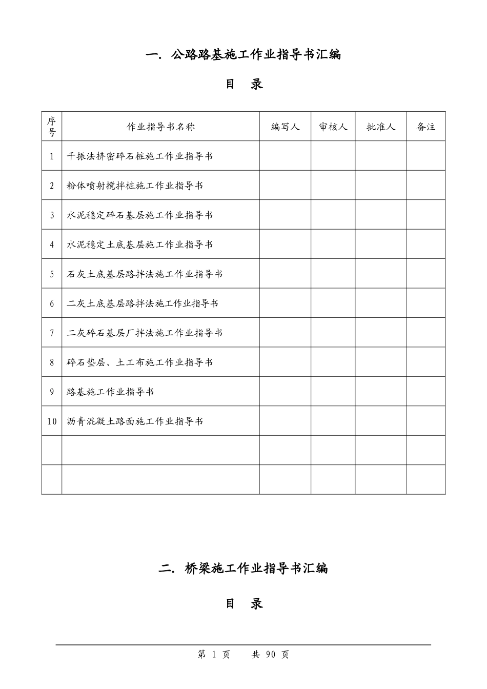
一.公路路基施工作业指导书汇编目录序号作业指导书名称编写人审核人批准人备注1干振法挤密碎石桩施工作业指导书2粉体喷射搅拌桩施工作业指导书3水泥稳定碎石基层施工作业指导书4水泥稳定土底基层施工作业指导书5石灰土底基层路拌法施工作业指导书6二灰土底基层路拌法施工作业指导书7二灰碎石基层厂拌法施工作业指导书8碎石垫层、土工布施工作业指导书9路基施工作业指导书10沥青混凝土路面施工作业指导书二.桥梁施工作业指导书汇编目录第1页共90页序号作业指导书名称编写人审核人批准人备注1钻孔灌注桩施工作业指导书2涵洞通道作业指导书3T型刚构连续梁施工作业指导书4梁板安装施工作业指导书530mT梁预制施工作业指导书6后张法宽幅空心板预制施工作业指导书7先张法空心板梁预制施工作业指导书8桥梁下部结构施工作业指导书9预制箱梁施工作业指导书1.干振法挤密碎石桩施工作业指导书挤密碎石桩在软基处理中采用干振法或水冲法施工。目前在公路工程采用干振法施工较多,下面就介绍干振法挤密碎石桩施工。1、施工前的准备1.1施工准备第2页共90页1.1.1收集并熟悉有关施工图、工程地质报告、土工试验报告和地下管线、构造物等资料。1.1.2编制施工组织设计或施工大纲。1.1.3根据施工路段的长度、挤密碎石桩的桩距、布置形式和布置原则,绘制桩位图。1.1.4材料试验:碎石的最大粒径不大于5cm,含泥量〈10%,不能有严重风化颗粒。1.1.5需采用与成桩直径相应的管径的电动振动沉管桩机。如成桩直径为50cm,机型可选用DZ-40Y(管径为377mm):如成桩直径为60cm,机型可选用DZ-60Y(管径为426mm)。1.1.5.1机械锤重≥35KN,激振力≥280KN,配套发电机功率≥120KW。1.1.5.2容积相等的小推车数辆。1.1.5.3桩尖须采用平底合页式。1.1.6根据桩径、桩长、桩管直径及小斗容积,计算每延米桩所需的碎石数量和小推车车数,每根桩的车数及每根桩的反插次数和反插长度。1.1.7场地整平和布点,根据设计图纸对施工场地进行整平和压实,然后根据桩位图在原地面用石灰将桩位标出。1.2试验段施工1.2.1根据地质资料,选择一段具有代表性的施工段。1.2.2在施工前,对试验段进行钻探取样,以便准确掌握软土层分层位置及厚度,对土样进行试验测出各层土的天然含水量。天然密度、粒径组成、液塑限、孔隙比、饱和度、压缩模量等。1.2.3在施工前,还须进行现场原位测试,测试项目包括标准贯入、瑞利波波速测定。1.2.4试验段严格按照设计文件规定的投石量、反插长度、反插次数、施工顺序施工。1.2.5施工结束15天后.对试验段边行试验,试验项目比施工前试验项目增加对桩身的重II型静力触探试验。1.2.6写试验总结报告,在报告中须将软土层经处理后达到的效果,加以说明,同时要明确验收标准。正常施工段的验收标准包括:不同土层的标准贯入数桩身的,重Ⅱ型触探数和复合地基的瑞利波波速。2、碎石桩施工工艺流程:按机就位→振动下沉桩管→提升桩管→灌料→振动拨管→二次投料→振动拨管→三次投料→反插→下一根桩施工第3页共90页2.1桩机就位:桩管应正对桩位,桩管垂直度应≤1.5%。2.2振动下沉桩管:边振动边下沉至设计深度,每下沉0.5m留振30秒。2.3提升桩管:达到设计深度,曾振30秒后,稍提升桩管,使桩失打开。2.4灌料:停止振动,灌料直至灌满为止。2.5振动拔管:启动拔管,拔管前留振1分钟,以后边振动边拔管,拔管速度需均匀且每拔管lm留振1分钟2.5.1根据单位设计碎石用量确定第一次投料的成桩长度,进行数次反插直至桩管内碎石全部投出。2.5.2提升和反插速度必须均匀。2.6二次投料:提升桩管,开启第二投料口并停止振动,边行第二次投料直至灌满。2.7振动拔管:启动拔管,边振动边上拔,并进行数次反插,至管内碎石全部投出,反插深度应小于桩管长度的一半:2.8三次投料:提升桩管高于地面,停止振动,进行孔口投料(第三次投料)直至地表。2.9反插:启动反插,并及时进行孔口补料至该被设计碎石桩用量全部投完为止:孔口加压至前机架抬起,完成一棍桩施工。2.10施工过程中应及时挖除桩管带出泥土,孔口泥土不得掉入孔中。2.11施工过程中应记录:沉桩深度,制桩时间,每次碎石灌入量。2.12施工过程中如发现土层有较大变化,投...

1、当您付费下载文档后,您只拥有了使用权限,并不意味着购买了版权,文档只能用于自身使用,不得用于其他商业用途(如 [转卖]进行直接盈利或[编辑后售卖]进行间接盈利)。
2、本站所有内容均由合作方或网友上传,本站不对文档的完整性、权威性及其观点立场正确性做任何保证或承诺!文档内容仅供研究参考,付费前请自行鉴别。
3、如文档内容存在违规,或者侵犯商业秘密、侵犯著作权等,请点击“违规举报”。

碎片内容

公路施工作业指导书汇编

您可能关注的文档

确认删除?
VIP
微信客服
  • 扫码咨询
会员Q群
  • 会员专属群点击这里加入QQ群
客服邮箱
回到顶部