电脑桌面
添加小米粒文库到电脑桌面
安装后可以在桌面快捷访问

安立泰说明书VIP免费

安立泰说明书_第1页
1/12
安立泰说明书_第2页
2/12
安立泰说明书_第3页
3/12
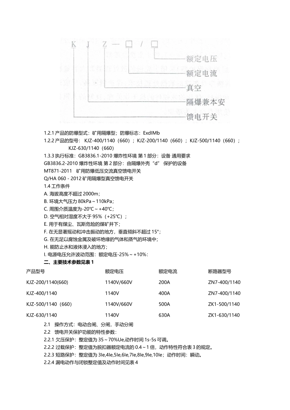
KJZ系列矿用隔爆兼本质安全型真空馈电开关使用说明书一、用途和适用范围1、概述1.1主要用途与适用范围KJZ系列矿用隔爆型真空馈电开关(以下简称馈电开关),适用于煤矿井下和其它周围介质中含有爆炸性气体(甲烷混合物)的环境中,在交流50Hz,额定电压1140V以下,电流200A至630A的中性点不接地的三相电网中,具有过载、短路、断相、漏电闭锁、漏电动作等保护功能.1.2产品型式、型号及其型号组成意义1.2.1产品的防爆型式:矿用隔爆型;防爆标志:ExdIMb1.2.2产品的型号:KJZ-400/1140(660);KJZ-200/1140(660);KJZ-500/1140(660);KJZ-630/1140(660)1.3.3执行标准:GB3836.1-2010爆炸性环境第1部分:设备通用要求GB3836.2-2010爆炸性环境第2部分:由隔爆外壳“d”保护的设备MT871-2011矿用防爆低压交流真空馈电开关Q/HA060-2012矿用隔爆型真空馈电开关1.4工作条件A.海拔高度不超过2000m;B.环境大气压力80kPa~110kPa;C.周围介质温度为-20℃~+40℃;D.空气相对湿度不大于95%(+25℃);E.用于有煤尘、瓦斯危险的煤矿井下;F.在无显著摇动和冲击振动的地方,垂直倾斜不超过15°;G.在无足以腐蚀金属及破坏绝缘的气体和蒸气的环境中;H.能防止水和液体浸入的地方;I.电源电压允许波动范围:额定电压-25%~+10%:二、主要技术参数见表1产品型号额定电压额定电流断路器型号KJZ-200/1140(660)1140V/660V200AZN7-400/1140KJZ-400/11401140V400AZN7-400/1140KJZ-500/1140(660)1140V/660V500AZK1-500/1140KJZ-630/11401140V630AZK1-630/11402.1操作方式:电动合闸、分闸,手动分闸2.2馈电开关保护功能的特性参数:2.2.1欠压保护:整定值为35~70%Ue,动作时间1s-5s可调。2.2.2过载保护:整定值为脱扣器额定电流的0.4~1倍,动作特性符合表3的规定。2.2.3短路保护:整定值为3Ie,4Ie,5Ie,6Ie,7Ie,8Ie,9Ie,10Ie;动作时间:瞬动。2.2.4漏电动作与闭锁整定值及动作时间见表42.2.5进出线口:主回路进出线喇叭口4只,可穿入Φ32-Φ71的橡套电缆;控制电路进出线喇叭口2只,可穿入Φ14.5-Φ21橡套电缆。2.2.6馈电开关的工频耐压见表2额定电压≤36V660V1140相间、对地历时1min工频耐压无击穿或闪络现象(有效值)1000V3000V4200V2.2.7馈电开关的过载保护见表3过载电流/整定电流动作时间s脱扣器状态1.052h不动作冷态1.20.2~1h热态1.590~180热态2.045~90热态4.014~45热态6.08~14冷态2.2.8馈电开关的漏电动作漏电闭锁见表4主电路额定工作电压漏电动作电阻整定值KΩ漏电闭锁动作电阻整定值KΩ1KΩ电阻动作时间ms6601122≤8011402040≤50三、外形尺寸重量5.1馈电开关的外形尺寸如附图1所示;5.2馈电开关的重量:500Kg。KJZ-200、400/1140(660)[外型尺寸:(长)820×(宽)540×(高)840]KJZ-500、630/1140(660)(长)1100×(宽)670×(高)950]四、结构概述4.1馈电开关的隔爆外壳呈方形,用4只M12的螺栓与撬形底座相连。隔爆外壳分隔为两个空腔即接线腔与主腔。4.2接线腔在主腔上方,它集中了全部主回路与控制回路的进出线端子。主回路电源进线端上罩有防护板。接线腔两侧各有两只主回路进出线喇叭口,各有一只控制电路进出线喇叭口。4.3主腔由主腔壳体与前门包容组成,开关关闭时,前门与壳体由上下扣块与左右扣板扣住;开关打开时,前门支承在壳体左侧的铰链上。4.4交流真空断路器安装在主腔壳体的中央偏右侧,三只进线直接接在断路器的进线端子上,三只出线有一只穿过显示回路电流用的互感器LH接至断路器的出线端子,其余二只直接接至断路器的出线端子。其分励按钮杆与主腔右侧的脱扣按钮相连。电源开关QK安装在主腔的右侧上方,由连接套与主腔右侧上方的操作手把相连。过电压吸收装置ZR安装在主腔的上方,其三根引出线分别接到三只出线端上。主腔的左侧装有一块芯板,正反面均装有控制元件及连接从断路器、前门、接线腔七芯过来的插头的插座。4.5前门上装有观察窗、按钮、试验开关、指示仪表及补偿用的电位器W、故障指示组件等。4.6前门与外壳之间有可靠的机械联锁,当前门与外壳闭合后,退出外壳右侧的闭锁杆至前门的限位块上,使前门因不能提升而打不开,同时因闭锁杆退出后,其前端脱...

1、当您付费下载文档后,您只拥有了使用权限,并不意味着购买了版权,文档只能用于自身使用,不得用于其他商业用途(如 [转卖]进行直接盈利或[编辑后售卖]进行间接盈利)。
2、本站所有内容均由合作方或网友上传,本站不对文档的完整性、权威性及其观点立场正确性做任何保证或承诺!文档内容仅供研究参考,付费前请自行鉴别。
3、如文档内容存在违规,或者侵犯商业秘密、侵犯著作权等,请点击“违规举报”。

碎片内容

安立泰说明书

您可能关注的文档

确认删除?
VIP
微信客服
  • 扫码咨询
会员Q群
  • 会员专属群点击这里加入QQ群
客服邮箱
回到顶部