电脑桌面
添加小米粒文库到电脑桌面
安装后可以在桌面快捷访问

公司各办公用房弱电改造方案-2-(1)VIP免费

公司各办公用房弱电改造方案-2-(1)_第1页
1/18
公司各办公用房弱电改造方案-2-(1)_第2页
2/18
公司各办公用房弱电改造方案-2-(1)_第3页
3/18
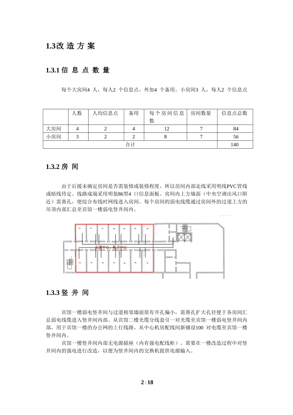
公司各办公用房弱电改造方案1.宾馆一楼办公区弱电改造1.1办公区域安排宾馆一楼涉及房间共14个(7个大房间,7个小房间)。每个大房间计划供4人办公,每个小房间计划供2-3人办公。1.2场地环境每个房间内无信息点。宾馆一楼有弱电竖井间,但内部无任何设施设备。二楼中心机房配线间有光缆至宾馆二楼弱电竖井间(内部有光收发器和非网管交换机)。宾馆竖井间内无空调、UPS、防雷接地设施。1/181.3改造方案1.3.1信息点数量每个大房间4人,每人2个信息点,外加4个备用。小房间3人,每人2个信息点人数人均信息点备用每个房间信息数房间数量信息点总数大房间42412784小房间3228756合计1401.3.2房间由于后援未确定房间是否需装修或装修程度,所以房间内部走线采用明线PVC管线或暗线待定。线路成端采用明装86型4口信息面板。房间内上方墙面(中央空调出风口附近)需凿孔,使综合布线时网线进入房间。每个房间的弱电线缆通过房间外的过道上方的吊顶内部汇总至宾馆一楼弱电竖井间内。1.3.3竖井间宾馆一楼弱电竖井间与过道相邻墙面原有开孔偏小,需凿孔扩大孔径便于各房间汇总弱电线缆进入竖井间内部。从宾馆二楼光缆分线盒引一对光缆至宾馆一楼弱电竖井间内部,用于宾馆一楼的办公网的上行线路。从中心机房配线间新铺设100对电缆至宾馆一楼竖井间内。宾馆一楼竖井间内部无电源插座(内有强电配线柜)。需要在一楼改造过程中对竖井间内的强电进行改造,以便为竖井间内的交换机提供电源输入。2/18竖井间内安放布线机柜,各房间线缆汇总至布线机柜。竖井间内安放48口交换机2台,并配备小型UPS用于稳压。交换机采用堆叠技术简化管理。3/181.3.4中心机房配线间在中心机房配线间内的思科3750交换机上新增1个光模块接口,连接宾馆一楼交换机。1.4设备清单设备部分施工布线部分名称型号单位超五类四对双绞线大唐电信箱配线架大唐电信110AB2个配线架大唐电信多媒体配线架个理线架大唐电信个86底盒个四口面板个超五类模块大唐电信个通信电缆HYA100对米光纤跳线大唐电信,多模,SC-LC,3米根光纤跳线大唐电信,多模,SC-LC,20米根工作区电缆桥架200*100mm米工作区电缆桥架100*500mm米PVC管、RJ-45、RJ-11水晶头及其他零星材料批4/182.机关大楼五楼弱电改造2.1办公区域安排5/18改造后5014、5016各分成2个办公室,5018分成4个办公室。5012房间14人,5014a、5014b各14人,5016a7人、5016b5人,5018a4人、5018b1人、5018c1人、5018d1人。2.2改造方案5楼现有竖井间,相关改造房间线路均汇接至5楼现有竖井间。本次改造5楼总计增加180个信息点。网络端口72+36个(36为备用端口,均为网络端口设计),电话端口72个。新增48口交换机2台,交换机上行支持电口、光口1000M。电话预留点位由大楼原有信息点(编号为DXXX、TXXX信息点)分至电缆配线架。2.2.1信息点数量考虑到容量及备用,相关房间信息点总数为:房间人数人均信息点备用每个房间信息数50121424325014a1424325014b1424325016a724186/185016b724185018a424125018b424125018c424125018d42412合计1802.2.2房间竖井间至房间线路,均穿管下墙至信息面板成端,墙面槽板采用扁式PVC槽进行封闭。网络点位均为新增,电话点位利旧原有信息点(若有不足,新增面板)。办公区内点位数量按照人均2个,每个房间备用1个4口信息点(至新增网络配线架)。2.2.3竖井间原竖井间已有42U机柜一个。新增32U机柜一个(竖井间右侧)。新增网络点位配线架安装于新增32U机柜内。新增设备安装于新增32U机柜内,与原有竖井间总进线交换机SFP接口多模尾纤互联。新增网络配线架线路统一捆扎,经机柜下侧孔洞接至交换机。机柜内新增交换机配套增加理线架。7/182.3设备列表设备施工布线名称型号单位超五类四对双绞线大唐电信箱配线架大唐电信多媒体配线架个理线架大唐电信个86底盒个四口面板个超五类模块大唐电信个光纤跳线多模,LC-LC,2米根工作区电缆桥架100*200mm米PVC管、RJ-45、RJ-11水晶头及其他零星材料批3.机关大楼六楼弱电改造3.1办公区域安排8/183.2改造方案6楼现有弱电竖井间。相关改造房间线路均汇接至6楼现有竖井间。本次改造6楼总计增加136个信息点。网络端口52+32=84个(32...

1、当您付费下载文档后,您只拥有了使用权限,并不意味着购买了版权,文档只能用于自身使用,不得用于其他商业用途(如 [转卖]进行直接盈利或[编辑后售卖]进行间接盈利)。
2、本站所有内容均由合作方或网友上传,本站不对文档的完整性、权威性及其观点立场正确性做任何保证或承诺!文档内容仅供研究参考,付费前请自行鉴别。
3、如文档内容存在违规,或者侵犯商业秘密、侵犯著作权等,请点击“违规举报”。

碎片内容

公司各办公用房弱电改造方案-2-(1)

您可能关注的文档

确认删除?
VIP
微信客服
  • 扫码咨询
会员Q群
  • 会员专属群点击这里加入QQ群
客服邮箱
回到顶部