电脑桌面
添加小米粒文库到电脑桌面
安装后可以在桌面快捷访问

公司吊装作业风险评估报告VIP免费

公司吊装作业风险评估报告_第1页
1/4
公司吊装作业风险评估报告_第2页
2/4
公司吊装作业风险评估报告_第3页
3/4
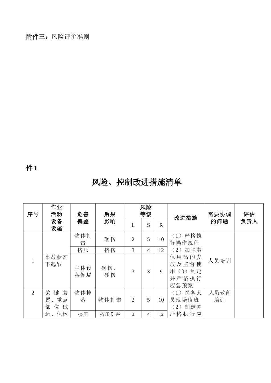
吊装作业风险评估报告一、评估目的为充分运用科学的危害辨识及危险评价方法,通过对公司吊装设施在运行过程中的各种危险有害因素严格控制,制定风险控制措施,实现管理关口前移,达到消减危害,避免因措施不力而导机械伤害等恶性事故的出现。根据评价辨识结果,分别及时采取了针对性、可操作性较强的预防性控制措施,从而消除、减免了对人身和设备危害和影响,降低或控制作业风险,为进一步保障人身安全,促进企业健康发展。二、评估范围公司范围内的各种吊装正常运行过程控制。三、评估依据1公司安全作业操作规程;2行业的设计规范和技术标准;3企业的管理标准和技术标准;4合同书、任务书、公司目标中规定的内容;5本公司和国内外所发生相类似的事故统计资料四、评估方法主要采用安全检查表(SCL)、预危险性分析(PHA)、工作危害分析(JHA)等安全评价方法为主对现有的风险进行辨识和评价分析。五、评估人员:风险评价组成员六、评估时间:2010.3.8七、评估结果公司针对本年度各部位门现场吊装作业过程所存在的潜在不安全因素进行了严谨的预先分析,将有危及生产安全作业前的各种危险有害因素进行了符合性评价,将作业前的运行设备、设施进行翔实勘察,避免了因安全附件、设施不符合要求而出现意外伤害,严格执行“十不吊”。在各单位(部门)的干部员工的齐心协力努力配合下,安全科和公司安全评价小组人员利用平时现场督察,对公司各吊装过程中的各项作业进行了系统危害(环境因素)辨识和危险评价。通过本年度现场监督检查及日常的调查询问,运用科学的评价方法完成各种吊装异常作业活动中的符合性评价,较规范的规整了因违章操作或违反操作规程而致使事故的滋生。从公司吊装作业的风险评价过程中可以看出,针对各项吊装过程控制,剖析出危险有害因素并逐一落实各项控制措施,能有效控制绝大多数因种种原因而忽略的细节问题,对此进行细致补充控制各项措施,继而杜绝了事故发生。同时加大监督从业人员的各种正常操作,并且在现实作业中严格落实和恪守各项既定规章制度,使得员工保持了较好的从业风貌和良好习惯。通过本年度对吊装作业风险评析,共评价出中度风险(环境因素)因素及其以下风险因素计10项,评价出重大风险(环境因素)因素0项,并对中度风险的吊装采取改进控制措施,制定了实施计划,在作业过程中始终遵循安全控制措施,从而取得了未发生任何因吊装异常而出现的安全事故。附件一:(公司)评估结果一览表附件二:风险、控制改进措施清单附件三:风险评价准则件1风险、控制改进措施清单序号作业活动设备设施危害偏差后果影响风险等级改进措施需要协调的问题评估负责人LSR1事故状态下起吊物体打击砸伤2510(1)严格执行操作规程(2)加强劳保用品的发放及监督使用(3)制定并严格执行应急预案人员培训挤压挤伤3412主体设备倒塌砸伤、碰伤3392关键装置、重点部位试运、保运物体掉落物体打击2510(1)医务人员现场值班(2)制定并严格执行应人员教育培训挤压挤压伤害3412阶段急预案(3)加强劳保用品的发放及监督使用设备倒塌设备损伤2510附件2重大环境影响因素及改进措施清单序号环境因素环境影响影响程度等级生产(活动)过程操作、技术、财务、人力资源需求的限制改进措施1噪声的产生环境污染混凝土搅拌资金限制(1)减少使用频次(2)避免夜间施工施工机械运输设备电动工具机器振动2粉尘的排放(1)环境污染(2)空气污染混凝土搅拌资金限制(1)增加除尘设施(2)密闭(罐装)运输施工机械运输设备电动工具机器振动附件3风险评估依据准则:严重性可能性123451123452246810336912154481216205510152025注:原则:20-25分为不可容忍,12-16重大,8-10中等。环境因素的严重性最高分是3,因而12-15为不可容忍,8-10为重大。严重性为5分的也列为重大风险。

1、当您付费下载文档后,您只拥有了使用权限,并不意味着购买了版权,文档只能用于自身使用,不得用于其他商业用途(如 [转卖]进行直接盈利或[编辑后售卖]进行间接盈利)。
2、本站所有内容均由合作方或网友上传,本站不对文档的完整性、权威性及其观点立场正确性做任何保证或承诺!文档内容仅供研究参考,付费前请自行鉴别。
3、如文档内容存在违规,或者侵犯商业秘密、侵犯著作权等,请点击“违规举报”。

碎片内容

公司吊装作业风险评估报告

文章天下+ 关注
实名认证
内容提供者

各种文档应有尽有

确认删除?
VIP
微信客服
  • 扫码咨询
会员Q群
  • 会员专属群点击这里加入QQ群
客服邮箱
回到顶部