电脑桌面
添加小米粒文库到电脑桌面
安装后可以在桌面快捷访问

公司资质证书管理制度VIP免费

公司资质证书管理制度_第1页
1/11
公司资质证书管理制度_第2页
2/11
公司资质证书管理制度_第3页
3/11
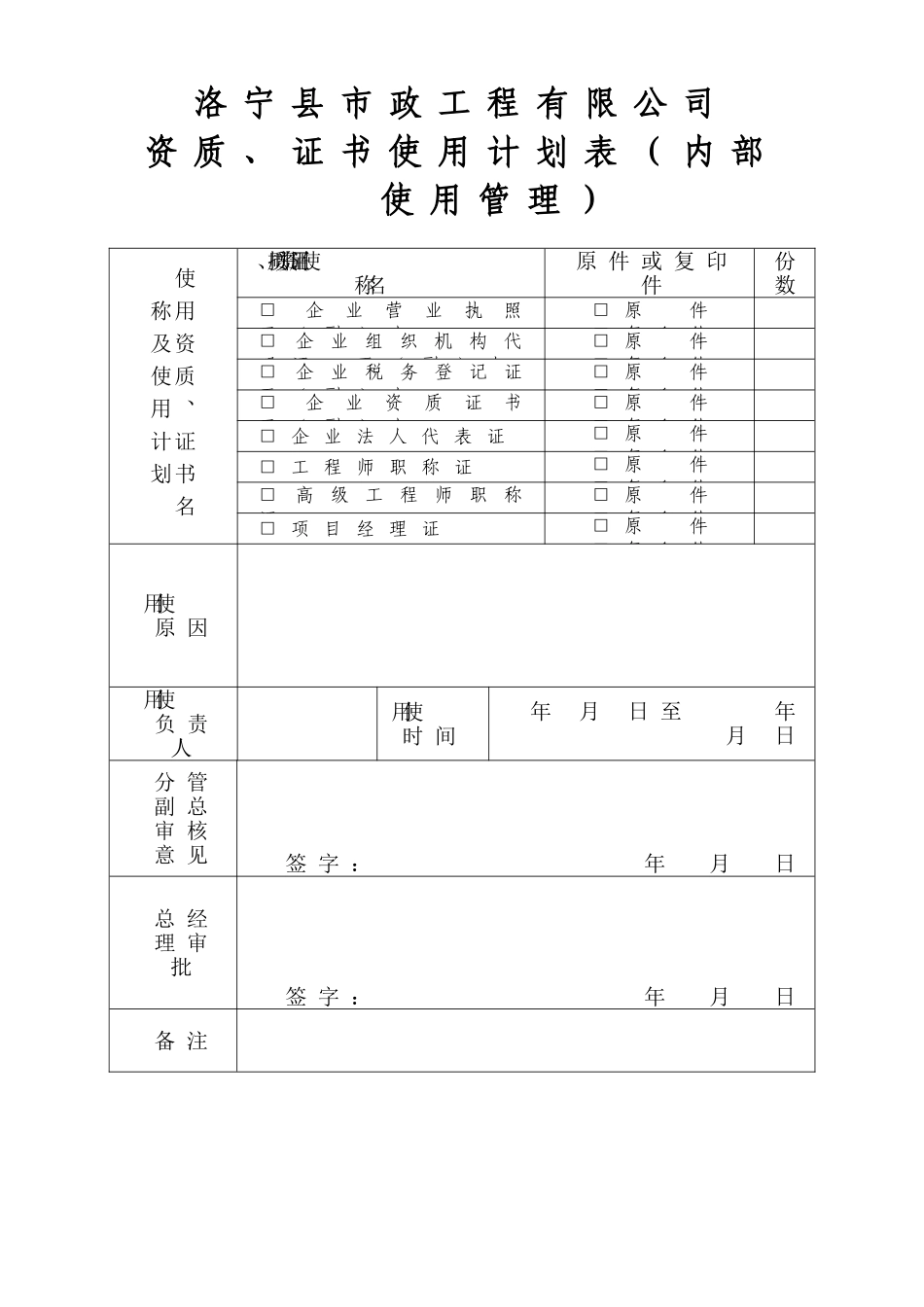
公司资质、证书管理制度为加强公司经营管理,确保公司资质、证书使用严谨、规范、合理,特制定本制度。一、公司资质、证书系公司资产,除用于公司经营外,任何个人不得以任何理由、任何方式私自使用。二、公司资质、证书实行集中保管、统一使用,资质、证书管理部门对资质、证书的安全存放和规范使用负责。三、公司内部使用资质、证书用于招投标、各种外部审核等工作时,须由该项工作责任人填写《资质、证书使用计划表》,报经分管副总审核,经总经理审批后方能使用。四、外部单位、个人借用公司资质、证书,须由使用人或本公司该项工作联系人填写《资质、证书使用审批表》,报经分管副总审核,经总经理审批后方能借用。五、所有参与资质投标工程,公司将收取2000元押金,费用需在报名时缴纳,工程一旦中标,公司将按工程造价的0.5%收取管理费,且中标单位的经营活动必须符合本单位的规章制度及财务制度接受公司的管理。六、公司资质、证书管理部门以经批准的《资质、证书使用计划表》、《资质、证书使用审批表》作为使用依据并存档,并对使用情况作登记,确保资质、证书的规范使用。七、附件《资质、证书使用计划表》、《资质、证书使用审批表》是本制度的组成部分。洛宁县市政工程有限公司资质、证书使用计划表(内部使用管理)使用资质、证书名称及使用计划拟使用资质、证书名称原件或复印件份数□企业营业执照正(副)本□原件□复印件□企业组织机构代码证正(副)本□原件□复印件□企业税务登记证正(副)本□原件□复印件□企业资质证书正(副)本□原件□复印件□企业法人代表证□原件□复印件□工程师职称证□原件□复印件□高级工程师职称证□原件□复印件□项目经理证□原件□复印件使用原因使用负责人使用时间年月日至年月日分管副总审核意见签字:年月日总经理审批签字:年月日备注洛宁县市政工程有限公司资质、证书使用审批表(外部使用管理)使用单位单位联系人单位地址联系电话使用资质、证书名称及使用情况拟使用资质、证书名称原件或复印件份数1、□原件□复印件2、□原件□复印件3、□原件□复印件4、□原件□复印件5、□原件□复印件6、□原件□复印件7、□原件□复印件8、□原件□复印件使用原因使用负责人使用时间年月日至年月日分管副总审核意见签字:年月日总经理审批签字:年月日备注江苏海骏广告有限公司资质、证书使用计划表(内部使用管理)使用资质、证书名称及使用计划拟使用资质、证书名称原件或复印件份数□企业营业执照正(副)本□原件□复印件□企业组织机构代码证正(副)本□原件□复印件□企业税务登记证正(副)本□原件□复印件□企业资质证书正(副)本□原件□复印件□企业法人代表证□原件□复印件□项目经理证□原件□复印件□安全生产许可证□原件□复印件□建造师证□原件□复印件使用原因使用负责人使用时间年月日至年月日分管副总审核意见签字:年月日董事长审批签字:年月日备注江苏海骏广告有限公司资质、证书使用审批表(外部使用管理)使用单位单位联系人单位地址联系电话使用资质、证书名称及使用情况拟使用资质、证书名称原件或复印件份数1、□原件□复印件2、□原件□复印件3、□原件□复印件4、□原件□复印件5、□原件□复印件6、□原件□复印件7、□原件□复印件8、□原件□复印件使用原因使用负责人使用时间年月日至年月日分管副总审核意见签字:年月日董事长审批签字:年月日备注东海县九龙水务有限公司有限公司资质、证书使用计划表(内部使用管理)使用资质、证书名称及使用计划拟使用资质、证书名称原件或复印件份数□企业营业执照正(副)本□原件□复印件□企业组织机构代码证正(副)本□原件□复印件□企业税务登记证正(副)本□原件□复印件□企业资质证书正(副)本□原件□复印件□企业计量认证证书□原件□复印件□企业法人代表证□原件□复印件□试验检测员证□原件□复印件□安全生产许可证□原件□复印件使用原因使用使用年月日至年负责人时间月日分管副总审核意见签字:年月日董事长审批签字:年月日备注东海县九龙水务有限公司有限公司资质、证书使用审批表(外部使用管理)使用单位单位联系人单位...

1、当您付费下载文档后,您只拥有了使用权限,并不意味着购买了版权,文档只能用于自身使用,不得用于其他商业用途(如 [转卖]进行直接盈利或[编辑后售卖]进行间接盈利)。
2、本站所有内容均由合作方或网友上传,本站不对文档的完整性、权威性及其观点立场正确性做任何保证或承诺!文档内容仅供研究参考,付费前请自行鉴别。
3、如文档内容存在违规,或者侵犯商业秘密、侵犯著作权等,请点击“违规举报”。

碎片内容

公司资质证书管理制度

确认删除?
VIP
微信客服
  • 扫码咨询
会员Q群
  • 会员专属群点击这里加入QQ群
客服邮箱
回到顶部