电脑桌面
添加小米粒文库到电脑桌面
安装后可以在桌面快捷访问

中考冲刺三广州第二中学初三一模考试VIP免费

中考冲刺三广州第二中学初三一模考试_第1页
1/7
中考冲刺三广州第二中学初三一模考试_第2页
2/7
中考冲刺三广州第二中学初三一模考试_第3页
3/7
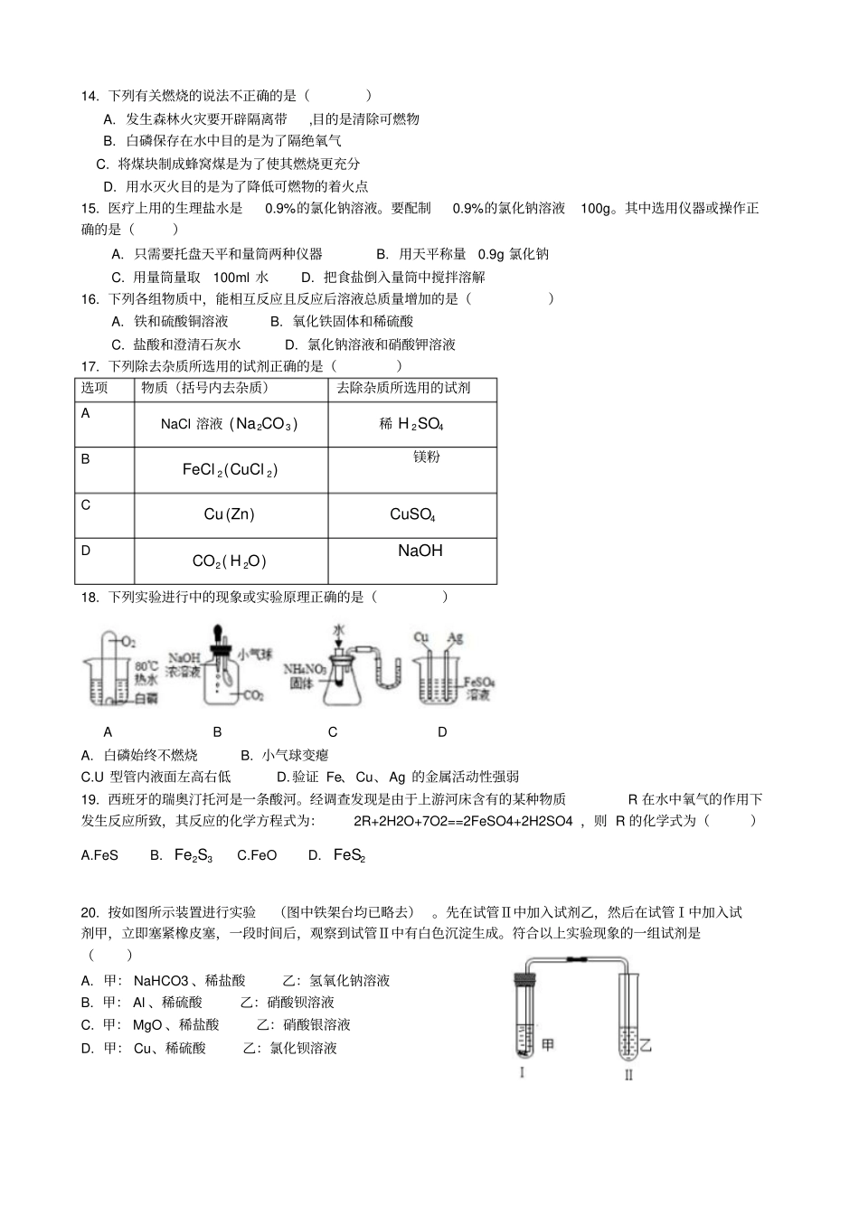
(三)2016年广州市第二中学初三一模考试化学本试卷分选择题和非选择题两部分,满分为100分,考试用时80分钟可能用到的相对原子质量:H-1C-12O-16Na-23S-32N-14Zn-65Mg-24Cl-35.5Ca-40Fe-56P-31K-39第一部分选择题(共40分)一、单选题(本题包括20小题,每题只有一个选项符合题意,每题2分,共40分)1.下列过程中不发生化学变化的是()ABCD2.下列叙述错误的是()A.日常生活中可用肥皂水鉴别硬水和软水B.铝比铁具有更好的抗腐蚀性能,是因为铁比铝更活泼C.建造游泳中心“水立方”用到的聚乙烯是有机合成材料D.用汽油和加了洗涤剂的水分别除去衣服上的油污,两者去污原理不同3.下列实验操作正确的是()ABCDA.检查气密性B.测量溶液的pHC.取固体药品D.熄灭酒精灯4.已知磷酸二氢铵(NH4H2PO4)是化肥中的一种,下列说法错误的是()A.磷酸二氢铵可溶于水B.磷酸二氢铵是由氮、氢、磷、氧四种元素组成C.磷酸二氢铵中氮、氢、磷、氧的质量比为1:6:1:4D.磷酸二氢铵与熟石灰混合研磨有氨味气体产生5.水是生命之源,下列关于水的说法不正确的是()A.生活中煮沸水可以降低水的硬度B.实验室电解水时,正极玻璃管内的气体是氢气C.水和过氧化氢都由氢元素和氧元素组成D.过量使用化肥会导致水体污染6.下列关于碳及其化合物的说法,正确的是()A.二氧化碳是导致酸雨的主要气体B.可以用燃烧法除去二氧化碳中混有的少量一氧化碳C.中国古代字画经久不褪色,是因为常温下碳的化学性质不活泼D.CO和CO2都是非金属氧化物,都能与NaOH溶液反应7.分类法是化学学习的重要方法,下列说法不正确的是()A.生石灰、烧碱、浓硫酸都可以作干燥剂B.铁、锌、碘元素都属于人体必需微量元素C.CH4、C2H5OH、CH3COOH都属于有机物D.KNO3、CO(NH2)2、NH4HCO3都属于复合肥8.甲、乙、丙三种固体物质的溶解度曲线如图所示。下列叙述不正确的是()A.t1℃时,将等质量的甲、乙全部溶解,分别配成饱和溶液,所得溶液质量:甲>乙B.将t1℃时,甲、丙的饱和溶液升温到t2℃,两种溶液中溶质的质量分数相等C.将t2℃时,甲的饱和溶液变为t3℃时甲的饱和溶液,可以采用蒸发水的方法D.将t3℃时,三种物质的饱和溶液恒温蒸发等量水后,析出溶质的质量:甲>乙>丙9.下列对分子、原子、离子的认识,正确的是()A.原子是最小的粒子,不可再分B.原子能构成分子,但不能直接构成物质C.温度越高,分子运动速率越快D.固体难压缩,说明固体分子间无间隔10.我省境内有许多温泉,经检测分析,该温泉属于硅酸盐温泉,对心脏、高血压等有良好的医疗保健作用。已知硅酸盐中硅元素的化合价为+4价,则硅酸的化学式为()A.23HSiOB.43HSiOC.24HSiOD.23NaSiO11.右图是测定稀盐酸和氢氧化钠溶液反应的pH变化曲线图,据图分析正确的是()A.该反应是将盐酸滴入氢氧化钠溶液B.b点时,溶液的溶质为氢氧化钠C.a点时表示参与反应的盐酸和氢氧化钠的质量刚好相同D.a点表示恰好完全反应,溶液中存在的粒子有Na、Cl、2HO12.小张同学用某固体物质进行如图所示的实验,根据实验判断下列说法不正确的是()A.该固体物质的溶解度随温度的升高而增大B.溶液b一定是不饱和溶液C.溶液d中溶质质量可能大于溶液e中的溶质质量D.溶液d一定是饱和溶液13.下列物质的溶液,不另加试剂就不能鉴别出来的一组是()A.4CuSO2BaClH2SO4B.23NaCO32()CaNOHClC.24NaSO23KNOHClD.3FeClNaOH4KMnO14.下列有关燃烧的说法不正确的是()A.发生森林火灾要开辟隔离带,目的是清除可燃物B.白磷保存在水中目的是为了隔绝氧气C.将煤块制成蜂窝煤是为了使其燃烧更充分D.用水灭火目的是为了降低可燃物的着火点15.医疗上用的生理盐水是0.9%的氯化钠溶液。要配制0.9%的氯化钠溶液100g。其中选用仪器或操作正确的是()A.只需要托盘天平和量筒两种仪器B.用天平称量0.9g氯化钠C.用量筒量取100ml水D.把食盐倒入量筒中搅拌溶解16.下列各组物质中,能相互反应且反应后溶液总质量增加的是()A.铁和硫酸铜溶液B.氧化铁固体和稀硫酸C.盐酸和澄清石灰水D.氯化钠溶液和硝酸钾溶液17.下列除去杂质所选用的试剂正确的是()选项物质(括号内去杂质)去除杂质所选用的试剂ANaCl溶液23()NaCO稀24HSOB22()FeClCuCl镁...

1、当您付费下载文档后,您只拥有了使用权限,并不意味着购买了版权,文档只能用于自身使用,不得用于其他商业用途(如 [转卖]进行直接盈利或[编辑后售卖]进行间接盈利)。
2、本站所有内容均由合作方或网友上传,本站不对文档的完整性、权威性及其观点立场正确性做任何保证或承诺!文档内容仅供研究参考,付费前请自行鉴别。
3、如文档内容存在违规,或者侵犯商业秘密、侵犯著作权等,请点击“违规举报”。

碎片内容

中考冲刺三广州第二中学初三一模考试

确认删除?
VIP
微信客服
  • 扫码咨询
会员Q群
  • 会员专属群点击这里加入QQ群
客服邮箱
回到顶部