电脑桌面
添加小米粒文库到电脑桌面
安装后可以在桌面快捷访问

道路检验批填写模板VIP免费

道路检验批填写模板_第1页
1/99
道路检验批填写模板_第2页
2/99
道路检验批填写模板_第3页
3/99
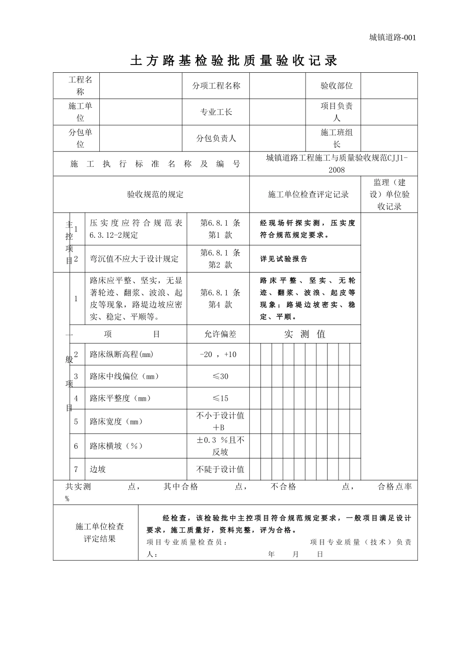
城镇道路-001土方路基检验批质量验收记录工程名称分项工程名称验收部位施工单位专业工长项目负责人分包单位分包负责人施工班组长施工执行标准名称及编号城镇道路工程施工与质量验收规范CJJ1-2008验收规范的规定施工单位检查评定记录监理(建设)单位验收记录主控项目1压实度应符合规范表6.3.12-2规定第6.8.1条第1款经现场钎探实测,压实度符合规范规定要求。2弯沉值不应大于设计规定第6.8.1条第2款详见试验报告一般项目1路床应平整、坚实,无显著轮迹、翻浆、波浪、起皮等现象,路堤边坡应密实、稳定、平顺等。第6.8.1条第4款路床平整、坚实、无轮迹、翻浆、波浪、起皮等现象;路堤边坡密实、稳定、平顺。项目允许偏差实测值2路床纵断高程(mm)-20,+103路床中线偏位(mm)≤304路床平整度(mm)≤155路床宽度(mm)不小于设计值+B6路床横坡(%)±0.3%且不反坡7边坡不陡于设计值共实测点,其中合格点,不合格点,合格点率%施工单位检查评定结果经检查,该检验批中主控项目符合规范规定要求,一般项目满足设计要求,施工质量好,资料完整,评为合格。项目专业质量检查员:项目专业质量(技术)负责人:年月日城镇道路-002监理(建设)单位验收结论经监理旁站,该检验批中主控项目和一般项目均符合设计及规范规定要求,施工质量良好,资料完整,允许进入下道工序施工。监理工程师(建设单位项目技术负责人):年月日挖石方路基检验批质量验收记录工程名称分项工程名称验收部位施工单位专业工长项目负责人分包单位分包负责人施工班组长施工执行标准名称及编号城镇道路工程施工与质量验收规范CJJ1-2008验收规范的规定施工单位检查评定记录监理(建设)单位验收记录主控项目1上边坡必须稳定,严禁有松石、险石。第6.8.2条第1款上边坡稳定,无松石、险石。经检查,该主控项目符号规范规定要求。一般项目项目允许偏差实测值经检查,该一般项目满足设计要求。现场监理共实测点,合格点,合格点率%。1路床纵断高程(mm)+50,-1002路床中线偏位(mm)≤303路床宽(mm)不小于设计规定+B4边坡(%)不陡于设计规定共实测点,其中合格点,不合格点,合格点率%施工单位检查评定结果经检查,该检验批中主控项目符合规范规定,一般项目满足设计要求,施工质量好,资料完整,评为合格。项目专业质量检查员:项目专业质量(技术)负责人:年月日城镇道路-002监理(建设)单位验收结论经检查,该检验批中主控项目和一般项目均符合设计及规范规定要求,施工质量好,资料完整,允许进入下道工序施工。监理工程师(建设单位项目技术负责人):年月日城镇道路-003填石方路基检验批质量验收记录工程名称分项工程名称验收部位施工单位专业工长项目负责人分包单位分包负责人施工班组长施工执行标准名称及编号城镇道路工程施工与质量验收规范CJJ1-2008验收规范的规定施工单位检查评定记录监理(建设)单位验收记录主控项目1压实密度应符合试验路段确定的施工工艺,沉降差不应大于试验路段确定的沉降差。第6.8.2条第2款压实密度及沉降均符合试验路段标准。经检查,该段压实度及沉降均按试验路段标准施工并检测。一般项目1路床顶面应嵌缝牢固,表面均匀、平整、稳定,无推移、浮石。第6.8.2条第2款路床顶面嵌缝牢固,表面均匀、平整、稳定、无推移、浮石等现象。经检查,一般项目符合设计及规范规定要求;现场监理共实测点,合格点,合格点率%。2边坡应稳定、平顺,无松石。第6.8.2条第2款项目允许偏差实测值3路床纵断高程(mm)-20,+104路床中线偏位(mm)≤305路床平整度(mm)≤206路床宽度(mm)不小于设计值+B7路床横坡(%)±0.3%且不反坡8边坡不陡于设计值共实测点,其中合格点,不合格点,合格点率%施工单位检查评定结果经检查,该检验批中,主控项目符合试验路段标准,一般项目符合设计及规范规定要求,施工质量好,资料完整,评为合格。项目专业质量检查员:项目专业质量(技术)负责人:年月日城镇道路-004监理(建设)单位验收结论经检查,该检验批中主控项目和一般项目均符合设计及规范规定要求,施工质量好,资料完整,允许进入下道工序施工。监理工程师(建设单位项目技术负责人):年月日路...

1、当您付费下载文档后,您只拥有了使用权限,并不意味着购买了版权,文档只能用于自身使用,不得用于其他商业用途(如 [转卖]进行直接盈利或[编辑后售卖]进行间接盈利)。
2、本站所有内容均由合作方或网友上传,本站不对文档的完整性、权威性及其观点立场正确性做任何保证或承诺!文档内容仅供研究参考,付费前请自行鉴别。
3、如文档内容存在违规,或者侵犯商业秘密、侵犯著作权等,请点击“违规举报”。

碎片内容

道路检验批填写模板

您可能关注的文档

确认删除?
VIP
微信客服
  • 扫码咨询
会员Q群
  • 会员专属群点击这里加入QQ群
客服邮箱
回到顶部