电脑桌面
添加小米粒文库到电脑桌面
安装后可以在桌面快捷访问

单位工程质量竣工验收记录(路灯)VIP免费

单位工程质量竣工验收记录(路灯)_第1页
1/4
单位工程质量竣工验收记录(路灯)_第2页
2/4
单位工程质量竣工验收记录(路灯)_第3页
3/4
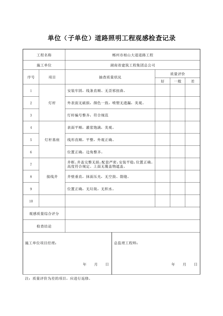
单位(子单位)道路照明工程质量竣工验收记录编号:工程名称郴州市相山大道道路工程结构类型/层数/建筑面积m施工单位湖南省建筑工程集团总公司技术负责人开工日期年月日项目经理朱卫航项目技术负责人阳继承竣工日期年月日序号项目验收记录验收结论1分部工程共分部,经查分部,符合标准及设计要求分部2质量控制资料核查共项,经审查符合要求项,经核定符合规范要求项3安全和主要使用功能核查及抽查结果共核查项,符合要求项,共抽查项,符合要求项,经返工处理符合要求项4观感质量验收共抽查项,符合要求项,不符合要求项5综合验收结论参加验收单位施工单位设计单位监理单位建设单位(公章)(公章)(公章)(公章)单位负责人:单位(项目)负责人:总监理工程师:单位(项目)负责人:年月日年月日年月日年月日注:单位(子单位)工程质量验收合格应符合;所含分部(子分部)工程的质量均应验收合格;质量控制资料应完整;所含分部工程有关安全和功能的检测资料应完整;主要功能项目的抽查结果应符合相关专业质量验收规范的规定;观感质量验收应符合要求。单位(子单位)工程质量的验收均应在施工单位自行检查评定、监理(建设)单位验收合格的基础上进行,参加验收的各方人员应具备规定的技术资格。验收记录由施工单位填写,验收结论由监理(建设)单位填写,综合验收结论由参加验收各方共同商定建设单位填写,应对工程质量是否符合设计和规范要求及总体质量水平作出评价。单位(子单位)道路照明工程安全和功能性检验资料及主要功能抽查记录工程名称:郴州市相山大道道路工程施工单位:湖南省建筑工程集团总公司序号安全和功能检查项目资料核查意见功能抽查结果1路灯保护接地(防雷接地)电阻的检验测试记录2路灯电缆线路绝缘电阻检验测试记录3管道通棒试验记录4混凝土试块抗压强度试验汇总5灯杆焊接无损检测汇总6路灯保护接地(防雷接地)电阻的检验测试记录7路灯电缆线路绝缘电阻检验测试记录结论:施工单位项目经理:年月日总监理工程师:年月日单位(子单位)道路照明工程观感检查记录工程名称郴州市相山大道道路工程施工单位湖南省建筑工程集团总公司序号项目抽查质量状况质量评价好一般差1灯杆安装牢固,线条直顺、无歪邪扭曲。2外表面无破损,颜色一致,喷塑无遗漏,美观。3灯杆编号整齐,符合规范4灯杆基座表面平顺,灌浆饱满,美观。5线形直顺,平整,外观正确。6位置正确,边角整齐。7接线井井框、井盖完整无损,配套严密,安装平稳,位置正确。高度符合规定。上面无覆盖物遮盖。8井壁垂直,抹面压光,无空鼓、裂缝。9位置正确,无垃圾,无积水。10观感质量综合评分检查结论施工单位项目经理:年月日总监理工程师:年月日注:质量评价为差的项目,应进行返修。单位(子单位)道路照明工程质量控制资料核查表工程名称:郴州市相山大道道路工程施工单位:湖南省建筑工程集团总公司序号项目资料文件名称份数核查意见1材质质量保证资料钢筋、水泥、砂石、砖、砼预制件、商品混凝土、管材、井框、井盖、焊条焊剂灯杆、灯具、光源、镇流器、配电箱(柜)电线、电缆2施工检测土壤压实度试验记录,砼试块、砂浆试块配合比报告及抗压强度性能试验报告钢筋连接检(试)验报告3钢筋连接检(试)验报告路灯保护接地(防雷接地)电阻的检验测试记录路灯电缆线路绝缘电阻检验测试记录管道通棒试验记录4施工测量现场交桩和测量复核记录、定线(坐标)测量、水准测量、竣工测量5施工技术管理施工组织设计、图纸会审技术交底、施工技术交底记录、设计变更、洽商记录工程质量事故及事故调查处理资料施工日记6验收记录分项、分部(子分部)、单位(子单位)工程质量验收记录,隐蔽工程验收记录7施工记录砼施工记录、防腐层质量检查记录、预检工程检查记录、构件吊装施工记录其他相关施工记录、道路照明现场测量报告表8竣工图结论:施工单位项目经理:年月日总监理工程师:年月日

1、当您付费下载文档后,您只拥有了使用权限,并不意味着购买了版权,文档只能用于自身使用,不得用于其他商业用途(如 [转卖]进行直接盈利或[编辑后售卖]进行间接盈利)。
2、本站所有内容均由合作方或网友上传,本站不对文档的完整性、权威性及其观点立场正确性做任何保证或承诺!文档内容仅供研究参考,付费前请自行鉴别。
3、如文档内容存在违规,或者侵犯商业秘密、侵犯著作权等,请点击“违规举报”。

碎片内容

单位工程质量竣工验收记录(路灯)

确认删除?
VIP
微信客服
  • 扫码咨询
会员Q群
  • 会员专属群点击这里加入QQ群
客服邮箱
回到顶部