电脑桌面
添加小米粒文库到电脑桌面
安装后可以在桌面快捷访问

机械制图课程水平测试卷(样卷3)VIP专享VIP免费

机械制图课程水平测试卷(样卷3)_第1页
1/9
机械制图课程水平测试卷(样卷3)_第2页
2/9
机械制图课程水平测试卷(样卷3)_第3页
3/9
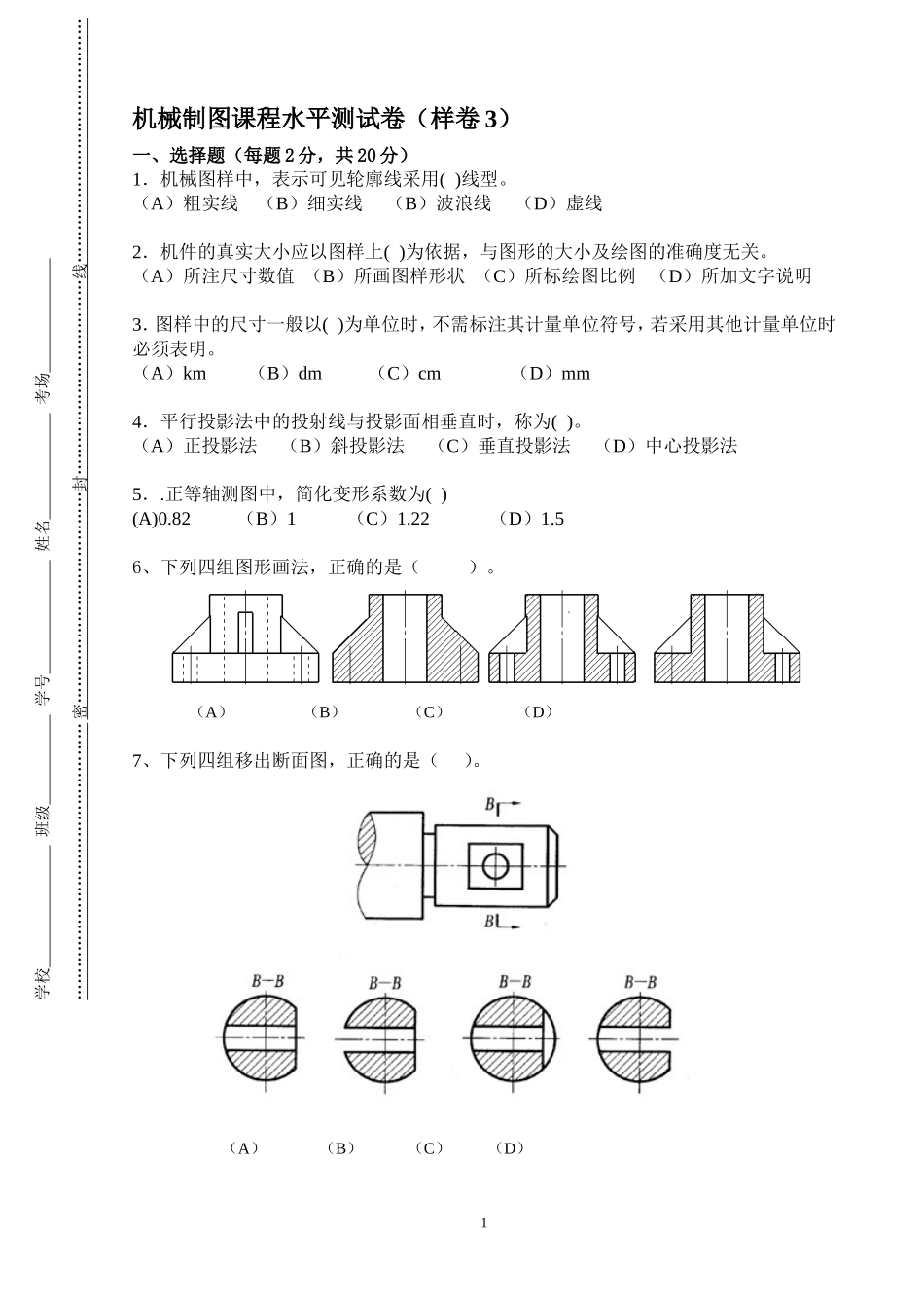
学校班级学号姓名考场……………………………………………密…………………………………封………………………………线………………………………………机械制图课程水平测试卷(样卷3)一、选择题(每题2分,共20分)1.机械图样中,表示可见轮廓线采用()线型。(A)粗实线(B)细实线(B)波浪线(D)虚线2.机件的真实大小应以图样上()为依据,与图形的大小及绘图的准确度无关。(A)所注尺寸数值(B)所画图样形状(C)所标绘图比例(D)所加文字说明3.图样中的尺寸一般以()为单位时,不需标注其计量单位符号,若采用其他计量单位时必须表明。(A)km(B)dm(C)cm(D)mm4.平行投影法中的投射线与投影面相垂直时,称为()。(A)正投影法(B)斜投影法(C)垂直投影法(D)中心投影法5..正等轴测图中,简化变形系数为()(A)0.82(B)1(C)1.22(D)1.56、下列四组图形画法,正确的是()。(A)(B)(C)(D)7、下列四组移出断面图,正确的是()。(A)(B)(C)(D)18、已知物体的三视图,正确的轴测图是()。9、已知物体的主、俯视图,正确的左视图是()。10、已知圆柱截切后的主、俯视图,正确的左视图是()。2(A)(B)(C)(D)二、画出主视图的半剖视图。(10分)三、根据三视图画出正等轴测图(10分)3四、补图补线(每题5分,共15分)2、3、4五、读零件图(每空1分,共30分)(1)法兰盘零件图1、Φ20H7()孔的上偏差为,下偏差为,公差为。2、Φ20H7孔内表面Ra上限值为,4×Φ8通孔内表面的Ra上限值为。3、表示被测要素为基准要素为,公差项目为,公差值为。4、零件材料为。5、法兰盘左端外形是,其尺寸为;右端外形是,其尺寸为。5名称数量法兰盘材料比例:通孔其余6、左视图中的符号“=”表示该图形左、右。67(2)模板零件图1.主视图采用了剖视,用的剖切平面剖切。2.尺寸Ф18H7(),上偏差为下偏差为,公差为。为孔。54尺寸未标注极限偏差,有无极限偏差(填有或无)。3.M6表示螺纹,螺距为。4.该零件的高度方向尺寸基准为。5.零件上表面精度要求最高的是面,Ra为。6.图中两个形位公差框格的被测要素分别为,;基准要素均为。六、读铣刀头装配图(每空1分,共15分)1、铣刀头由种零件组成,其中有种标准件。2、图中拆去零件1、2、3、4是画法。3、图中7号件、3号件采用号件周向固定,采用,号件轴向固定。4、图中11号件的作用是。5、图中φ120H7/f6表示号件与号件的配合,是制配合。6、Φ190是尺寸,190是尺寸。安装尺寸有,。89

1、当您付费下载文档后,您只拥有了使用权限,并不意味着购买了版权,文档只能用于自身使用,不得用于其他商业用途(如 [转卖]进行直接盈利或[编辑后售卖]进行间接盈利)。
2、本站所有内容均由合作方或网友上传,本站不对文档的完整性、权威性及其观点立场正确性做任何保证或承诺!文档内容仅供研究参考,付费前请自行鉴别。
3、如文档内容存在违规,或者侵犯商业秘密、侵犯著作权等,请点击“违规举报”。

碎片内容

机械制图课程水平测试卷(样卷3)

确认删除?
VIP
微信客服
  • 扫码咨询
会员Q群
  • 会员专属群点击这里加入QQ群
客服邮箱
回到顶部