电脑桌面
添加小米粒文库到电脑桌面
安装后可以在桌面快捷访问

临时用电计算标准VIP免费

临时用电计算标准_第1页
1/9
临时用电计算标准_第2页
2/9
临时用电计算标准_第3页
3/9
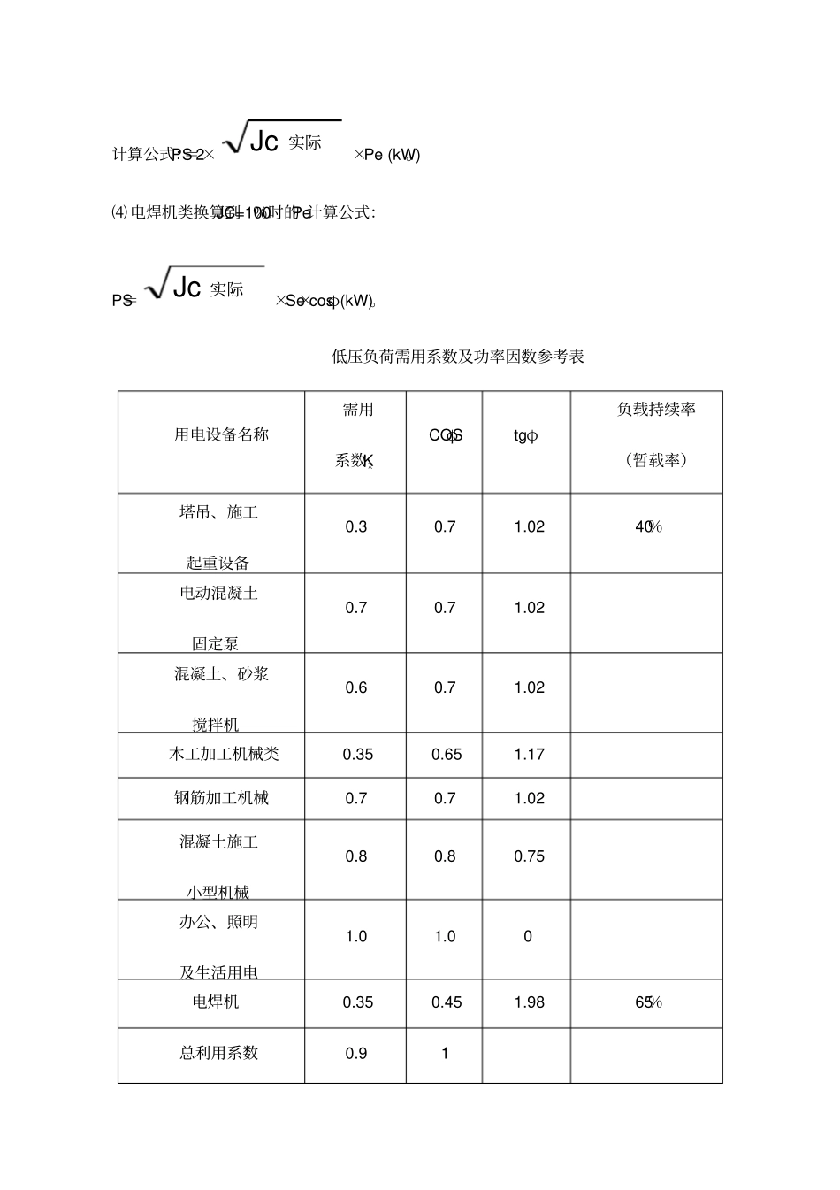
建筑工程施工临时用电基本计算方法根据JGJ46-2005《施工现场临时用电安全技术规程》要求,建筑工程施工现场开工前应进行用电负荷计算,由于施工现场用电负荷较集中且电压波动较大,目前施工现场临时用电很多人都是凭经验盲目选择导线、变压器和电器元件,即造成了经济浪费又存在安全隐患。为了确保计算准确,故要求在计算施工现场临时用电时应采用需用系数法(分组法)进行计算,以便准确地选择电气元件、导线等,确保施工用电安全。计算公式如下:⑴单一分组时计算公式:有功功率计算负荷:Pjs=Kx×Pe(kW);无功功率计算负荷:Qjs=Pjs×tgφ(kVar);视在功率计算负荷Sjs=Pjs+Qjs(kVA);计算负荷电流Ijs=0.383Sjs(A)。⑵多分组时计算公式:查表得出cosφ和K∑系数有功功率计算负荷:Pjs=K∑(Pjs1+Pjs1++⋯⋯Pjsn)(kW);无功功率计算负荷:Qjs=K∑(Qjs1+Qjs1++⋯⋯Qjsn)(kVar);视在功率计算负荷Sjs2=Pjs2+Qjs2(kVA);计算负荷电流Ijs=0.383Sjs(A)。⑶起重设备容量换算到JC=25%时的Pe计算公式:PS=2×实际Jc×Pe(kW)。⑷电焊机类换算到JC=100%时的Pe计算公式:PS=实际Jc×Se×cosφ(kW)。低压负荷需用系数及功率因数参考表用电设备名称需用系数KχCOSφtgφ负载持续率(暂载率)塔吊、施工起重设备0.30.71.0240%电动混凝土固定泵0.70.71.02混凝土、砂浆搅拌机0.60.71.02木工加工机械类0.350.651.17钢筋加工机械0.70.71.02混凝土施工小型机械0.80.80.75办公、照明及生活用电1.01.00电焊机0.350.451.9865%总利用系数0.91举例说明:某工地用电设备见下表,并选择导线及变压器、总隔离开关、总漏电开关、总电度表、电流互感器等。此举例工程负荷计算仅供参考,根据计算方法结合工程实际情况及负荷要求,请按此步骤进行计算。注:导线选择可按“持续载流量表”查得,电气元件可按手册查得。电压损失△U=7%、导线环境温度按65℃考虑。所选电缆为直埋式,导线为架空式。主要施工临时用电设备表序号机械名称型号单位数量功率(kW)/台分组名称1塔吊F023B台150kW起重类设备2施工电梯SLD-100台225kW3电动砼拖式泵HB7-60-82台270kW电动泵类4混凝土搅拌机YC-350台213kW建筑搅拌机类5砂浆搅拌机JGC-350台23kW6木工圆锯机MJ104台61.5kW木工加工类机械7木工平刨机MB506B台23kW8木材切割机B50B台20.8kW9钢筋弯曲机GW40-1台23kW钢筋加工类机械10钢筋切断机QJ40-1台15kW11钢筋调直机TQ-18台19kW12钢筋连接机械40系列台85kW序号机械名称型号单位数量功率(kW)/台分组名称13平板振动器PZ-10台62kW混凝土小型机械类14插入式振动器ZG50台101kW15电焊机BX3-500台630kVA电焊机类16生活、照明用电15kW照明用电㈠依据表中数据,采取需用系数法(分组法)计算用电负荷,并选择变压器:⑴已知条件:塔吊1台、施工电梯2台,根据所提供的数据查得:KX=0.3cosφ=0.7tgφ=1.02JC=40%(暂载率)即:Pe=∑Pe=1×50+2×25=100(kW)折算后功率:PS=2×实际Jc×Pe=2×4.0×(1×50+2×25)=126.5(kW)Pjs1=Kx×PS=0.3×126.5=37.95(kW)Qjs1=tgφ×Pjs1=1.02×37.95=38.7(kVar)⑵已知条件:电动混凝土固定泵2台,根据所提供的数据查得:KX=0.7cosφ=0.7tgφ=1.02Pe=∑Pe=2×70=140kWPjs2=KX×Pe=0.7×140=98kWQjs2=tgφ×Pjs2=1.02×98=99.96(kVar)⑶已知条件:混凝土、砂浆搅拌机械(4台),根据所提供的数据查得:KX=0.6cosφ=0.7tgφ=1.02Pe=∑Pe=2×3+2×13=32(kW)Pjs3=KX×Pe=0.6×32=19.2(kW)Qjs3=tgφ×Pjs3=1.02×19.2=19.58(kVar)⑷已知条件:木工机械累计功率(10台):根据所提供的数据查得:KX=0.35cosφ=0.65tgφ=1.17Pe=∑Pe=2×0.8+6×1.5+2×3=16.6(kW)Pjs4=KX×Pe=0.35×16.6=5.81(kW)Qjs4=tgφ×Pjs4=1.17×5.81=6.8(kVar)⑸已知条件:钢筋加工机械累机械(12台),根据所提供的数据查得:KX=0.7cosφ=0.7tgφ=1.02Pe=∑Pe=2×3+5+9+5×8=60(kW)Pjs5=KX×Pe=0.7×60=42(kW)Qjs5=tgφ×Pjs5=1.02×14=42.84(kVar)实际JcKX=0.8cosφ=0.8tgφ=0.75Pe=∑Pe=6×2+10...

1、当您付费下载文档后,您只拥有了使用权限,并不意味着购买了版权,文档只能用于自身使用,不得用于其他商业用途(如 [转卖]进行直接盈利或[编辑后售卖]进行间接盈利)。
2、本站所有内容均由合作方或网友上传,本站不对文档的完整性、权威性及其观点立场正确性做任何保证或承诺!文档内容仅供研究参考,付费前请自行鉴别。
3、如文档内容存在违规,或者侵犯商业秘密、侵犯著作权等,请点击“违规举报”。

碎片内容

临时用电计算标准

您可能关注的文档

确认删除?
VIP
微信客服
  • 扫码咨询
会员Q群
  • 会员专属群点击这里加入QQ群
客服邮箱
回到顶部