电脑桌面
添加小米粒文库到电脑桌面
安装后可以在桌面快捷访问

一点一练(全国通用)高考化学总复习 专题三十七 有机综合实验专题演练-人教版高三全册化学试题VIP免费

一点一练(全国通用)高考化学总复习 专题三十七 有机综合实验专题演练-人教版高三全册化学试题_第1页
1/9
一点一练(全国通用)高考化学总复习 专题三十七 有机综合实验专题演练-人教版高三全册化学试题_第2页
2/9
一点一练(全国通用)高考化学总复习 专题三十七 有机综合实验专题演练-人教版高三全册化学试题_第3页
3/9
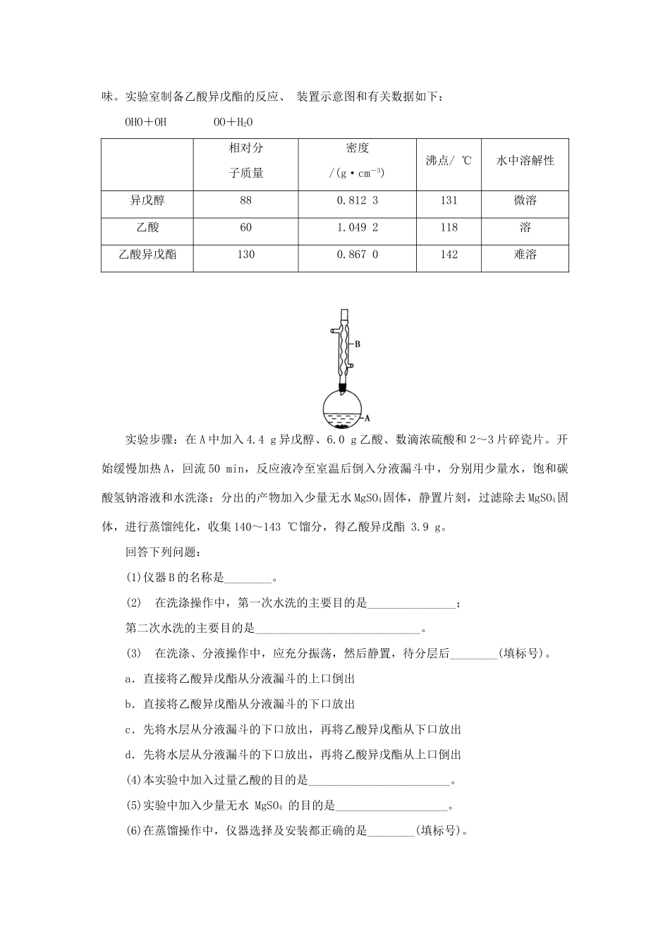
题型集训37有机综合实验两年高考真题演练1.(2015·江苏化学,21B)实验室以苯甲醛为原料制备间溴苯甲醛(实验装置见下图,相关物质的沸点见附表)。其实验步骤为:附表相关物质的沸点(101kPa)物质沸点/℃物质沸点/℃溴58.81,2二氯乙烷83.5苯甲醛179间溴苯甲醛229步骤1:将三颈瓶中的一定配比的无水AlCl3、1,2二氯乙烷和苯甲醛充分混合后,升温至60℃,缓慢滴加经浓H2SO4干燥过的液溴,保温反应一段时间,冷却。步骤2:将反应混合物缓慢加入一定量的稀盐酸中,搅拌、静置、分液。有机相用10%NaHCO3溶液洗涤。步骤3:经洗涤的有机相加入适量无水MgSO4固体,放置一段时间后过滤。步骤4:减压蒸馏有机相,收集相应馏分。(1)实验装置中冷凝管的主要作用是________________________,锥形瓶中的溶液应为________。(2)步骤1所加入的物质中,有一种物质是催化剂,其化学式为________________________________________________________________________。(3)步骤2中用10%NaHCO3溶液洗涤有机相,是为了除去溶于有机相的________(填化学式)。(4)步骤3中加入无水MgSO4固体的作用是________。(5)步骤4中采用减压蒸馏技术,是为了防止________。2.(2014·课标全国Ⅰ,26)乙酸异戊酯是组成蜜蜂信息素的成分之一,具有香蕉的香味。实验室制备乙酸异戊酯的反应、装置示意图和有关数据如下:OHO+OHOO+H2O相对分子质量密度/(g·cm-3)沸点/℃水中溶解性异戊醇880.8123131微溶乙酸601.0492118溶乙酸异戊酯1300.8670142难溶实验步骤:在A中加入4.4g异戊醇、6.0g乙酸、数滴浓硫酸和2~3片碎瓷片。开始缓慢加热A,回流50min,反应液冷至室温后倒入分液漏斗中,分别用少量水,饱和碳酸氢钠溶液和水洗涤;分出的产物加入少量无水MgSO4固体,静置片刻,过滤除去MgSO4固体,进行蒸馏纯化,收集140~143℃馏分,得乙酸异戊酯3.9g。回答下列问题:(1)仪器B的名称是________。(2)在洗涤操作中,第一次水洗的主要目的是_______________;第二次水洗的主要目的是____________________________。(3)在洗涤、分液操作中,应充分振荡,然后静置,待分层后________(填标号)。a.直接将乙酸异戊酯从分液漏斗的上口倒出b.直接将乙酸异戊酯从分液漏斗的下口放出c.先将水层从分液漏斗的下口放出,再将乙酸异戊酯从下口放出d.先将水层从分液漏斗的下口放出,再将乙酸异戊酯从上口倒出(4)本实验中加入过量乙酸的目的是________________________。(5)实验中加入少量无水MgSO4的目的是___________________。(6)在蒸馏操作中,仪器选择及安装都正确的是________(填标号)。(7)本实验的产率是________(填标号)。a.30%b.40%c.60%d.90%(8)在进行蒸馏操作时,若从130℃便开始收集馏分,会使实验的产率偏____________(填“高”或“低”),其原因是____________________________________。题型集训37有机综合实验一年模拟试题精练1.(2015·廊坊质量监测)对硝基甲苯是医药、染料等工业的一种重要有机中间体,它常以浓硝酸为硝化剂,浓硫酸为催化剂,通过甲苯的硝化反应制备。一种新的制备对硝基甲苯的实验方法是:以发烟硝酸为硝化剂,固体NaHSO4为催化剂(可循环使用),在甲苯的CCl4溶液中,加入乙酸酐[(CH3CO)2O,有脱水作用],45℃反应1h(如图所示)。反应结束后过滤,滤液分别用5%NaHCO3溶液和水洗涤至中性,再经分离、提纯得到对硝基甲苯。CH3――→NO2CH3+CH3NO2+CH3NO2(1)滤液用5%NaHCO3溶液处理的目的是________________________________________________________________________________________________________________________________________________。(2)滤液在分液漏斗中洗涤静置后,分离出有机层的操作是________________________________________________________________________________________________________________________________________________。(3)下列给出了催化剂种类及用量对甲苯硝化反应影响的实验结果。催化剂n(催化剂)/n(甲苯)硝化产物中各种异构体质量分数(%)总产率(%)对硝基甲苯邻硝基甲苯间硝基甲苯浓H2SO41.035.660.24.298.01.236.559.54.099.8NaHSO40.1544.655.10.398.90....

1、当您付费下载文档后,您只拥有了使用权限,并不意味着购买了版权,文档只能用于自身使用,不得用于其他商业用途(如 [转卖]进行直接盈利或[编辑后售卖]进行间接盈利)。
2、本站所有内容均由合作方或网友上传,本站不对文档的完整性、权威性及其观点立场正确性做任何保证或承诺!文档内容仅供研究参考,付费前请自行鉴别。
3、如文档内容存在违规,或者侵犯商业秘密、侵犯著作权等,请点击“违规举报”。

碎片内容

一点一练(全国通用)高考化学总复习 专题三十七 有机综合实验专题演练-人教版高三全册化学试题

您可能关注的文档

确认删除?
VIP
微信客服
  • 扫码咨询
会员Q群
  • 会员专属群点击这里加入QQ群
客服邮箱
回到顶部