电脑桌面
添加小米粒文库到电脑桌面
安装后可以在桌面快捷访问

九年级物理上学期12月月考试卷 新人教版试卷VIP免费

九年级物理上学期12月月考试卷 新人教版试卷_第1页
1/13
九年级物理上学期12月月考试卷 新人教版试卷_第2页
2/13
九年级物理上学期12月月考试卷 新人教版试卷_第3页
3/13
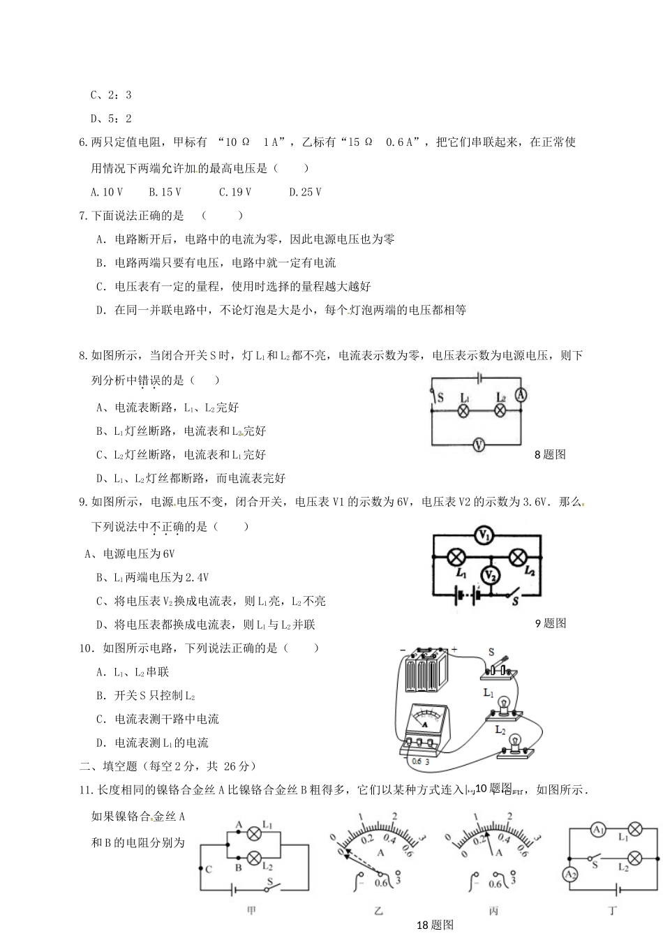
3题图内蒙古翁牛特旗乌丹镇2018届九年级物理上学期12月月考试题考试时间:70分钟满分:90分题号一二三四总分得分一、选择题(每题3分,共30分)1.根据欧姆定律公式I=U/R,可变形得到R=U/I,下列说法中正确的是()A、流过导体的电流越大,则电阻越小B、某段导体两端电压为0时,其电阻为0C、导体两端的电压跟通过导体电流的比值等于这段导体的电阻D、导体电阻的大小跟导体两端的电压成正比,跟通过导体的电流成反比2.甲、乙、丙、丁四个带电轻小物体,已知丁与丝绸摩擦过的玻璃棒所带电荷相同,甲和丙互相排斥,丙和乙互相吸引,而乙和丁也互相排斥,则()A、甲、丙带正电,乙带负电B、甲、丙带负电,乙带正电C、乙、丙带正电,甲带负电D、丙或乙可能不带电3.在如图甲所示的电路中,当闭合开关后,两个电流表指针偏转均为图乙所示,则电阻R1和R2中的电流分别为()A、1.2A,0.22AB、0.98A,0.22AC、0.24A,1.2AD、0.96A,0.24A4.新交通法规于2013年1月1日施行,驾驶员不系安全带记3分,罚100元.汽车上设置了“安全带指示灯”,提醒驾驶员系好安全带.当安全带系好时,相当于闭合开关,指示灯不亮;安全带未系好时,相当于断开开关,指示灯发光.图中符合上述要求的电路图是()5.如图所示的电器中,电源电压不变,当开关S闭合,甲、乙两表都为电压表时,两表的示数之比U甲:U乙=5:3;当开关S断开,甲、乙两表都为电流表时,两表的示数之比I甲:I乙是()A、3:5B、2:5ABCD4题图5题图C、2:3D、5:26.两只定值电阻,甲标有“10Ω1A”,乙标有“l5Ω0.6A”,把它们串联起来,在正常使用情况下两端允许加的最高电压是()A.10VB.15VC.19VD.25V7.下面说法正确的是()A.电路断开后,电路中的电流为零,因此电源电压也为零B.电路两端只要有电压,电路中就一定有电流C.电压表有一定的量程,使用时选择的量程越大越好D.在同一并联电路中,不论灯泡是大是小,每个灯泡两端的电压都相等8.如图所示,当闭合开关S时,灯L1和L2都不亮,电流表示数为零,电压表示数为电源电压,则下列分析中错误的是()A、电流表断路,L1、L2完好B、L1灯丝断路,电流表和L2完好C、L2灯丝断路,电流表和L1完好D、L1、L2灯丝都断路,而电流表完好9.如图所示,电源电压不变,闭合开关,电压表V1的示数为6V,电压表V2的示数为3.6V.那么下列说法中不正确的是()A、电源电压为6VB、L1两端电压为2.4VC、将电压表V2换成电流表,则L1亮,L2不亮D、将电压表都换成电流表,则L1与L2并联10.如图所示电路,下列说法正确的是()A.L1、L2串联B.开关S只控制L2C.电流表测干路中电流D.电流表测L1的电流二、填空题(每空2分,共26分)11.长度相同的镍铬合金丝A比镍铬合金丝B粗得多,它们以某种方式连入同一个电路,如图所示.如果镍铬合金丝A和B的电阻分别为9题图8题图10题图18题图RA和RB,此时通过它们的电流分别为IA和IB,则有RARB,IAIB.(选填“>”、“=”或“<”)12.白炽灯用久了灯丝会变细,灯丝电阻会变;滑动变阻器是通过改变连入电路中电阻丝的来改变电阻的.13.一段导体两端电压为l2V,导体中的电流是2A;如果电压降为6V,导体中的电流是______A;电压降低为0,导体的电阻等于______Ω。14.如图所示的电路中,当闭合开关S后,电路正常工作.两只电压表指针位置均为图乙所示,则电阻R1两端电压是V,R2两端电压是V.15.有一只小灯泡正常发光时灯丝的电阻是6Ω,正常工作时电压是3V.如果我们只有电压为8V的电源,要使小灯泡正常工作,需串联一个______Ω的电阻.16.如图所示的电路中闭合开关,电压表V1的示数是7.5V,电压表V2的示数为9V,若电源电压为12V,则L2两端电压是.17.如图甲所示电路,电源电压不变.闭合开关后,滑片P由b端滑到a端,电压表示数U与电流表示数I的变化关系如图乙所示,则可判断电源电压是V,定值电阻R的阻值是Ω,滑动变阻器的最大阻值为Ω.三、实验探究题(18题12分,19题10分,共22分)18.小明在探究并联电路电流规律的实验中,如图甲是实验的电路图.(1)在连接电路时发现,刚接好最后一根导线,表的指针就发生了偏转,由此可知在连接电路时,他忘了.(2)他先将电流表...

1、当您付费下载文档后,您只拥有了使用权限,并不意味着购买了版权,文档只能用于自身使用,不得用于其他商业用途(如 [转卖]进行直接盈利或[编辑后售卖]进行间接盈利)。
2、本站所有内容均由合作方或网友上传,本站不对文档的完整性、权威性及其观点立场正确性做任何保证或承诺!文档内容仅供研究参考,付费前请自行鉴别。
3、如文档内容存在违规,或者侵犯商业秘密、侵犯著作权等,请点击“违规举报”。

碎片内容

九年级物理上学期12月月考试卷 新人教版试卷

您可能关注的文档

确认删除?
VIP
微信客服
  • 扫码咨询
会员Q群
  • 会员专属群点击这里加入QQ群
客服邮箱
回到顶部