电脑桌面
添加小米粒文库到电脑桌面
安装后可以在桌面快捷访问

初三物理学业考试模拟考试卷 新课标 试题VIP免费

初三物理学业考试模拟考试卷 新课标 试题_第1页
1/8
初三物理学业考试模拟考试卷 新课标 试题_第2页
2/8
初三物理学业考试模拟考试卷 新课标 试题_第3页
3/8
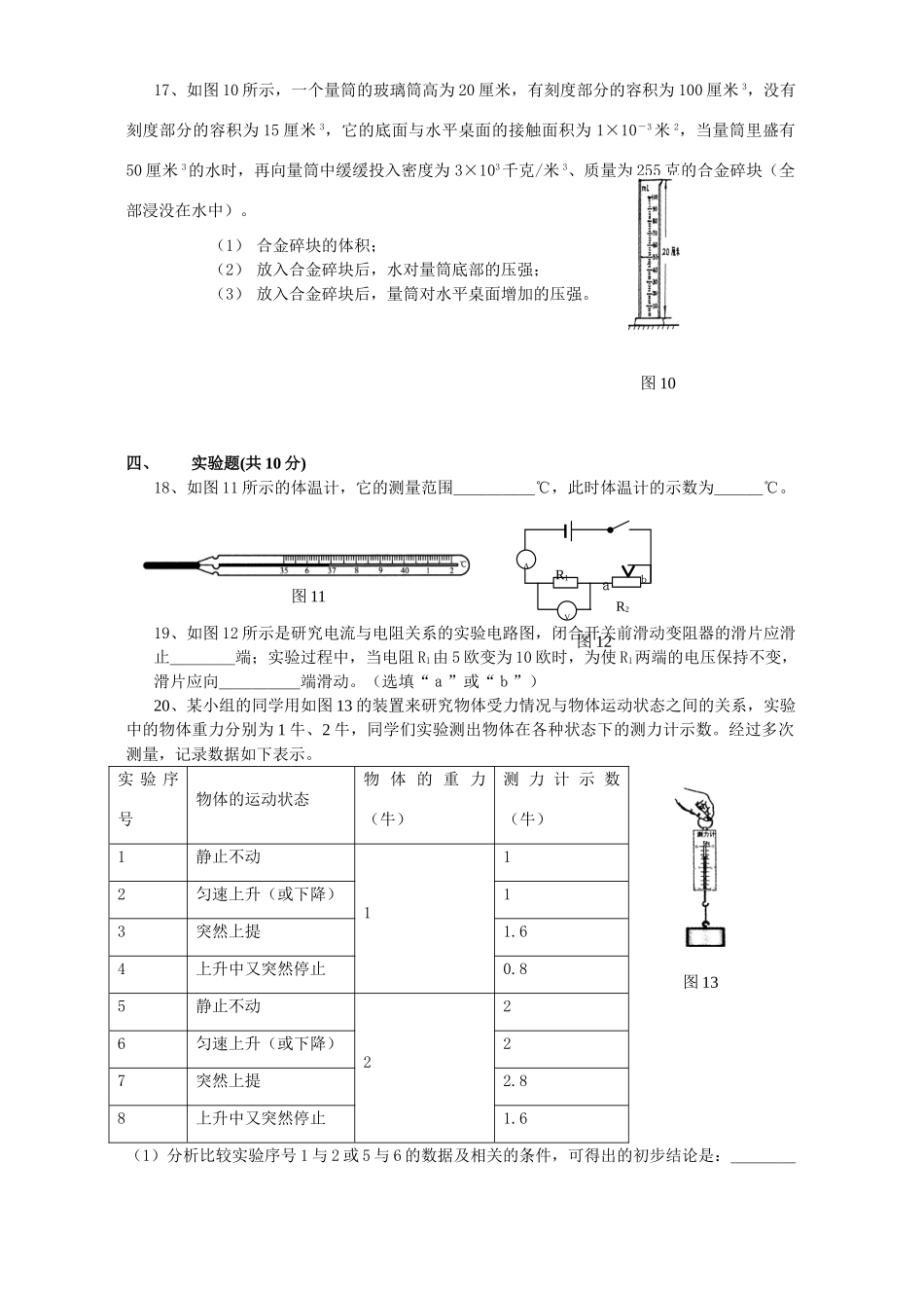
上海市金山区2006年初三物理学业考试模拟考试卷(理化合卷,满分150分,考试时间100分钟)考生注意:物理部分第五大题分为两组,A组适合学习一期教材的学生,B组适合二期试验教材的学生。一、填空题(共30分)1、我国家庭电路的电压为___伏,家用电器都是___联连接的(选填“串”或“并”)。2、水中的游泳池底部斜看起来比实际深度浅,这是光的______现象。3、冬天晒太阳取暖是通过_____方式来增加人体的内能。4、骑自行车的同学以路旁的树木为参照物时,他认为自己是____的(选填“静止”或“运动”)。5、如图1所示,建筑工人用滑轮提升重为200牛的重物,不计滑轮的重和摩擦,若工人在5秒内将绳子匀速向下拉6米,手拉绳子的力为______牛,拉力做功为________焦,拉力的功率为瓦。物体在上升过程中,他的动能_________,势能_________(选填“增大”、“减小”或“不变”)。6、2006年全国汽车拉力锦标赛在金山区举行,小王和小明两人结伴去观看,小王估算5秒钟内赛车通过的路程200米,则赛车的速度是____米/秒;小明也发现了一个问题,人群都站在赛段弯道内侧A区观看,非常拥挤,如图2所示。请你分析人们为什么不到弯道外侧B区的物理理由:________________________________________。7、3月12日小李同学参加了农业园区的植树节活动。他领到了一把铲子,如图3(a)所示,而且利用铲子在图3(b)、(c)的两种方式工作时即省力又有效,请你指出其中的图___是利用了物理中的________________的原理进行工作的。8、体积为100米3的热气球在空气中受到的浮力为____牛。若它自身的重力是588牛,则该热气球还能载重____牛(空气的密度为1.29千克/米3)9、下表是某型号抽油烟机的主要技术参数,这台抽油烟机正常工作时通过它的电流是___安,工作0.5小时耗电为度。10、如图4所示电路,电源电压为6伏,电阻R2为10欧,滑动变阻器R1的最大阻值是20欧,当滑片P移到a端时,电压表读数是_____伏,当滑片P移到b端时,电压表读数是_____伏。二、作图题(共12分)11、如图5所示,物体重为20牛放在水平地面上,请用力的图示画出物体受到的重力。额定电压(伏)220额定频率(赫兹)50额定功率(瓦)180图6ABMNA区B区图2FG图1图3(a)(b)(c)图412、请根据平面镜成像的特点,在图6中画出物体AB在平面镜MN中所成的像AB。13、在图7所示的电路中,请根据导线中的电流方向,在空缺处填入电池、电键和电压表,使两灯L1和L2串联,并能同时发光,且能测出灯L2两端的电压。14、在图8中,根据电流方向,标出通电螺线管及小磁针的N、S极。三、计算题(共20分)15、太阳能是天然的、无污染的巨大能源。目前太阳能的用途及其广泛,太阳能热水器就是其中之一。若有一家用太阳能热水器储水150千克,通过太阳辐射热后储水器内水的温度由20℃升高到50℃。求:这些水吸收的热量。[水的比热容为4.2×103焦/(千克·℃),]16、如图9所示的电路图,已知电源电压为6伏,R1的阻值为2欧,R2的阻值为3欧、R3的阻值为6欧。求:(1)S1、S2都闭合时的电流表的示数;(2)S1、S2都打开时电路的总功率。AR1R2R3S1S2图9图5图8L1L2图717、如图10所示,一个量筒的玻璃筒高为20厘米,有刻度部分的容积为100厘米3,没有刻度部分的容积为15厘米3,它的底面与水平桌面的接触面积为1×10-3米2,当量筒里盛有50厘米3的水时,再向量筒中缓缓投入密度为3×103千克/米3、质量为255克的合金碎块(全部浸没在水中)。(1)合金碎块的体积;(2)放入合金碎块后,水对量筒底部的压强;(3)放入合金碎块后,量筒对水平桌面增加的压强。四、实验题(共10分)18、如图11所示的体温计,它的测量范围_____℃,此时体温计的示数为___℃。19、如图12所示是研究电流与电阻关系的实验电路图,闭合开关前滑动变阻器的滑片应滑止____端;实验过程中,当电阻R1由5欧变为10欧时,为使R1两端的电压保持不变,滑片应向_____端滑动。(选填“a”或“b”)20、某小组的同学用如图13的装置来研究物体受力情况与物体运动状态之间的关系...

1、当您付费下载文档后,您只拥有了使用权限,并不意味着购买了版权,文档只能用于自身使用,不得用于其他商业用途(如 [转卖]进行直接盈利或[编辑后售卖]进行间接盈利)。
2、本站所有内容均由合作方或网友上传,本站不对文档的完整性、权威性及其观点立场正确性做任何保证或承诺!文档内容仅供研究参考,付费前请自行鉴别。
3、如文档内容存在违规,或者侵犯商业秘密、侵犯著作权等,请点击“违规举报”。

碎片内容

初三物理学业考试模拟考试卷 新课标 试题

确认删除?
VIP
微信客服
  • 扫码咨询
会员Q群
  • 会员专属群点击这里加入QQ群
客服邮箱
回到顶部