电脑桌面
添加小米粒文库到电脑桌面
安装后可以在桌面快捷访问

了解电路习题精选VIP免费

了解电路习题精选_第1页
1/6
了解电路习题精选_第2页
2/6
了解电路习题精选_第3页
3/6
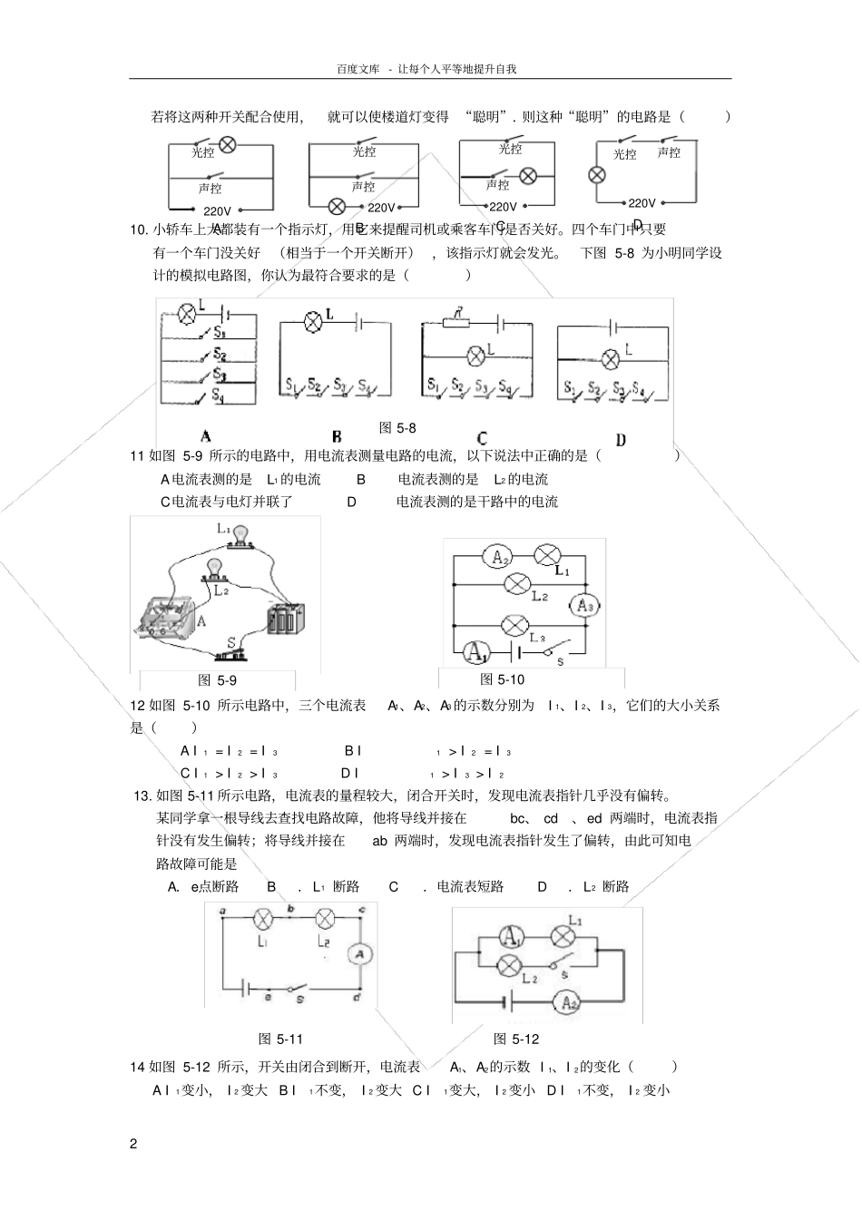
百度文库-让每个人平等地提升自我1了解电路习题精选一.选择1.下列现象不属于摩擦起电的是()A.在干燥的天气脱毛衣时会听到轻微的噼叭声B.化纤衣服穿在身上特别爱吸附灰尘C.用干净的塑料梳子梳头发时,头发会随梳子飘起D.擦黑板时粉笔灰四处飘落2、有两个用丝线悬吊的通草球,其中一个带电,另一个不带电,将两球靠近时,不可能发生的现象是()A、两球互相排斥B、两球互相吸引C、带电的靠近不带电D、不带电的靠近带电的3.如图所示,下列各电路图中,正确的是()4.如右上图所示,电压表测量的是()A.L1和电源两端电压两端的电压C.电源电压D.L1两端的电压5.下面的几种叙述中,哪一种是并联电路的特征?()A.电路中每一处的电流都相等B.电路中任何一处断开都会引起断路C.各条支路上的电压都相等D.电路上各部分电压之和等于总电压6.如图(1)是连入某电路的电流表的读数,正确的是()A.0.32AB.1.6AC.0.26AD.1.52A7.在图4A.所示电路中,当闭合开关后,两个电压表指针偏转均为图4B.所示,则电阻R1和R2两端的电压分别为:()A.,;B.6V,;C.,6V;D.,.8.在图所示的各电路中,两个灯泡属于并联的是()9.民楼的楼道里,夜间只是偶尔有人经过,电灯总是亮着造成很大浪费。科研人员利用“光敏”材料制成“光控开关”——天黑时,自动闭合,天亮时,自动断开;利用“声敏”材料制成“声控开关”——当有人走动发出声音时,自动闭合,无人走动时自动断开。百度文库-让每个人平等地提升自我2若将这两种开关配合使用,就可以使楼道灯变得“聪明”.则这种“聪明”的电路是()10.小轿车上大都装有一个指示灯,用它来提醒司机或乘客车门是否关好。四个车门中只要有一个车门没关好(相当于一个开关断开),该指示灯就会发光。下图5-8为小明同学设计的模拟电路图,你认为最符合要求的是()11如图5-9所示的电路中,用电流表测量电路的电流,以下说法中正确的是()A电流表测的是L1的电流B电流表测的是L2的电流C电流表与电灯并联了D电流表测的是干路中的电流12如图5-10所示电路中,三个电流表A1、A2、A3的示数分别为I1、I2、I3,它们的大小关系是()AI1=I2=I3BI1>I2=I3CI1>I2>I3DI1>I3>I213.如图5-11所示电路,电流表的量程较大,闭合开关时,发现电流表指针几乎没有偏转。某同学拿一根导线去查找电路故障,他将导线并接在bc、cd、ed两端时,电流表指针没有发生偏转;将导线并接在ab两端时,发现电流表指针发生了偏转,由此可知电路故障可能是A.e点断路B.L1断路C.电流表短路D.L2断路14如图5-12所示,开关由闭合到断开,电流表A1、A2的示数I1、I2的变化()AI1变小,I2变大BI1不变,I2变大CI1变大,I2变小DI1不变,I2变小图5-9图5-10图5-8图5-11图5-12220V220V220V220VABCD光控声控声控光控光控声控光控声控百度文库-让每个人平等地提升自我315.图13—13中,Ll和L2是两只完全相同的灯泡,当电流表Al的示数为0.4A时,电流表A2、A3的示数分别是().A.0.4A,0.4AB.0.8A,0.8AC.0.4A,0.8AD.0.8A,0.4A16.在图13—14中,三个电压表测量的读数分别为U1、U2、U3,则,三个电压之间的关系是().A.Ul=U2=U3B.Ul+U2=U3=U2U3二.填空1.将两个吹足了气的气球在手上或衣服上摩擦几下,然后将悬线提起,我们可以看到两个气球互相_____,其原因是_________________.2、用丝绸摩擦过的玻璃棒靠近碎纸屑,发现碎纸屑被吸引,这是由于;有的纸屑接触玻璃棒后“跳开”,这又是因为。3、一节普通干电池的电压为______________伏。在图13-1中,A端为干电池的______________极(选填“正”或“负”)。4.如图5-6甲所示电路中,电流表A1与A2指针指示的位置如图所示,则电流表A1所使用的量程为,读数是;电流表A2所使用的量程是,读数是,灯L1电流是。5.如图所示,在电路中,若甲乙两处分别装入电表,当开关闭合后,两灯均能正常发光,则处电表应该是电压表.(填甲或乙)6.如图a电路,S1闭合后,A1的示数,A的示数(填“变大”、“变小”或“不变”);图b中各电路元件的连接均正确,甲、乙为两个电表,请在图中填出电表的符号。7.所示的电路,电源电压为9v,当开关闭合时...

1、当您付费下载文档后,您只拥有了使用权限,并不意味着购买了版权,文档只能用于自身使用,不得用于其他商业用途(如 [转卖]进行直接盈利或[编辑后售卖]进行间接盈利)。
2、本站所有内容均由合作方或网友上传,本站不对文档的完整性、权威性及其观点立场正确性做任何保证或承诺!文档内容仅供研究参考,付费前请自行鉴别。
3、如文档内容存在违规,或者侵犯商业秘密、侵犯著作权等,请点击“违规举报”。

碎片内容

了解电路习题精选

您可能关注的文档

确认删除?
VIP
微信客服
  • 扫码咨询
会员Q群
  • 会员专属群点击这里加入QQ群
客服邮箱
回到顶部