电脑桌面
添加小米粒文库到电脑桌面
安装后可以在桌面快捷访问

九年级化学上学期第一次段考试卷 新人教版试卷VIP免费

九年级化学上学期第一次段考试卷 新人教版试卷_第1页
1/5
九年级化学上学期第一次段考试卷 新人教版试卷_第2页
2/5
九年级化学上学期第一次段考试卷 新人教版试卷_第3页
3/5
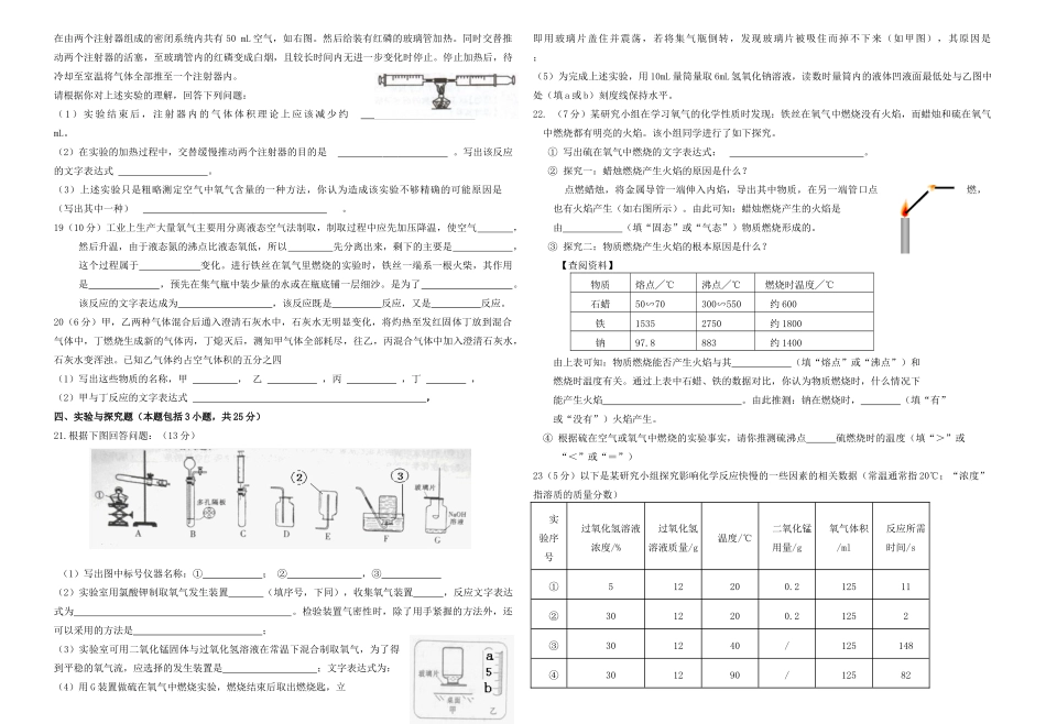
2014-2015年九年级化学上学期第一次段考试题说明:1.本卷共有5大题,24小题。全卷满分100分,考试时间为70分钟2.本卷分为试题卷和答题卷,答案要求写在答题卷上,不得在试题卷上作答,否则不给分。一、单项选择题(本题包括10个小题,每小题2分,共20分。每小题有四个选项,其中只有一个选项符合题意,请将正确选项的代号填涂在答题卷的相应位置上)1.空气中体积分数最大的气体是()A.氧气B.氮气C.二氧化碳D.稀有气体2.下列物质中不属于空气污染物的是()A.二氧化硫B.一氧化碳C.二氧化碳D.PM2.53下列实验操作正确的是()4.下列物质中存在着氧分子的是()A.液氧B.二氧化碳C.过氧化氢D.高锰酸钾5.下列说法中错误的是()A.只要两种原子的最外层电子数相同,则化学性质一定相同B.离子一定是带电的粒子C.水分子是保持水的化学性质的最小粒子D.原子在化学变化中不可再分6.正确量取18mL水,应选用的仪器是()①5mL量筒②20mL量筒③50mL量筒④胶头滴管A.①④B.②④C.③④D.②7.我国科学家成功用一种核内有4个质子和6个中子的铍原子来测定“北京猿人”的年龄,这种铍原子的相对原子质量为()A.2B.4C.6D.108.下列各组物质中,都是由分子构成的是()A、水、氢气B、铁、氧气C、二氧化锰、铝D、氯化钠、水9.对于下列生活中常见元素的微粒结构示意图,有关说法正确的是()A.它们都具有相对稳定结构B.它们都表示离子C.它们的核外电子排布相同D.它们都是稀有气体10.R2+离子核外共有n个电子,则R原子核内质子数为()A.n+2B.n-2C.nD.2n二、选择填充题(本题包括5小题,每题3分,共15分。先在A、B、C中选择一个正确选项,将正确选项的代号填涂在答题卷的相应位置上,然后在D处补充一个符合题意的答案。每小题的选择2分,填充1分)11.下列属于物理变化的是()A.食物腐败B.大米酿酒C.蜡烛熔化D.12.下列仪器中,能直接在酒精灯火焰上加热的是-------------------()A.烧杯B.试管C.集气瓶D.13氧气是一种化学性质比较活泼的气体,它可以和许多物质发生化学反应。如下图所示,关于这三个反应共同点的叙述正确的是-------------------()A.都放出热量B.生成物都是固体C.都产生蓝紫色火焰D.14.在医院给病人输氧气时,也利用了右图类似的装置,并在装置中盛放约半瓶蒸馏水,以下说法中正确的是()A.B导管连接供给氧气的钢瓶B.B导管连接病人吸氧气的塑料管C.该装置不可用来观察是否有氧气输出D.15.下列各组物质中,前者属于纯净物,后者属于混合物的是()A.氮气,二氧化碳B.冰水混合物,澄清石灰水C.矿泉水,五氧化二磷D.三、填空与说明题(本大题包括5小题,共30分)16.(4分)将下列空格里填上适当概念的序号:①物理变化②化学变化③物理性质④化学性质硫是一种淡黄色固体,把块状硫研成粉末,将少量硫粉放在燃烧匙中加热,硫慢慢熔化,继续加热,硫开始燃烧,产生微弱的淡蓝色火焰,生成的气体无色具有刺激性气味,这说明硫具有可燃性。17(5分)①100L空气中含有二氧化碳约L,稀有气体约L。②读取量筒中液体体积时,视线应与量筒内液体的保持水平。某同学向量筒中加入一定体积的水,俯视读数为40ml,然后倒掉一部分水,仰视读数为30ml,则该同学倒出的水的体积10ml(选填“大于”、“小于”或“等于”)。③在称量5.5g固体时,该同学把药品错放在右盘,砝码放在左盘,则该同学所称得的固体的实际质量为g。(注:1g以下用游码)18.(5分)某课外活动小组在学习了书本“空气中氧气含量的测定”实验,知道P2O5不能随便排放在空气中,否则会对空气造成污染,所以对该实验进行了改进:图2氧气硫氧气木炭铁丝氧气在由两个注射器组成的密闭系统内共有50mL空气,如右图。然后给装有红磷的玻璃管加热。同时交替推动两个注射器的活塞,至玻璃管内的红磷变成白烟,且较长时间内无进一步变化时停止。停止加热后,待冷却至室温将气体全部推至一个注射器内。请根据你对上述实验的理解,回答下列问题:(1)实验结束后,注射器内的气体体积理论上应该减少约mL。(2)在实验的加热过程中,交替缓慢推动两个注射器的目的是。写出该反应的文字表达式。(3...

1、当您付费下载文档后,您只拥有了使用权限,并不意味着购买了版权,文档只能用于自身使用,不得用于其他商业用途(如 [转卖]进行直接盈利或[编辑后售卖]进行间接盈利)。
2、本站所有内容均由合作方或网友上传,本站不对文档的完整性、权威性及其观点立场正确性做任何保证或承诺!文档内容仅供研究参考,付费前请自行鉴别。
3、如文档内容存在违规,或者侵犯商业秘密、侵犯著作权等,请点击“违规举报”。

碎片内容

九年级化学上学期第一次段考试卷 新人教版试卷

确认删除?
VIP
微信客服
  • 扫码咨询
会员Q群
  • 会员专属群点击这里加入QQ群
客服邮箱
回到顶部