电脑桌面
添加小米粒文库到电脑桌面
安装后可以在桌面快捷访问

互换性与技术测量试题三VIP免费

互换性与技术测量试题三_第1页
1/4
互换性与技术测量试题三_第2页
2/4
互换性与技术测量试题三_第3页
3/4
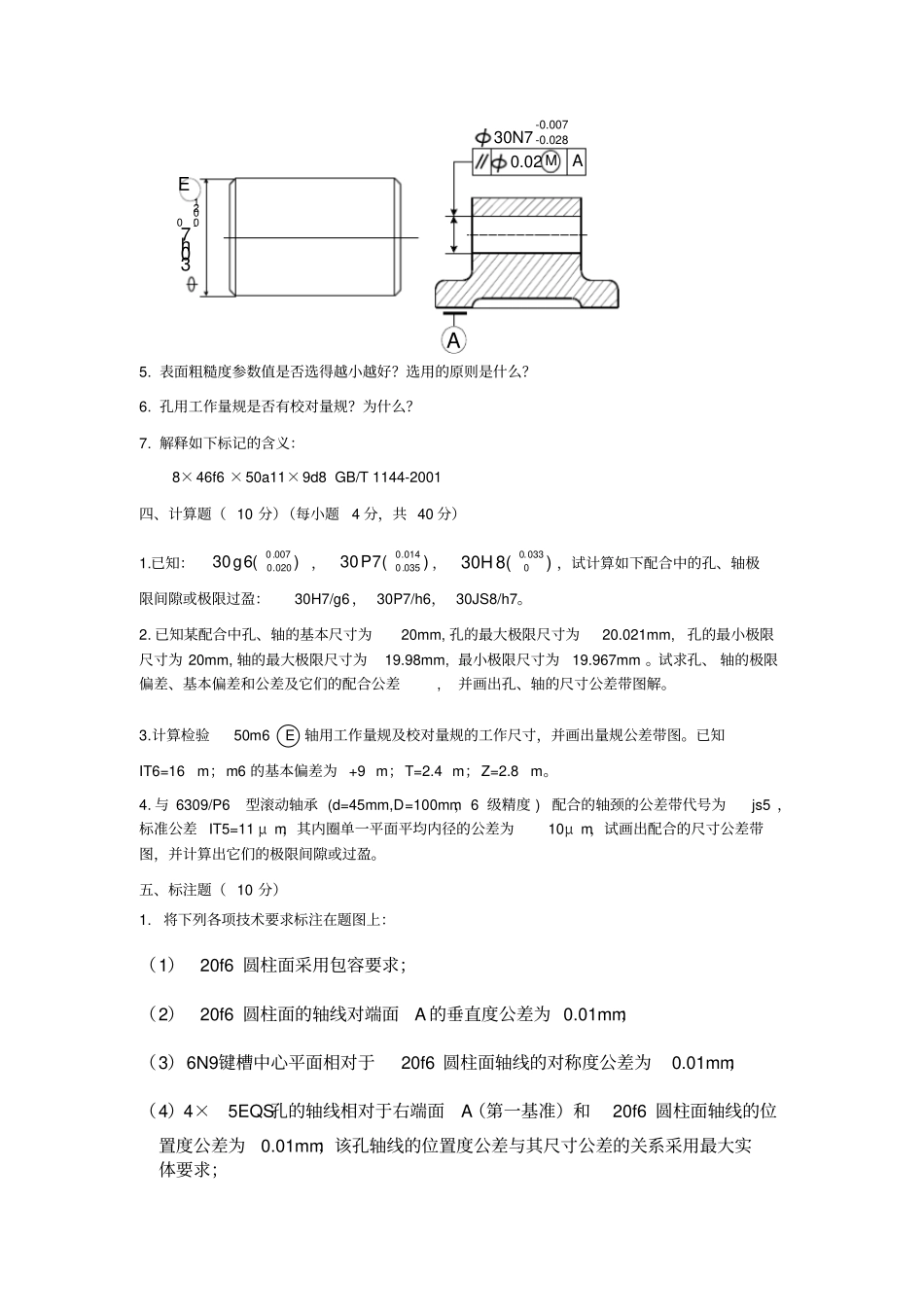
《互换性与技术测量》试题三一、是非题(正确的在括号中画“√”,错误的画“×”)(每小题1分,共10分)1.()几何量公差是指零件尺寸、形状等实际几何参数的变动全量。2.()对同一规格的零件进行实际测量,测得值的最大变动量即为零件尺寸公差。3.()相互配合的孔和轴,其基本尺寸必须相同。4.()加工误差只有通过测量才能得到,所以加工误差实质上就是测量误差。5.()同轴度误差实质上就是实际轴线对基准轴线的最大偏移量。6.()在一定条件下,采用相关要求可以使相应要素的形位公差或(和)尺寸公差得到补偿。7.()用双管显微镜既能测表面粗糙度参数的aR值,又能测zR值。8.()孔的工作量规的校对量规是孔形。9.()滚动轴承内圈内径与25h6(0017.0)的轴颈形成间隙配合。10.()与单键配合的配合尺寸只能是键和键槽的宽度尺寸。二、选择题(每小题1分,共12分)1.标准化是____________的形式来体现的。公差;技术测量;技术标准;质量控制2.20f6、20f7和20f8三个公差带的____________。上偏差相同且下偏差相同;上偏差相同而下偏差不相同上偏差不相同而下偏差相同;上、下偏差各不相同3.孔、轴的最大间隙为+0.023mm,孔的下偏差为-18μm,轴的下偏差为-16μm,轴的公差为16μm,则配合公差为____________。32μm;39μm;34μm;4lμm4.若某基孔制配合的最大过盈为-43μm,孔的上偏差为+33μm,轴的下偏差为+22μm,则其配合公差为____________。43μm;54μm;55μm;65μm5.___________公差带的形状是唯一的。直线度;垂直度;平行度;同轴度。6.被测轴线的直线度公差与它对基准轴线的同轴度公差的关系应是____________。前者一定等于后者;前者一定大于后者;前者不大于后者;前者不小于后者7.表面粗糙度参数zR表示的是______。轮廓算术平均偏差;微观不平度十点高度轮廓最大高度;轮廓单元平均宽度8.光滑极限量规设计应符合____________。独立原则;与理想要素比较原则;相关要求;泰勒原则9.按GB/T307.3-1996的规定,向心轴承内圈内径和外圈外径尺寸公差分为________。2、3、4、5、6(6x)等五级;2、4、5、6(6x)、0等五级;2、4、5、6、0等五级;2、3、4、5、0等五级;10.国家标准对平键的键宽只规定了一种公差带___________。h8;h9;n9;p9。11.GB/T1804-f表示的是____________。一般公差精密级;一般公差中等级;一般公差粗糙级;一般公差最粗级12.对于零件上公差配合精度要求较高且尺寸公差与形位无严格比例关系的配合表面一般应采用___________。独立原则;包容要求;最大实体要求;最小实体要求三、简答题(每小题4分,共28分)1.简述互换性的基本要求。2.配合公差等于相互配合的孔、轴公差之和说明什么?3.试比较圆度和径向圆跳动的公差带有何异同?4.说明如下图所示的零件图被测要素所遵守的公差原则,公差边界及边界尺寸,并分析当实际尺寸为985.29mm时,相应的形状或位置公差值是多少?0.02MAA30N7-0.007-0.0285.表面粗糙度参数值是否选得越小越好?选用的原则是什么?6.孔用工作量规是否有校对量规?为什么?7.解释如下标记的含义:8×46f6×50a11×9d8GB/T1144-2001四、计算题(10分)(每小题4分,共40分)1.已知:)(630007.0020.0g,)(730014.0035.0P,)(830033.00H,试计算如下配合中的孔、轴极限间隙或极限过盈:30H7/g6,30P7/h6,30JS8/h7。2.已知某配合中孔、轴的基本尺寸为20mm,孔的最大极限尺寸为20.021mm,孔的最小极限尺寸为20mm,轴的最大极限尺寸为19.98mm,最小极限尺寸为19.967mm。试求孔、轴的极限偏差、基本偏差和公差及它们的配合公差,并画出孔、轴的尺寸公差带图解。3.计算检验50m6○E轴用工作量规及校对量规的工作尺寸,并画出量规公差带图。已知IT6=16m;m6的基本偏差为+9m;T=2.4m;Z=2.8m。4.与6309/P6型滚动轴承(d=45mm,D=100mm,6级精度)配合的轴颈的公差带代号为js5,标准公差IT5=11μm,其内圈单一平面平均内径的公差为10μm,试画出配合的尺寸公差带图,并计算出它们的极限间隙或过盈。五、标注题(10分)1.将下列各项技术要求标注在题图上:(1)20f6圆柱面采用包容要求;(2)20f6圆柱面的轴线对端面A的垂直度公差为0...

1、当您付费下载文档后,您只拥有了使用权限,并不意味着购买了版权,文档只能用于自身使用,不得用于其他商业用途(如 [转卖]进行直接盈利或[编辑后售卖]进行间接盈利)。
2、本站所有内容均由合作方或网友上传,本站不对文档的完整性、权威性及其观点立场正确性做任何保证或承诺!文档内容仅供研究参考,付费前请自行鉴别。
3、如文档内容存在违规,或者侵犯商业秘密、侵犯著作权等,请点击“违规举报”。

碎片内容

互换性与技术测量试题三

确认删除?
VIP
微信客服
  • 扫码咨询
会员Q群
  • 会员专属群点击这里加入QQ群
客服邮箱
回到顶部