电脑桌面
添加小米粒文库到电脑桌面
安装后可以在桌面快捷访问

数控车床编程说明书VIP免费

数控车床编程说明书_第1页
1/10
数控车床编程说明书_第2页
2/10
数控车床编程说明书_第3页
3/10
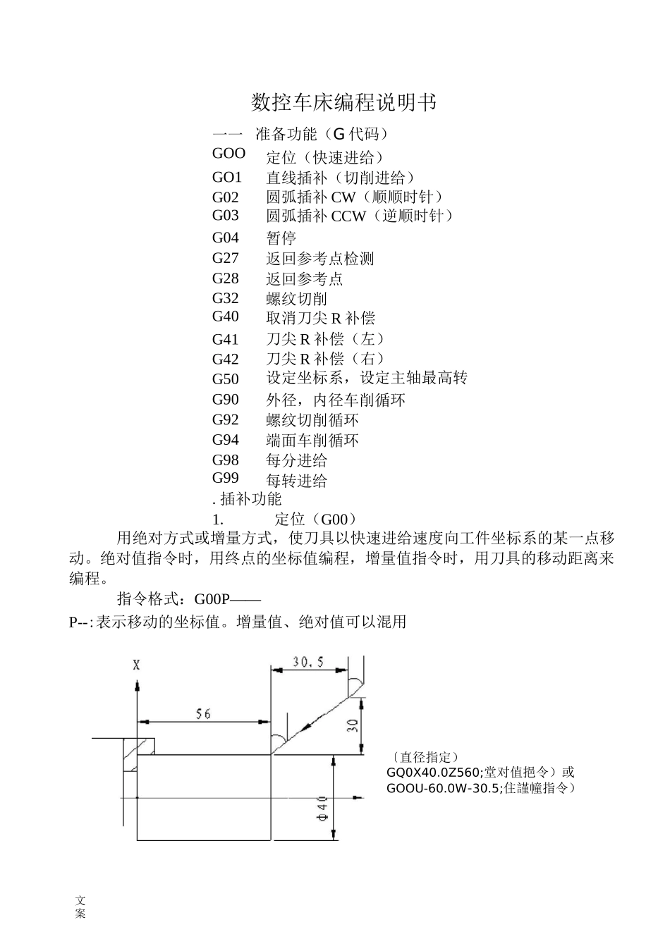
文案数控车床编程说明书一一准备功能(G代码)GOO*定位(快速进给)GO1直线插补(切削进给)G02圆弧插补CW(顺顺时针)G03圆弧插补CCW(逆顺时针)G04暂停G27返回参考点检测G28返回参考点G32螺纹切削G40*取消刀尖R补偿G41刀尖R补偿(左)G42刀尖R补偿(右)G50设定坐标系,设定主轴最高转速G90外径,内径车削循环G92螺纹切削循环G94端面车削循环G98每分进给G99*每转进给.插补功能1.定位(G00)用绝对方式或增量方式,使刀具以快速进给速度向工件坐标系的某一点移动。绝对值指令时,用终点的坐标值编程,增量值指令时,用刀具的移动距离来编程。指令格式:G00P——P--:表示移动的坐标值。增量值、绝对值可以混用〔直径指定)GQ0X40.0Z560;堂对值挹令)或GOOU-60.0W-30.5;住謹幢指令)文案2.直线插补(G01)根据G01P_F_;指令,可使刀具进行直线插补,指令中的P表示移动量。可为绝对指令值或增量指令值。直径编程:G01X40.0Z20.1F20;(绝对值指令)或G01U20.0W-25.9F20;(增量值指令)3.圆弧插补(G02,G03)项目指定内容指令意义1旋转方向G02顺时针旋转(CW)G03逆时针旋转(CCW)2终点位置绝对值X,Z工件坐标系的终点位置增量值U,W从始点到终点的距离3从始点到圆心的距离I,K从始点到圆心的距离(带符号或半径值)圆弧的半径R圆弧的半径4进给速度F沿着圆弧的速度指令格式:G02X_Z_I_K__F_;或G03U_W_R_F_;顺时针,逆时针在以下右手坐标和左手坐标系中不同。文案G02X50.Z30.R25.F0.3;或G02U20.W-20.R25.F0.3或I,K是有符号的。其正、负由坐标方向确定。IO,K0可以省略。4.螺纹切削(G32)由G32指令可以切削导程的直螺纹、锥螺纹、端面螺纹等。文案||62"51-TO£1=30咅2=1.W憑赵直G00L-62.;G32W-74.5F4.;G00IE2.;W74.B;冋・;算2次再切深伽)G32^-74.5;G00IE4.;W74D5;螺纹指令如下,指令中用F指定螺纹的导程。G32PF;但是,F为长轴方向的导程。通常螺纹切削,从粗车到精车需要刀具多次在同一轨迹上进行切削。1).直螺纹切削实例:(注1)螺纹去削中,进给速度倍率无效,进给速度被限制在100%。(注2)螺纹切削中,不能停止进给,一旦停止进给,切深便急剧增加,很危险。因此,进给暂停在螺纹切削中无效。(注3)螺纹切削中主轴速度倍率有效。因为恒表面速度控制在涡旋风螺纹切削和锥螺纹切削中有效,如果改变了主轴速度,也不能切削出正确的螺纹,因此螺纹切削中,不要使用恒表面速度功能。Z文案(注4)在螺纹切削程序段后的第一个非螺纹切削程序段期间,按进给暂停按钮或持续按该按钮的时候,则刀具在非螺纹切削程序段停止。2)锥螺纹切削实例螺纹导程:E方向:3.5MMS1=2MMS2=1MM切深£方向,1MM(2^切削)(公制输入,直径编程)G00X12.Z72.;G32X41.Z29.G3.5;G00X50.;Z72.;X10.;(第2次再切深1冊)G32X39.Z29.;G00X50.;Z72.;5.暂停(G04)根据G04X(T);或G04P(T);G04U(T);指令程序暂停。即执行前一个程序段之后,经过T毫秒之后执行下一个程序段。为减少机床的震动,移动开始和结束时用某一时间常数自动地加减速。但是,插补后自动加减速时,在切削进给拐角处会加工成圆角。此时,为了加工出尖角,请在拐角处的程序段中适当插入暂停指令。6.主轴功能(S功能)G50S30000(允许的最高主轴转速)G96S00000(米/每分钟)G97S00000(转/每分钟)M037.刀具功能(T功能)T0000刀具偏置号刀具选择T0313(选择3号刀具,使用13号偏置量)文案M00程序停止M03主轴正转M98子程序调出M99子程序结束(戍…快速进给F...F代码指定的切削迸给速度增量指令时]地址U、W的符号由轨迹1及2的方向决定。上述循环中.ILW均为徐单程序段加工时,按一次循环起动按钮,可逬行1,2,3,4的執迹操作。b.用下述指令可进行斜线切削循环加工G90X(U)Z(W)RF_8•辅助功能(M功能)M02,M30程序结束M01任选停止M04主轴反转9.单一形固定循环(G90,G92,G94)1).外径内径车削循环气(G90)a.用以下指令,可进行直线切削循环加工。G90X(U)Z(W)F文案(RL..快速进给F…F代码指定的切削进给速度。增童指令时,地址lb肛R的符号由刀具移动的轨迹决宦」其关系如下團⑴U<0.WQ帖|R|W4焊|时)(])U>0.K<0.R<0IRIIU/2I时〕4⑻—CM...

1、当您付费下载文档后,您只拥有了使用权限,并不意味着购买了版权,文档只能用于自身使用,不得用于其他商业用途(如 [转卖]进行直接盈利或[编辑后售卖]进行间接盈利)。
2、本站所有内容均由合作方或网友上传,本站不对文档的完整性、权威性及其观点立场正确性做任何保证或承诺!文档内容仅供研究参考,付费前请自行鉴别。
3、如文档内容存在违规,或者侵犯商业秘密、侵犯著作权等,请点击“违规举报”。

碎片内容

数控车床编程说明书

您可能关注的文档

确认删除?
VIP
微信客服
  • 扫码咨询
会员Q群
  • 会员专属群点击这里加入QQ群
客服邮箱
回到顶部