电脑桌面
添加小米粒文库到电脑桌面
安装后可以在桌面快捷访问

人工土方开挖分项工程质量管理VIP免费

人工土方开挖分项工程质量管理_第1页
1/3
人工土方开挖分项工程质量管理_第2页
2/3
人工土方开挖分项工程质量管理_第3页
3/3
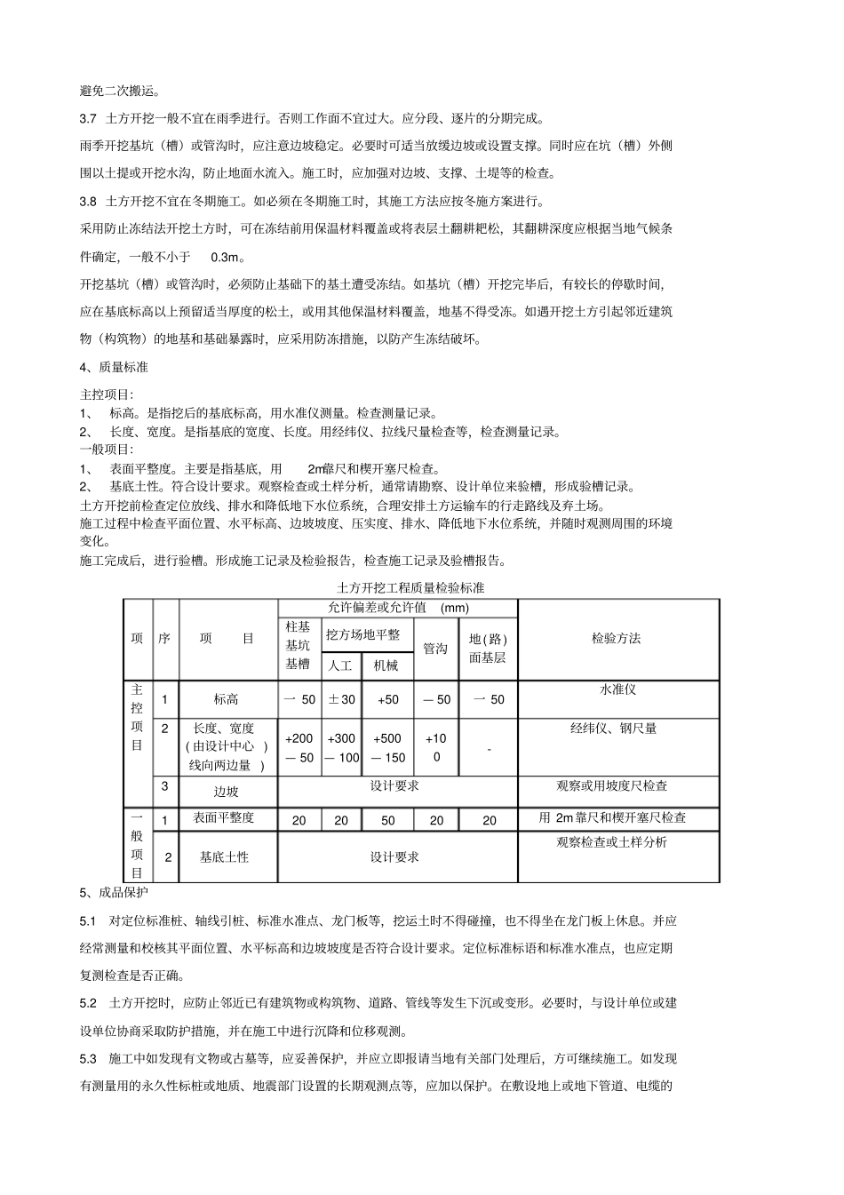
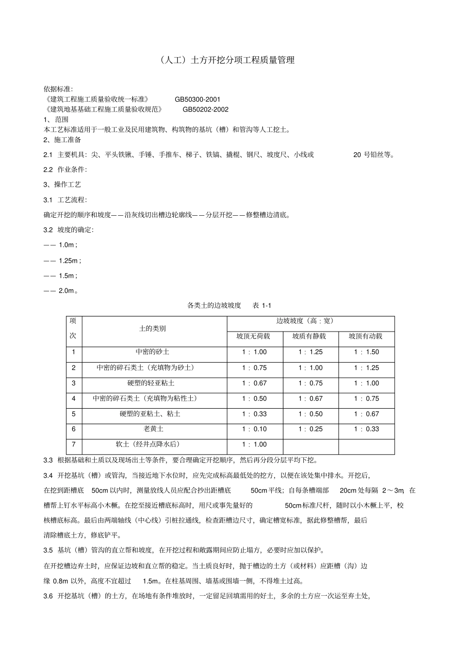
(人工)土方开挖分项工程质量管理依据标准:《建筑工程施工质量验收统一标准》GB50300-2001《建筑地基基础工程施工质量验收规范》GB50202-20021、范围本工艺标准适用于一般工业及民用建筑物、构筑物的基坑(槽)和管沟等人工挖土。2、施工准备2.1主要机具:尖、平头铁锹、手锤、手推车、梯子、铁镐、撬棍、钢尺、坡度尺、小线或20号铅丝等。2.2作业条件:3、操作工艺3.1工艺流程:确定开挖的顺序和坡度——沿灰线切出槽边轮廓线——分层开挖——修整槽边清底。3.2坡度的确定:——1.0m;——1.25m;——1.5m;——2.0m。各类土的边坡坡度表1-1项次土的类别边坡坡度(高﹕宽)坡顶无荷载坡质有静载坡顶有动载1中密的砂土1﹕1.001﹕1.251﹕1.502中密的碎石类土(充填物为砂土)1﹕0.751﹕1.001﹕1.253硬塑的轻亚粘土1﹕0.671﹕0.751﹕1.004中密的碎石类土(充填物为粘性土)1﹕0.501﹕0.671﹕0.755硬塑的亚粘土、粘土1﹕0.331﹕0.501﹕0.676老黄土1﹕0.101﹕0.251﹕0.337软土(经井点降水后)1﹕1.003.3根据基础和土质以及现场出土等条件,要合理确定开挖顺序,然后再分段分层平均下挖。3.4开挖基坑(槽)或管沟,当接近地下水位时,应先完成标高最低处的挖方,以便在该处集中排水。开挖后,在挖到距槽底50cm以内时,测量放线人员应配合抄出距槽底50cm平线;自每条槽端部20cm处每隔2~3m,在槽帮上钉水平标高小木橛。在挖至接近槽底标高时,用尺或事先量好的50cm标准尺杆,随时以小木橛上平,校核槽底标高。最后由两端轴线(中心线)引桩拉通线,检查距槽边尺寸,确定槽宽标准,据此修整槽帮,最后清除槽底土方,修底铲平。3.5基坑(槽)管沟的直立帮和坡度,在开挖过程和敞露期间应防止塌方,必要时应加以保护。在开挖槽边弃土时,应保证边坡和直立帮的稳定。当土质良好时,抛于槽边的土方(或材料)应距槽(沟)边缘0.8m以外,高度不宜超过1.5m。在柱基周围、墙基或围墙一侧,不得堆土过高。3.6开挖基坑(槽)的土方,在场地有条件堆放时,一定留足回填需用的好土,多余的土方应一次运至弃土处,避免二次搬运。3.7土方开挖一般不宜在雨季进行。否则工作面不宜过大。应分段、逐片的分期完成。雨季开挖基坑(槽)或管沟时,应注意边坡稳定。必要时可适当放缓边坡或设置支撑。同时应在坑(槽)外侧围以土提或开挖水沟,防止地面水流入。施工时,应加强对边坡、支撑、土堤等的检查。3.8土方开挖不宜在冬期施工。如必须在冬期施工时,其施工方法应按冬施方案进行。采用防止冻结法开挖土方时,可在冻结前用保温材料覆盖或将表层土翻耕耙松,其翻耕深度应根据当地气候条件确定,一般不小于0.3m。开挖基坑(槽)或管沟时,必须防止基础下的基土遭受冻结。如基坑(槽)开挖完毕后,有较长的停歇时间,应在基底标高以上预留适当厚度的松土,或用其他保温材料覆盖,地基不得受冻。如遇开挖土方引起邻近建筑物(构筑物)的地基和基础暴露时,应采用防冻措施,以防产生冻结破坏。4、质量标准主控项目:1、标高。是指挖后的基底标高,用水准仪测量。检查测量记录。2、长度、宽度。是指基底的宽度、长度。用经纬仪、拉线尺量检查等,检查测量记录。一般项目:1、表面平整度。主要是指基底,用2m靠尺和楔开塞尺检查。2、基底土性。符合设计要求。观察检查或土样分析,通常请勘察、设计单位来验槽,形成验槽记录。土方开挖前检查定位放线、排水和降低地下水位系统,合理安排土方运输车的行走路线及弃土场。施工过程中检查平面位置、水平标高、边坡坡度、压实度、排水、降低地下水位系统,并随时观测周围的环境变化。施工完成后,进行验槽。形成施工记录及检验报告,检查施工记录及验槽报告。土方开挖工程质量检验标准项序项目允许偏差或允许值(mm)检验方法柱基基坑基槽挖方场地平整管沟地(路)面基层人工机械主控项目1标高一50±30+50—50一50水准仪2长度、宽度(由设计中心)线向两边量)+200—50+300—100+500—150+100-经纬仪、钢尺量3边坡设计要求观察或用坡度尺检查一般项目1表面平整度2020502020用2m靠尺和楔开塞尺检查2基底土性设计要求观察检查或土样分析5、成品保护5.1对定位标准桩、轴线引桩...

1、当您付费下载文档后,您只拥有了使用权限,并不意味着购买了版权,文档只能用于自身使用,不得用于其他商业用途(如 [转卖]进行直接盈利或[编辑后售卖]进行间接盈利)。
2、本站所有内容均由合作方或网友上传,本站不对文档的完整性、权威性及其观点立场正确性做任何保证或承诺!文档内容仅供研究参考,付费前请自行鉴别。
3、如文档内容存在违规,或者侵犯商业秘密、侵犯著作权等,请点击“违规举报”。

碎片内容

人工土方开挖分项工程质量管理

您可能关注的文档

爱的疯狂+ 关注
实名认证
内容提供者

该用户很懒,什么也没介绍

确认删除?
VIP
微信客服
  • 扫码咨询
会员Q群
  • 会员专属群点击这里加入QQ群
客服邮箱
回到顶部