电脑桌面
添加小米粒文库到电脑桌面
安装后可以在桌面快捷访问

人工挖孔桩施工监理旁站记录表VIP免费

人工挖孔桩施工监理旁站记录表_第1页
1/2
人工挖孔桩施工监理旁站记录表_第2页
2/2
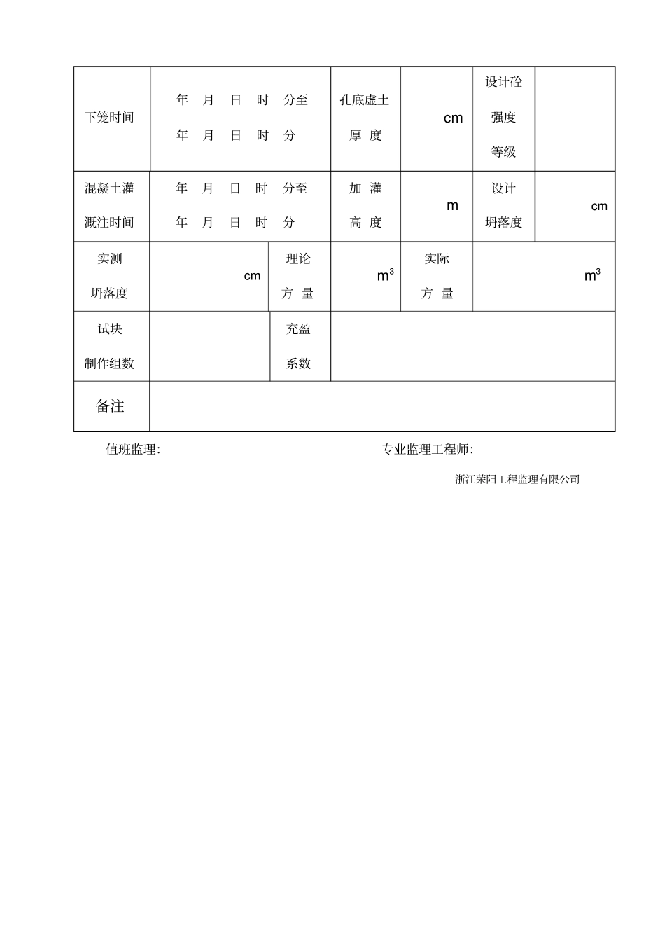
项目人工挖孔桩施工监理(旁站)记录表顺序号:桩号设计桩径m孔口标高m桩位偏差cm设计桩顶标高m设计桩底标高m实际桩顶标高m实际桩底标高m开孔时间年月日时分入持力层孔深m终孔时间年月日时分入持力层长度m终孔孔深m钢筋笼直径mm钢筋规格主筋钢筋笼长度总长m箍筋分节长m加强筋分节焊缝质量钢筋笼制作偏差(mm)笼径加强筋主筋长度箍筋保护块规格及间距吊筋长度m吊筋规格下笼时间年月日时分至年月日时分孔底虚土厚度cm设计砼强度等级混凝土灌溉注时间年月日时分至年月日时分加灌高度m设计坍落度cm实测坍落度cm理论方量m3实际方量m3试块制作组数充盈系数备注值班监理:专业监理工程师:浙江荣阳工程监理有限公司

1、当您付费下载文档后,您只拥有了使用权限,并不意味着购买了版权,文档只能用于自身使用,不得用于其他商业用途(如 [转卖]进行直接盈利或[编辑后售卖]进行间接盈利)。
2、本站所有内容均由合作方或网友上传,本站不对文档的完整性、权威性及其观点立场正确性做任何保证或承诺!文档内容仅供研究参考,付费前请自行鉴别。
3、如文档内容存在违规,或者侵犯商业秘密、侵犯著作权等,请点击“违规举报”。

碎片内容

人工挖孔桩施工监理旁站记录表

您可能关注的文档

确认删除?
VIP
微信客服
  • 扫码咨询
会员Q群
  • 会员专属群点击这里加入QQ群
客服邮箱
回到顶部