电脑桌面
添加小米粒文库到电脑桌面
安装后可以在桌面快捷访问

过程质量检验操作规程VIP免费

过程质量检验操作规程_第1页
1/7
过程质量检验操作规程_第2页
2/7
过程质量检验操作规程_第3页
3/7
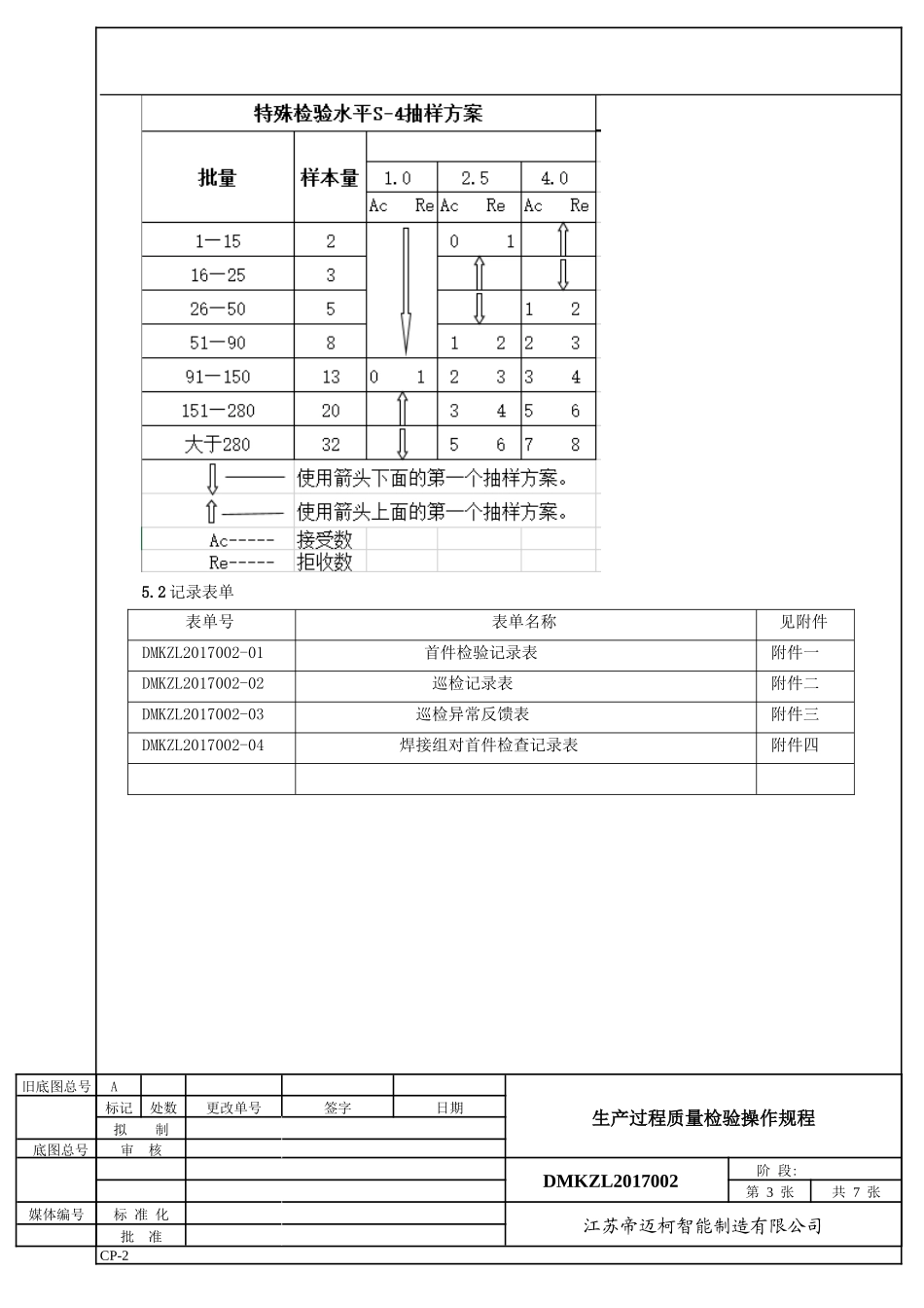
1主题内容和适用范围1.1本规程规定了生产过程质量检验的操作方法。1.2本规程适用于本公司所以产品的过程质量检验。2引用文件序号文件号文件名称01Q/YS-QP-DMK22不合格品控制程序02Q/YS-QP-DMK21产品监视和测量控制程序03Q/YS-QP-DMK17产品标识和可追溯性控制程序04GB/T2828.1抽样规范3定义生产过程质量检验是质量部对车间整个制造过程进行的质量检验。4程序4.1产品过程质量检验操作流程4.1.1首件检验首件检验流程如下:a)当生产线换规格生产时,生产线需通知质量部巡检员,质量部巡检员得到通知后需协同班长(或小组长)按该规格产品的作业要求对其进行首件检验。首件检验的确认数量为1PCS。b)首件检验前,班长需准备好所有制作该规格产品所需的工装夹具,正确装配并调试好所有工装设备和检测量具,并把该规格的图纸(或sop)分到各个操作岗位上。c)班长及质量部巡检员需按照作业文件(图纸或BOM清单、作业指导书)的要求核对物料,确认无误后方可上线制作首件1PCS。d)班长(或小组长)需指导首件制作的全过程,并按要求填写《首件检验记录表》。质量部巡检员需监控首件制作的全过程,以保证产品符合图纸要求和质量控制要求。e)若首件检验合格,班长(或小组长)及质量部巡检员分别在《首件检验记录表》上签字确认,班长通知该班组人员开始进行批量生产。若首件检验不合格,按照4.2.1执行。f)质量记录:《首件检验记录表》由生产线人员填写并保存,质量部检验员需在首件检验单上签字确认。4.1.2过程检验过程检验流程如下:旧底图总号A生产过程质量检验操作规程标记处数更改单号签字日期拟制底图总号审核DMKZL2017002阶段:第1张共7张媒体编号标准化江苏帝迈柯智能制造有限公司批准CP-2a)质量部巡检员需按照产品生产工序、图纸的相关要求对每个正在作业的工位进行巡检,每班3次。过程检验需关注的内容主要包括:产品参数、工艺参数、操作规范性等方面。b)对特定岗位(关键工序或需重点控制岗位),质量部巡检员需对经该岗位加工后的半成品进行抽验。抽检对象为即将转移到下道工序的半成品,抽检水平为特殊抽样水平S-4,每班3次。c)如巡检结果符合图纸及作业的要求,则生产线可继续生产。若过程检验结果不符合图纸及作业的要求则按照4.2.2执行。d)质量部巡检员需将当日巡检发现的不符合项作整理并汇总,第二日将质量巡检记录提交给对口的质量负责人,质量负责人将当日巡检过程的不符合项整理归类,形成日报发给各部门相关负责人,并组织讨论和建立纠正预防措施及跟踪其实施的有效性。e)质量记录:质量部巡检员需将每次巡检结果如实记录在相应的巡检记录表格中(附件二);过程检验中发现的不符合项汇总记录到《过程质量控制巡检、抽验异常反馈表》(附件三)。4.2不合格处置4.2.1首件检验不合格处置a)若首件检验不合格,不得进行批量生产,立即通知生产工艺或相关人员进行现场分析评审。b)相关评审人员需作出评审结论,对该批产品立即整改或换规格生产、放指标生产,并签字确认。c)生产线人员和质量部巡检员需对纠正措施进行复检,并重新制作首件直至合格后方可进行批量生产。4.2.2过程检验不合格处置a)过程检验中发现不符合时,质量部巡检员需及时向班长或相关人员反馈,要求操作工现场纠正,并对纠正后的结果进行跟踪。b)过程抽验中发现轻微缺陷时,质量部巡检员在做好记录后,需通知生产班长或作业员立即修复。c)过程抽验中严重或致命缺陷时,质量部巡检员在做好记录后,还立即通知相关人员,现场评审,或组织将已生产的产品进行全数返工检验,及时遏制不良品流入下道工序,并对改善措施进行持续跟踪。4.3质量记录保存保存期限一年。5附件5.1抽样检查表旧底图总号A生产过程质量检验操作规程标记处数更改单号签字日期拟制底图总号审核DMKZL2017002阶段:第2张共7张媒体编号标准化江苏帝迈柯智能制造有限公司批准CP-25.2记录表单表单号表单名称见附件DMKZL2017002-01首件检验记录表附件一DMKZL2017002-02巡检记录表附件二DMKZL2017002-03巡检异常反馈表附件三DMKZL2017002-04焊接组对首件检查记录表附件四旧底图总号A生产过程质量检验操作规程标记处数更改单号签字日期拟制...

1、当您付费下载文档后,您只拥有了使用权限,并不意味着购买了版权,文档只能用于自身使用,不得用于其他商业用途(如 [转卖]进行直接盈利或[编辑后售卖]进行间接盈利)。
2、本站所有内容均由合作方或网友上传,本站不对文档的完整性、权威性及其观点立场正确性做任何保证或承诺!文档内容仅供研究参考,付费前请自行鉴别。
3、如文档内容存在违规,或者侵犯商业秘密、侵犯著作权等,请点击“违规举报”。

碎片内容

过程质量检验操作规程

您可能关注的文档

确认删除?
VIP
微信客服
  • 扫码咨询
会员Q群
  • 会员专属群点击这里加入QQ群
客服邮箱
回到顶部