电脑桌面
添加小米粒文库到电脑桌面
安装后可以在桌面快捷访问

铁路站场工程检验批表格大全VIP免费

铁路站场工程检验批表格大全_第1页
1/110
铁路站场工程检验批表格大全_第2页
2/110
铁路站场工程检验批表格大全_第3页
3/110
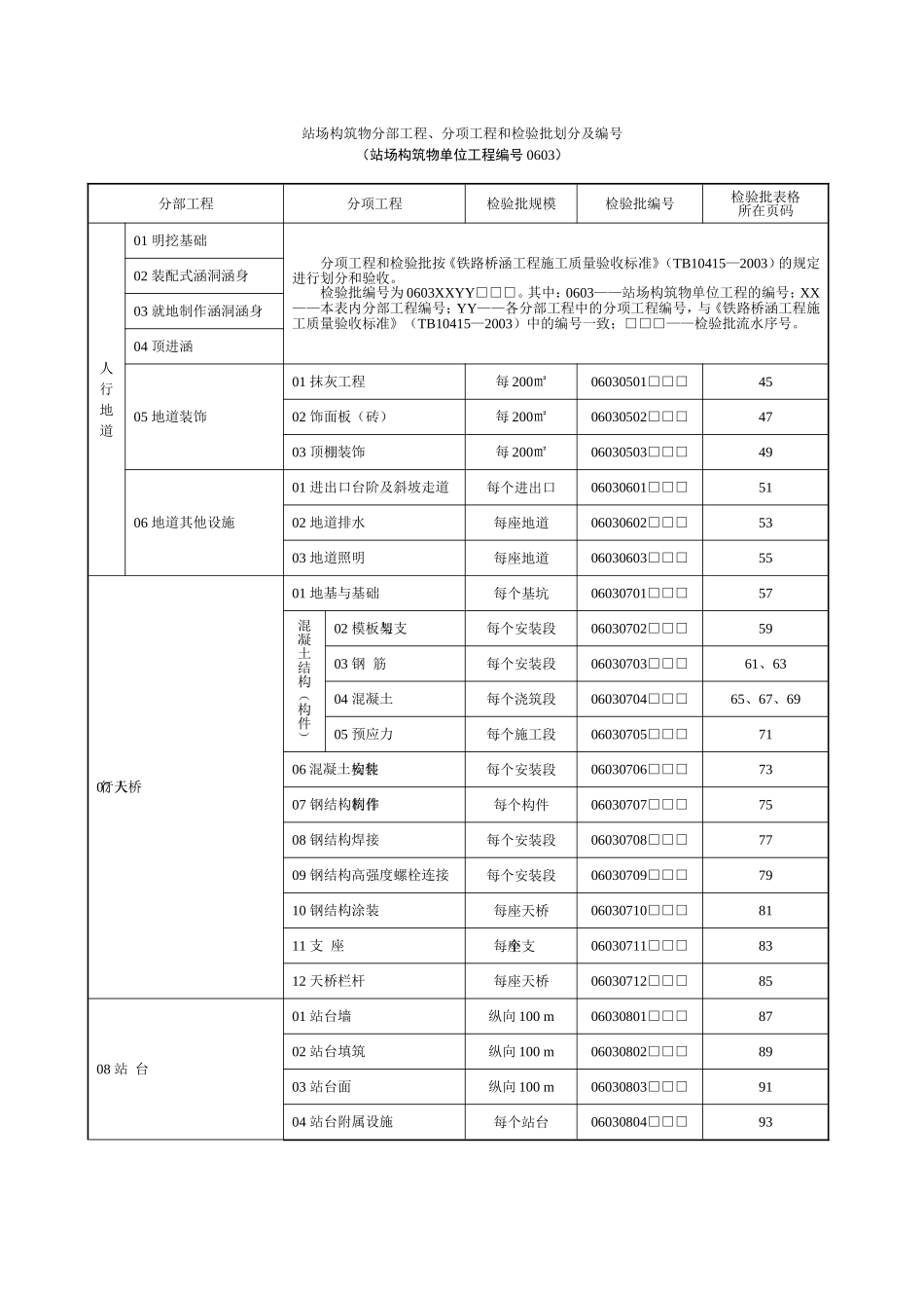
站场工程站场工程施工质量验收划分为单位工程、分部工程、分项工程和检验批。单位工程应按一个完整工程或一个相当规模的施工范围划分,并按下列原则确定:(1)一般情况下一个站场分站场路基、站场道路和站场构筑物三个单位工程。(2)对越行站、会让站和一些规模较小的中间站等小型车站,整个车站可合并为一个单位工程。(3)对编组站或其他大型站场,可按车场或站段将路基工程分为数个单位工程。分部工程应按一个完整部位或主要结构及施工阶段划分;分项工程应按工种、工序、材料、施工工艺等划分;检验批可根据施工及质量控制和验收需要按施工段或部位等划分。站场工程的单位工程、分部工程、分项工程和检验批的划分及编号应符合下列各表的要求。站场路基分部工程、分项工程和检验批划分及编号(站场路基单位工程编号0601)分部工程分项工程规模检验批编号检验批表格所在页码01地基处理分项工程和检验批按《铁路路基工程施工质量验收标准》(TB10414—2003)的规定进行划分和验收。其中按长度划分检验批和按长度规定检验数量的,须按股道数折合为单线长度。1股道对应于单线、2股道对应于双线、……、依此类推。检验批编号为0601XXYY□□□。其中:0601——站场路基单位工程编号;XX——本表内分部工程编号;YY——各分部工程中的分项工程编号,与《铁路路基工程施工质量验收标准》(TB10414—2003)中的编号一致;□□□——检验批的流水序号。02基床以下路堤03基床04路堑路基支挡结构05重力式挡土墙06短卸荷板式挡土墙07悬臂和扶壁式挡土墙08锚杆挡土墙09锚定板挡土墙10加筋土挡土墙11土钉墙12抗滑桩13桩板式挡墙14预应力锚索15路基防护续表分部工程分项工程检验批规模检验批编号检验批表格所在页码16路基排水01排水盲沟每条沟06011601□□□502排水管道每100m06011602□□□703排水沟槽每100m06011603□□□904检查井及沉淀井每口井06011604□□□1105侧沟、排水沟每100m06011605□□□1306天沟、截水沟每条沟06011606□□□1507跌水与急流槽每个跌水、槽段06011607□□□1708渗水池每个池06011608□□□1917路基附属设施按《铁路路基工程施工质量验收标准》(TB10414—2003)划分和检验站场道路分部工程、分项工程和检验批划分及编号(站场道路单位工程编号0602)分部工程分项工程检验批规模检验批编号检验批表格所在页码01站场道路路基01站场道路路基双车道200m06020101□□□2102站场道路路面01垫层双车道200m06020201□□□2302底基层双车道200m06020202□□□2303基层双车道200m06020203□□□2504水泥混凝土面层双车道200m06020204□□□2705沥青混凝土面层双车道200m06020205□□□2906沥青碎(砾)石面层双车道200m06020206□□□2907沥青贯入式路面双车道200m06020207□□□3108沥青表面处治路面双车道200m06020208□□□3309泥结碎(砾)石路面双车道200m06020209□□□3510级配碎(砾)石路面双车道200m06020210□□□3511路缘石每200m06020211□□□3712平过道铺面每个平过道06020212□□□3903道路设施01道路标志每个标志06020301□□□4102道路护栏每个独立段06020302□□□43站场构筑物分部工程、分项工程和检验批划分及编号(站场构筑物单位工程编号0603)分部工程分项工程检验批规模检验批编号检验批表格所在页码人行地道01明挖基础分项工程和检验批按《铁路桥涵工程施工质量验收标准》(TB10415—2003)的规定进行划分和验收。检验批编号为0603XXYY□□□。其中:0603——站场构筑物单位工程的编号;XX——本表内分部工程编号;YY——各分部工程中的分项工程编号,与《铁路桥涵工程施工质量验收标准》(TB10415—2003)中的编号一致;□□□——检验批流水序号。02装配式涵洞涵身03就地制作涵洞涵身04顶进涵05地道装饰01抹灰工程每200㎡06030501□□□4502饰面板(砖)每200㎡06030502□□□4703顶棚装饰每200㎡06030503□□□4906地道其他设施01进出口台阶及斜坡走道每个进出口06030601□□□5102地道排水每座地道06030602□□□5303地道照明每座地道06030603□□□5507人行天桥01地基与基础每个基坑06030701□□□57混凝土结构(构件)02模板与支架每个安...

1、当您付费下载文档后,您只拥有了使用权限,并不意味着购买了版权,文档只能用于自身使用,不得用于其他商业用途(如 [转卖]进行直接盈利或[编辑后售卖]进行间接盈利)。
2、本站所有内容均由合作方或网友上传,本站不对文档的完整性、权威性及其观点立场正确性做任何保证或承诺!文档内容仅供研究参考,付费前请自行鉴别。
3、如文档内容存在违规,或者侵犯商业秘密、侵犯著作权等,请点击“违规举报”。

碎片内容

铁路站场工程检验批表格大全

黄金书屋+ 关注
实名认证
内容提供者

爱好英语教学和互联网行业,热爱教育事业,兢兢业业

确认删除?
VIP
微信客服
  • 扫码咨询
会员Q群
  • 会员专属群点击这里加入QQ群
客服邮箱
回到顶部