电脑桌面
添加小米粒文库到电脑桌面
安装后可以在桌面快捷访问

环卫作业服务检查考评标准VIP专享VIP免费

环卫作业服务检查考评标准_第1页
1/7
环卫作业服务检查考评标准_第2页
2/7
环卫作业服务检查考评标准_第3页
3/7
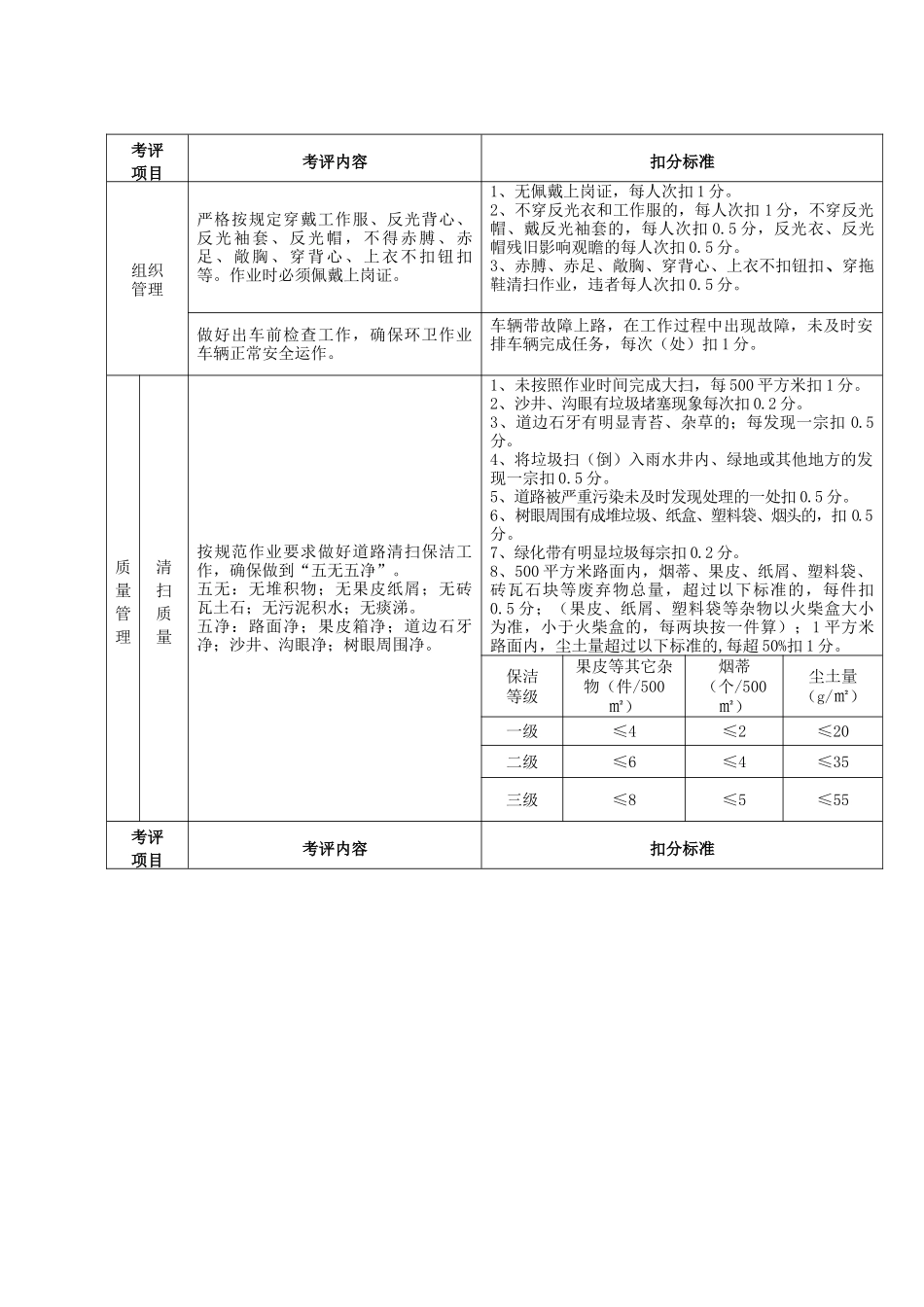
环卫作业服务检查考评标准(一)(日常质量检查考评标准)考评项目考评内容扣分标准组织管理严格按规定穿戴工作服、反光背心、反光袖套、反光帽,不得赤膊、赤足、敞胸、穿背心、上衣不扣钮扣等。作业时必须佩戴上岗证。1、无佩戴上岗证,每人次扣1分。2、不穿反光衣和工作服的,每人次扣1分,不穿反光帽、戴反光袖套的,每人次扣0.5分,反光衣、反光帽残旧影响观瞻的每人次扣0.5分。3、赤膊、赤足、敞胸、穿背心、上衣不扣钮扣、穿拖鞋清扫作业,违者每人次扣0.5分。做好出车前检查工作,确保环卫作业车辆正常安全运作。车辆带故障上路,在工作过程中出现故障,未及时安排车辆完成任务,每次(处)扣1分。质量管理清扫质量按规范作业要求做好道路清扫保洁工作,确保做到“五无五净”。五无:无堆积物;无果皮纸屑;无砖瓦土石;无污泥积水;无痰涕。五净:路面净;果皮箱净;道边石牙净;沙井、沟眼净;树眼周围净。1、未按照作业时间完成大扫,每500平方米扣1分。2、沙井、沟眼有垃圾堵塞现象每次扣0.2分。3、道边石牙有明显青苔、杂草的;每发现一宗扣0.5分。4、将垃圾扫(倒)入雨水井内、绿地或其他地方的发现一宗扣0.5分。5、道路被严重污染未及时发现处理的一处扣0.5分。6、树眼周围有成堆垃圾、纸盒、塑料袋、烟头的,扣0.5分。7、绿化带有明显垃圾每宗扣0.2分。8、500平方米路面内,烟蒂、果皮、纸屑、塑料袋、砖瓦石块等废弃物总量,超过以下标准的,每件扣0.5分;(果皮、纸屑、塑料袋等杂物以火柴盒大小为准,小于火柴盒的,每两块按一件算);1平方米路面内,尘土量超过以下标准的,每超50%扣1分。保洁等级果皮等其它杂物(件/500㎡)烟蒂(个/500㎡)尘土量(g/㎡)一级≤4≤2≤20二级≤6≤4≤35三级≤8≤5≤55考评项目考评内容扣分标准质量管理清洗质量1、清洗、洒水车辆作业时要文明驾驶和文明作业,遵守交通规则,限速10km/h以内,并应亮警示灯、鸣报警号;道路污染要及时清理冲洗,做到路面见本色,无污迹、泥沙和污水积存,雨水口不堵塞。2、一级路机动车道路面、道牙边每两天冲洗一次,人行道每周冲洗一次。二级路机动车道路面、道牙边每四天冲洗一次,人行道每半月冲洗一次;三级路机动车道路面、道牙边每周冲洗一次,人行道每月冲洗一次。1、道路本色呈现率未达标,每发现一宗扣1分;如有扬尘每发现一次(处)扣1分。2、未按规定落实作业冲洗频次,每发现一宗扣1分。作业管理1、清扫保洁人员、环卫机械化作业应按合同规定时间作业,每日两大扫和按道路等级时间要求完成连续性保洁。机械化清扫作业时间:早上0:00-7:00,下午12:00-15:00;冲洗时间:早上0:00-7:00;垃圾清运时间:早上9:00前,下午6时前完成两大扫的垃圾清运任务。2、环卫工人应着重对路面、人行道、道牙、雨水口、树眼等处进行清扫。3、环卫工人保洁时应巡回走动,清理路面的纸屑、饮料瓶等垃圾,做到勤走、勤看、勤扫,确保路面整洁。1、清扫保洁人员迟到、早退、离岗(以上下班时间前后15分钟计),每人次扣0.5分。2、不按规范作业发现一宗扣0.5分;清扫保洁人员有明显怠工、偷懒现象,发现一宗扣0.5分。设施设备管理1、车容整洁,车体外部无污垢,标志清晰。2、工具房、垃圾转运站管理到位。3、工具存放在合适位置,摆放整齐。4、果皮箱干净整洁,应放置垃圾袋并每天擦洗,垃圾溢满及时清理。1、车容不洁,车体外部有明显污垢,标志不清晰,每辆次扣1分。2、有工具房的路段手推车不进屋每发现一处扣1分。3、占用工具房摆放其它杂物发现一宗扣1分;垃圾转运站管理不到位,地上堆积垃圾、蝇蛆较多,发现一宗扣1分。4、手推车、扫把摆放不整齐或手推车残旧影响观瞻,每发现一宗扣1分。5、工具房、垃圾转运站周边环境好,发现周边环境差,每宗扣1分。6.车辆拖挂杂物废品的每宗扣1分。7、果皮箱有明显污迹、积存旧垃圾,每发现一宗扣0.5分。合计(总分100分)得分=100分-(各项扣分合计)日常考核为每日进行一次考核,考核分数低于95分时启动扣分扣款机制,95分以下,每0.5分扣100元,考核单位对考核成绩和扣分扣款情况直接输入数字化城管系统,并在数字化城管电脑系统和手机系统显示扣分...

1、当您付费下载文档后,您只拥有了使用权限,并不意味着购买了版权,文档只能用于自身使用,不得用于其他商业用途(如 [转卖]进行直接盈利或[编辑后售卖]进行间接盈利)。
2、本站所有内容均由合作方或网友上传,本站不对文档的完整性、权威性及其观点立场正确性做任何保证或承诺!文档内容仅供研究参考,付费前请自行鉴别。
3、如文档内容存在违规,或者侵犯商业秘密、侵犯著作权等,请点击“违规举报”。

碎片内容

环卫作业服务检查考评标准

确认删除?
VIP
微信客服
  • 扫码咨询
会员Q群
  • 会员专属群点击这里加入QQ群
客服邮箱
回到顶部