电脑桌面
添加小米粒文库到电脑桌面
安装后可以在桌面快捷访问

员工出差及报销管理制度2017年VIP免费

员工出差及报销管理制度2017年_第1页
1/9
员工出差及报销管理制度2017年_第2页
2/9
员工出差及报销管理制度2017年_第3页
3/9
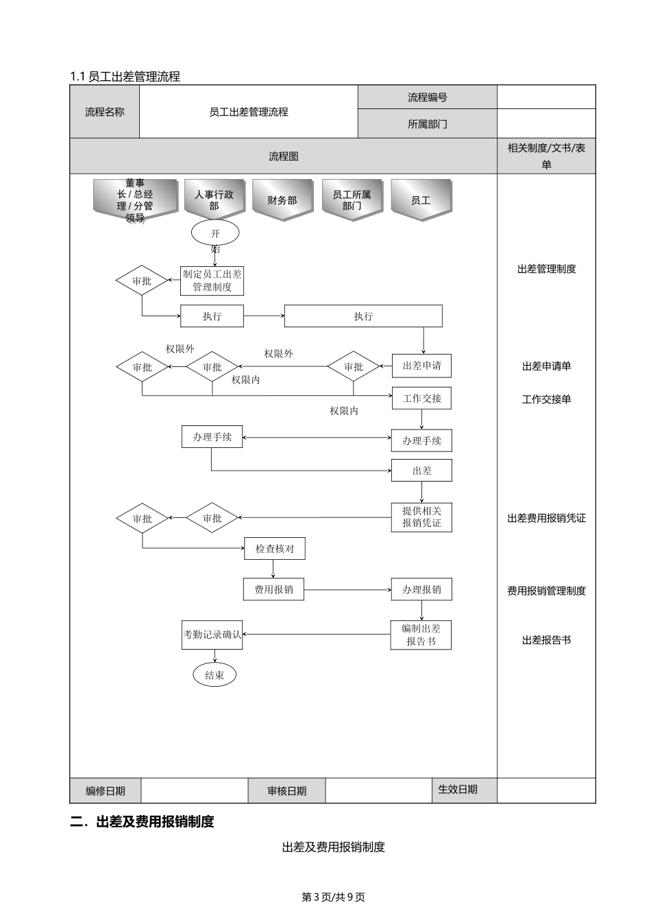
员工出差及报销管理制度审批:审核:编制:生效日期:版本:第1页/共9页制度修改信息文件名称员工出差及报销管理制度文件编号序号版本修改原因修改人生效日期备注11.0创建蒋伟一.相关流程第2页/共9页1.1员工出差管理流程流程名称员工出差管理流程流程编号所属部门流程图相关制度/文书/表单出差管理制度出差申请单工作交接单出差费用报销凭证费用报销管理制度出差报告书编修日期审核日期生效日期二.出差及费用报销制度出差及费用报销制度第3页/共9页员工员工员工所属部门员工所属部门财务部财务部人事行政部人事行政部董事长/总经理/分管领导董事长/总经理/分管领导开始权限内权限外权限内权限外工作交接出差申请审批执行审批审批执行制定员工出差管理制度审批办理手续办理手续出差提供相关报销凭证办理报销费用报销检查核对审批审批结束考勤记录确认编制出差报告书1.目的:1.1为了规范公司人员出差及差旅费报销标准和流程,保障出差人员能够履行工作职责,完成工作任务以及生活的需要,结合公司实际情况,特制定本办法。2.范围:2.1本制度适用于XXXXXX公司。3.出差定义:3.1本制度所指的出差是指因公外出到工作地区域(区、县)外办理公务、培训、考察、参加会议、进行工作指导、检查、考核或其他公务的活动。4.出差原则:4.1审批原则:凡是需要出差的事项,必须在OA中提交出差申请,严格按照相关的审批程序审批,特殊情况,经相关领导电话同意后,事后补办审批手续;4.2任务与人员相适应的原则:公司领导或部门负责人在安排出差任务时,应严格控制出差人数,合理安排与完成任务相适应的人员出差;4.3成本控制原则:所有出差人员在住宿、乘坐交通工具、对外接待等方面必须时时控制成本,按照规定的标准执行,能够提前预计出差时间的尽量提前申报,便于提前购买机票、车票,降低价格。5.相关流程及管理制度:5.1出差管理内容5.1.1出差申请程序5.1.1.1一般员工出差原则上需提前3天申报《出差申请单》(OA办公平台差假管理模块中申报),并呈相关领导核准后按规定路线出差;5.1.1.2部门负责人出差原则上需提前2天申报《出差申请单》(OA办公平台差假管理模块中申报),并呈相关领导核准后按规定路线出差;5.1.1.3分管领导(总监)出差原则上需提前1天申报《出差申请单》(OA办公平台差假管理模块中申报),并呈相关领导核准后按规定路线出差;5.1.1.4因特殊情况需临时派遣出差人员时,必须在出差前及时申报《出差申请单》。5.1.2出差过程中若因工作计划变更,导致出差路线变化,须电话征得有审批权限的领导同意后执行。出差结束后,按实际出差路线重新填写《出差申请单》。5.1.3出差审批程序、权限5.1.3.1总经理出差,由董事长审批;出差人填写《出差申请单》→董事长→人事行政部备案。5.1.3.2分管领导出差,由总经理、董事长审批;出差人填写《出差申请单》→总经理→董事长→人事行政部备案。5.1.3.3各部门负责人(包括经理级)及以下人员出差,由分管领导、总经理审批,报公司人事行政部备案;出差人填写《出差申请单》→部门负责人→分管领导→总经理→人事行政部备案。5.1.3.4跨省(市)外出差,和五人(含)以上同时出差需董事长审批;出差人填写《出差申请单》→部门负责人→分管领导→总经理→董事长→人事行政部备案;5.1.3.5出差时间在一周(含)以上,需由公司总经理、董事长审批;出差人填写《出差申请单》→部门负责人→分管领导→总经理→董事长→人事行政部备案;5.1.3.6公司发文组织的会议、培训及活动,不需报审。5.2出差搭乘交通工具、住宿5.2.1出差到四川和重庆市所辖区域只能乘坐火车、汽车或驾车前往。选乘坐火车或汽车的,交通费用按实际发生额予以报销;乘坐火车三个小时以上的可以购买硬卧票,分管领导级以上领导出差需搭乘长途火车的,可购软卧票;乘车期间不予报销住宿费(特殊情况除外,如当日5:00以前达到)。到其他城市出差需乘坐飞机的,应尽量提前预定机票并享受折扣价,特别紧急事项除外;5.2.2重庆公司各部门出差人员应主动与前往城市的异地公司(指重庆主城以外的所属公司)联系,落实公司的签约协议酒店;但所签约的酒店的住宿标准均不得突破...

1、当您付费下载文档后,您只拥有了使用权限,并不意味着购买了版权,文档只能用于自身使用,不得用于其他商业用途(如 [转卖]进行直接盈利或[编辑后售卖]进行间接盈利)。
2、本站所有内容均由合作方或网友上传,本站不对文档的完整性、权威性及其观点立场正确性做任何保证或承诺!文档内容仅供研究参考,付费前请自行鉴别。
3、如文档内容存在违规,或者侵犯商业秘密、侵犯著作权等,请点击“违规举报”。

碎片内容

员工出差及报销管理制度2017年

确认删除?
VIP
微信客服
  • 扫码咨询
会员Q群
  • 会员专属群点击这里加入QQ群
客服邮箱
回到顶部