电脑桌面
添加小米粒文库到电脑桌面
安装后可以在桌面快捷访问

公路水运工程试验检测机构等级标准VIP免费

公路水运工程试验检测机构等级标准_第1页
1/68
公路水运工程试验检测机构等级标准_第2页
2/68
公路水运工程试验检测机构等级标准_第3页
3/68
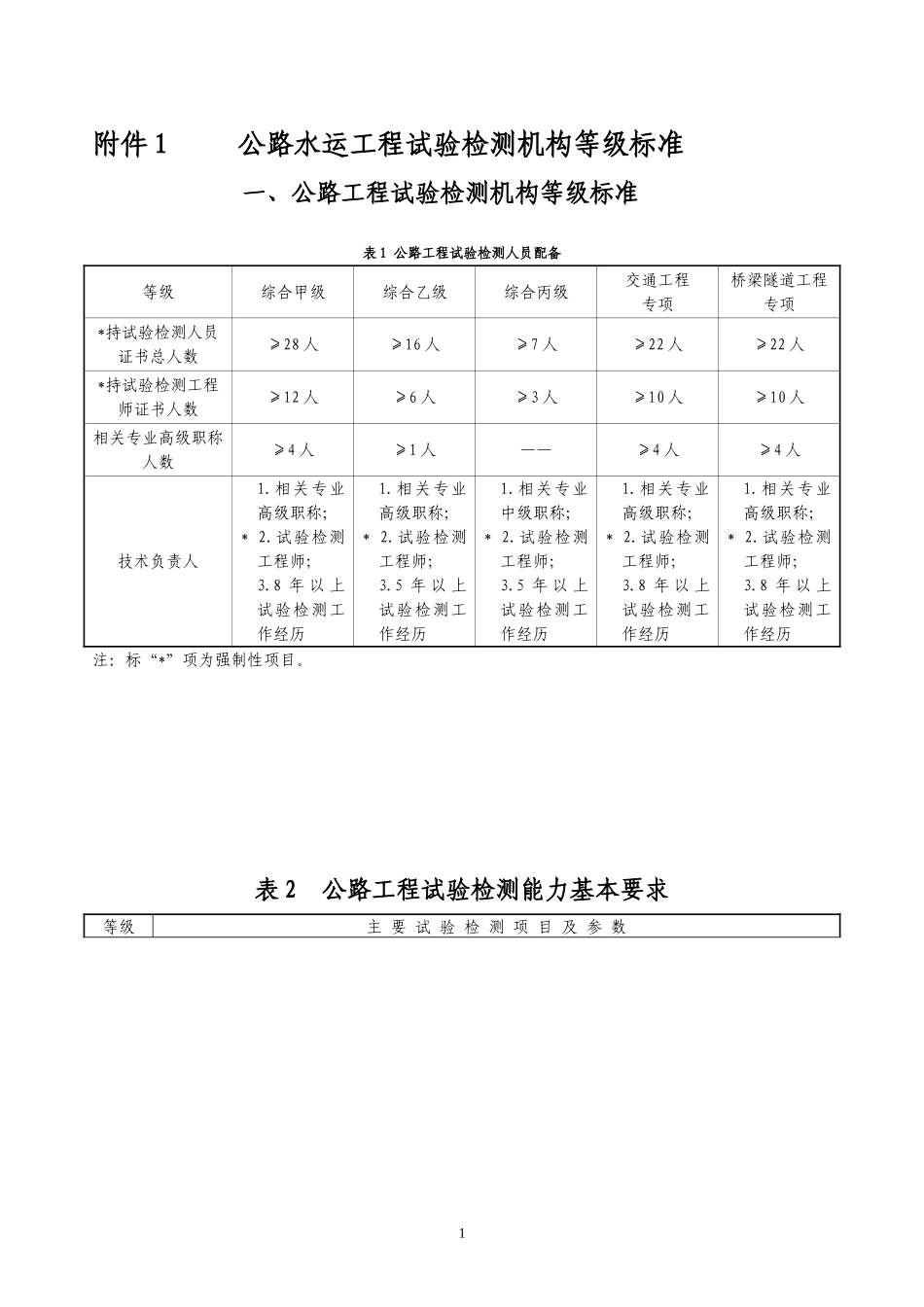
附件1公路水运工程试验检测机构等级标准一、公路工程试验检测机构等级标准表1公路工程试验检测人员配备等级综合甲级综合乙级综合丙级交通工程专项桥梁隧道工程专项*持试验检测人员证书总人数≥28人≥16人≥7人≥22人≥22人*持试验检测工程师证书人数≥12人≥6人≥3人≥10人≥10人相关专业高级职称人数≥4人≥1人——≥4人≥4人技术负责人1.相关专业高级职称;*2.试验检测工程师;3.8年以上试验检测工作经历1.相关专业高级职称;*2.试验检测工程师;3.5年以上试验检测工作经历1.相关专业中级职称;*2.试验检测工程师;3.5年以上试验检测工作经历1.相关专业高级职称;*2.试验检测工程师;3.8年以上试验检测工作经历1.相关专业高级职称;*2.试验检测工程师;3.8年以上试验检测工作经历注:标“*”项为强制性项目。表2公路工程试验检测能力基本要求等级主要试验检测项目及参数1综合甲级1.土:颗粒级配、液限塑限、最大干密度、最佳含水量、CBR、粗粒土最大干密度、回弹模量、凝聚力、内摩擦角、自由膨胀率2.集料:颗粒级配、压碎值、磨耗值、磨光值、冲击值、针片状颗粒含量、砂当量、含泥量、坚固性、表观相对密度、吸水率、棱角性、碱活性3.石料:单轴抗压强度、抗冻性4.水泥:凝结时间、安定性、胶砂强度、细度、胶砂流动度、比表面积5.水泥混凝土、砂浆、外加剂:抗压强度、抗折强度、抗压弹性模量、配合比设计、坍落度、含气量、混凝土凝结时间、抗渗性、劈裂抗拉强度、抗折弹性模量、干缩性、抗磨性、抗冻性、减水率、泌水率、外加剂的钢筋锈蚀试验6.无机结合料稳定材料:无侧限抗压强度、水泥或石灰剂量、配合比设计、石灰有效钙镁含量、粉煤灰细度、粉煤灰烧失量、粉煤灰比表面积7.沥青:针入度、延度、软化点、闪点、蜡含量、粘附性、动力粘度、运动粘度、薄膜加热质量损失、改性沥青弹性恢复、改性沥青离析、乳化沥青破乳速度、乳化沥青粒子电荷、乳化沥青筛上残留物、恩格拉粘度、道路标准粘度、蒸发残留物含量8.沥青混合料:马歇尔稳定度、沥青含量、动稳定度、配合比设计、最大理论密度、SMA粗集料骨架间隙率、析漏损失、飞散损失、冻融劈裂强度比、低温最大弯拉应变9.钢筋:抗拉强度、屈服强度、伸长率、冷弯10.预应力钢绞线:拉伸试验(最大力、规定非比例延伸率、最大力总伸长率)、弹性模量、松驰率、疲劳及偏斜拉伸试验11.土工合成材料:拉伸强度、延伸率、撕裂强度、顶破强度、厚度、单位面积质量、渗透系数12.道路工程:压实度、路面厚度、弯沉、平整度、车辙、摩擦系数、路面渗水、土基回弹模量、路面构造深度13.结构混凝土:强度、混凝土碳化深度、钢筋位置及保护层厚度、表观及内部缺陷、钢筋锈蚀状况(钢筋锈蚀电位或极化电流、氯离子含量、混凝土电阻率)14.地基基础:地基承载力、地表沉降、深层水平位移、特殊地基处理性能15.基桩:完整性、承载力16.桥梁隧道结构及构件:应变(应力)、变形、位移、自振特性参数(加速度、速度、振幅、振动频率)、承载能力评价、隧道断面检测17.锚具:静载锚固性能(锚固效率系数、总应变)、洛氏硬度、周期荷载试验、疲劳试验、辅助性试验18.橡胶支座:抗压弹性模量、抗剪弹性模量、极限抗压强度、抗剪粘结性能、抗剪老化19.公路线形及几何尺寸:道路线形、桥梁线形、几何尺寸20.交通安全设施(含机电系统土建):外观及几何尺寸、反光标志逆反射系数、反光标线逆反射系数、标线涂层厚度、标线抗滑性能、突起路标发光强度系数、色度性能(表面色)、金属构件防腐层性能、立柱(支撑)竖直度、拼接螺栓抗拉荷载、反光膜抗拉荷载、反光膜附着性能、玻璃珠含量、涂料抗压强度、涂料耐磨耗性能、突起路标抗压荷载、突起路标抗冲击性能、设备基础砼强度、通信管道质量注:表中黑体字标注的项目为强制性能力要求,少一项视为不通过(以下同)。等级主要试验检测项目及参数2综合乙级1.土:颗粒级配、液限塑限、最大干密度、最佳含水量、CBR、回弹模量2.集料:颗粒级配、压碎值、磨耗值、针片状颗粒含量、砂当量、含泥量、坚固性、磨光值、冲击值、棱角性3.石料:单轴抗压强度、抗冻性4.水泥:凝结时间...

1、当您付费下载文档后,您只拥有了使用权限,并不意味着购买了版权,文档只能用于自身使用,不得用于其他商业用途(如 [转卖]进行直接盈利或[编辑后售卖]进行间接盈利)。
2、本站所有内容均由合作方或网友上传,本站不对文档的完整性、权威性及其观点立场正确性做任何保证或承诺!文档内容仅供研究参考,付费前请自行鉴别。
3、如文档内容存在违规,或者侵犯商业秘密、侵犯著作权等,请点击“违规举报”。

碎片内容

公路水运工程试验检测机构等级标准

确认删除?
VIP
微信客服
  • 扫码咨询
会员Q群
  • 会员专属群点击这里加入QQ群
客服邮箱
回到顶部