电脑桌面
添加小米粒文库到电脑桌面
安装后可以在桌面快捷访问

人防工程防护设备维护保养管理制度VIP专享VIP免费

人防工程防护设备维护保养管理制度_第1页
1/5
人防工程防护设备维护保养管理制度_第2页
2/5
人防工程防护设备维护保养管理制度_第3页
3/5
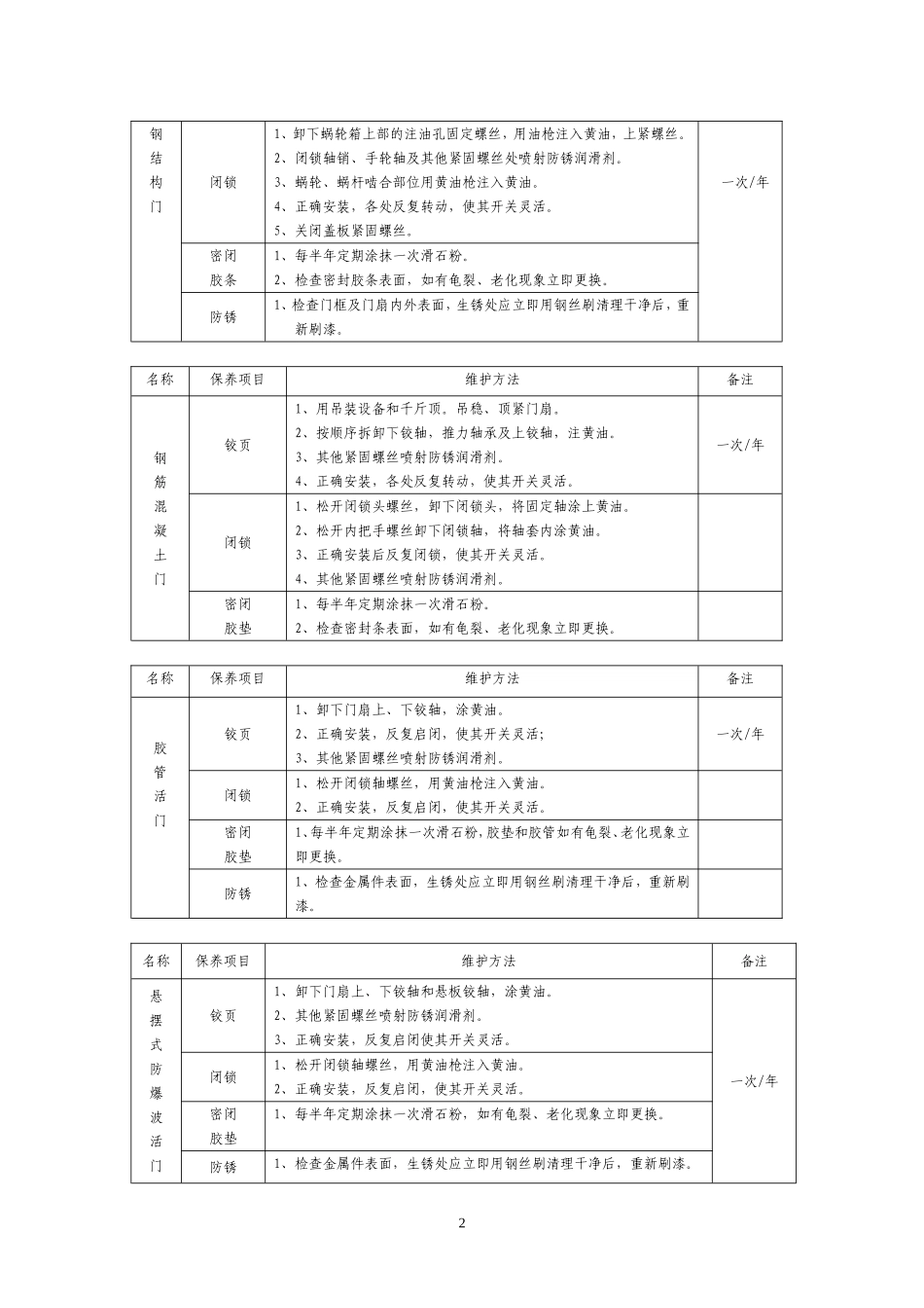
文件三珠海市人防工程设备维护保养管理制度一、防护设备简介防护设备是设于防护工程各种孔口部位,用以堵截冲击波、生物战剂、化学战剂、电磁脉冲、弹片等各种破坏因素的专用设备。1、按其功能可分为防护门、防护密闭门、密闭门、封堵板、密闭观察窗、防爆波活门、密闭阀门等。2、按其各种特点还可以进行如下分类:按结构形式可分为平板防护设备、拱形防护设备等。按控制方式可分为手动防护设备、电动防护设备等。按材料可分为钢结构防护设备、钢筋混凝土结构防护设备等。按材料可分为钢结构防护设备、钢筋混凝土结构防护设备等。3、按其安装部门可分为出入口、连通口、观察孔等用防护设备及进、排风或排烟系统用防护设备。4、按其启闭方式可分为立转式防护设备、推拉式防护设备等。5、按其使用特点可分为活门槛防护设备、降落式防护设备、折叠式防护设备等。二、防护设备维护保养方法名称保养项目维护方法备注铰页1、卸下上、下铰页注油孔螺丝,用黄油枪注入黄油。2、其他紧固螺丝喷射防锈润滑剂,涂油防锈。3、正确安装,反复启闭使其开关灵活。4、拧紧上、下铰页轴油孔螺丝。1钢结构门一次/年闭锁1、卸下蜗轮箱上部的注油孔固定螺丝,用油枪注入黄油,上紧螺丝。2、闭锁轴销、手轮轴及其他紧固螺丝处喷射防锈润滑剂。3、蜗轮、蜗杆啮合部位用黄油枪注入黄油。4、正确安装,各处反复转动,使其开关灵活。5、关闭盖板紧固螺丝。密闭胶条1、每半年定期涂抹一次滑石粉。2、检查密封胶条表面,如有龟裂、老化现象立即更换。防锈1、检查门框及门扇内外表面,生锈处应立即用钢丝刷清理干净后,重新刷漆。名称保养项目维护方法备注钢筋混凝土门铰页1、用吊装设备和千斤顶。吊稳、顶紧门扇。2、按顺序拆卸下铰轴,推力轴承及上铰轴,注黄油。3、其他紧固螺丝喷射防锈润滑剂。4、正确安装,各处反复转动,使其开关灵活。一次/年闭锁1、松开闭锁头螺丝,卸下闭锁头,将固定轴涂上黄油。2、松开内把手螺丝卸下闭锁轴,将轴套内涂黄油。3、正确安装后反复闭锁,使其开关灵活。4、其他紧固螺丝喷射防锈润滑剂。密闭胶垫1、每半年定期涂抹一次滑石粉。2、检查密封条表面,如有龟裂、老化现象立即更换。名称保养项目维护方法备注胶管活门铰页1、卸下门扇上、下铰轴,涂黄油。2、正确安装,反复启闭,使其开关灵活;3、其他紧固螺丝喷射防锈润滑剂。一次/年闭锁1、松开闭锁轴螺丝,用黄油枪注入黄油。2、正确安装,反复启闭,使其开关灵活。密闭胶垫1、每半年定期涂抹一次滑石粉,胶垫和胶管如有龟裂、老化现象立即更换。防锈1、检查金属件表面,生锈处应立即用钢丝刷清理干净后,重新刷漆。名称保养项目维护方法备注悬摆式防爆波活门铰页1、卸下门扇上、下铰轴和悬板铰轴,涂黄油。2、其他紧固螺丝喷射防锈润滑剂。3、正确安装,反复启闭使其开关灵活。一次/年闭锁1、松开闭锁轴螺丝,用黄油枪注入黄油。2、正确安装,反复启闭,使其开关灵活。密闭胶垫1、每半年定期涂抹一次滑石粉,如有龟裂、老化现象立即更换。防锈1、检查金属件表面,生锈处应立即用钢丝刷清理干净后,重新刷漆。2名称保养项目维护方法备注防爆超压排气活门加油1、松开调节锤,在调节槽上涂抹黄油;2、其他紧固螺丝喷射防锈润滑剂;3、正确安装,反复启闭使其开关灵活。一次/年防锈1、检查金属件表面,生锈处应立即用钢丝刷清理干净后,重新刷漆。密闭胶垫1、检查密封胶垫表面,如有龟裂、老化现象立即更换。名称保养项目维护方法备注自动排气活门加油1、松开调节锤,在调节槽上涂抹黄油;2、其他紧固螺丝喷射防锈润滑剂;3、正确安装,反复永闭使其开关灵活。一次/年名称保养项目维护方法备注过滤吸收器防锈1、检查金属件表面,生锈处应立即用钢丝刷清理干净后,重新刷漆。一次/二年密闭胶垫1、更换密封胶垫;检查密封胶垫表面,如有龟裂、老化现象立即更换。过滤器1、清洁各过滤网上的附着物。2、更换受潮失效的活性碳。防锈1、检查金属件表面,生锈处应立即用钢丝刷清理干净后,重新刷漆。一次/年名称保养项目维护方法备注密闭阀门加油1、卸下密闭阀门,检查阀门与电机连接的齿轮有无损坏,加注黄油。一次/年密闭胶垫1、...

1、当您付费下载文档后,您只拥有了使用权限,并不意味着购买了版权,文档只能用于自身使用,不得用于其他商业用途(如 [转卖]进行直接盈利或[编辑后售卖]进行间接盈利)。
2、本站所有内容均由合作方或网友上传,本站不对文档的完整性、权威性及其观点立场正确性做任何保证或承诺!文档内容仅供研究参考,付费前请自行鉴别。
3、如文档内容存在违规,或者侵犯商业秘密、侵犯著作权等,请点击“违规举报”。

碎片内容

人防工程防护设备维护保养管理制度

确认删除?
VIP
微信客服
  • 扫码咨询
会员Q群
  • 会员专属群点击这里加入QQ群
客服邮箱
回到顶部