电脑桌面
添加小米粒文库到电脑桌面
安装后可以在桌面快捷访问

医疗工作流程汇编VIP免费

医疗工作流程汇编_第1页
1/81
医疗工作流程汇编_第2页
2/81
医疗工作流程汇编_第3页
3/81
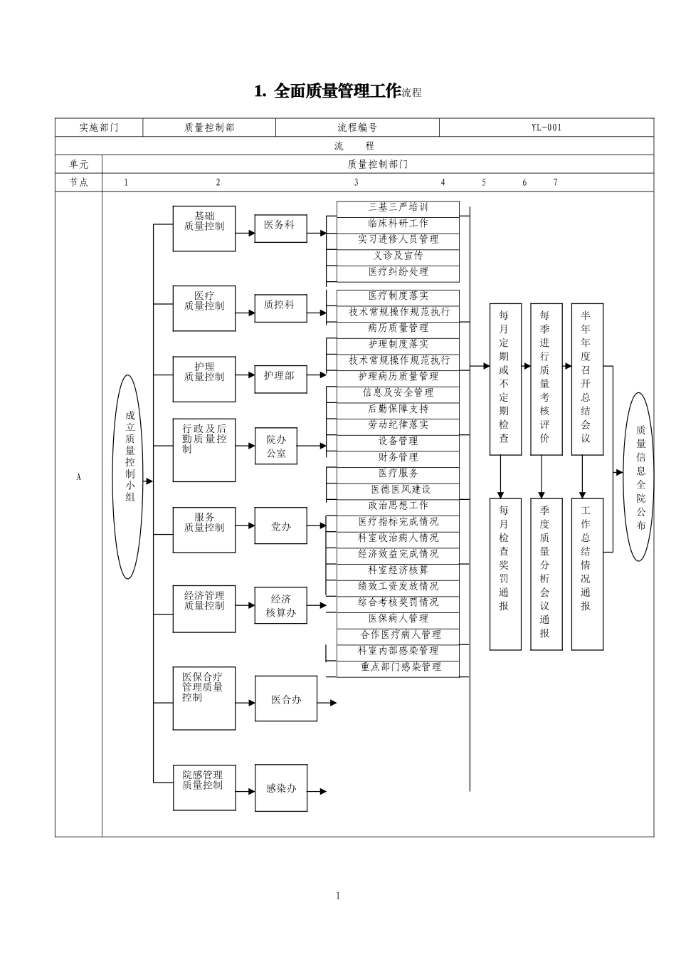
1.全面质量管理工作流程实施部门质量控制部流程编号YL-001流程单元质量控制部门节点1234567A1成立质量控制小组基础质量控制医务科医疗质量控制质控科护理质量控制护理部行政及后勤质量控制院办公室服务质量控制党办经济管理质量控制经济核算办医保合疗管理质量控制医合办院感管理质量控制感染办每月定期或不定期检查每季进行质量考核评价半年年度召开总结会议每月检查奖罚通报季度质量分析会议通报工作总结情况通报质量信息全院公布三基三严培训临床科研工作实习进修人员管理义诊及宣传医疗纠纷处理医疗制度落实技术常规操作规范执行病历质量管理护理制度落实技术常规操作规范执行护理病历质量管理信息及安全管理后勤保障支持劳动纪律落实设备管理财务管理医疗服务医德医风建设政治思想工作医疗指标完成情况科室收治病人情况经济效益完成情况科室经济核算绩效工资发放情况综合考核奖罚情况医保病人管理合作医疗病人管理科室内部感染管理重点部门感染管理2.质量控制管理流程实施部门质量控制部流程编号YL-002流程单元质量管理部门及控制小组节点A2123456789103.医疗质量检查流程实施部门各科室、部门\质量控制部流程编号YL-003质量控制部流程单元各科室/部门质量控制部门医疗质量管理委员会节点ABC3建立和完善院、科两级质量管理体系质量管理委员会质量控制管理部门科室内部质量控制小组负责院级质量控制管理负责科级质量控制管理确立医院、科室标准化管理质量控制指标制定院科两级考核标准\方案及年度、季度质量控制管理计划实施质量控制计划,落实考核标准院、科两级质量控制管理部门定期对各科室质量控制指标的执行和落实情况进行检查寻找质量缺陷,分析原因提出质量控制整改方案和改进措施各科室严格执行和落实,达到质量的持续改进年终对质量控制指标进行修订、调整和完善质控范围到每位职员、每个工作岗位质控范围到每个科室做好各项原始资料的登记、记录和统计质量考核与职工、科主任、科室的综合考评、评优、聘任等相结合1234567894.不合格医疗服务控制流程实施部门医教部、护理部流程编号YL-004流程单元各科室/部门医务科、护理部患者院领导节点ABCD4进行医疗质量检查每月进行一次提高医院医疗质量每周或每月不定期检查,每季定期检查一年1~2次按照医院检查标准和质量管理体系的要求按照上级有关规定和质量管理体系的要求检查核心制度落实、规范操作、医疗文书和病历书写等按照诊疗常规和质量管理体系的要求汇总评分向医院反馈下发到科室,按照整改措施执行检查情况汇报主管院长质控部追踪检查整改情况反馈到科室制定整改措施检查情况汇报主管部门123456785.病历质量检查流程实施部门质量控制部流程编号YL-005流程单元各部门质量控制部门病案室节点ABC5发现不合格医疗服务提出医疗投诉严重医疗差错事故一般不合格行为进行调查了解确认为医院责任当即纠正改进提出处理意见和整改措施报院领导审批审批科室及主管部门进行登记定期检查整改情况对当事人及科室进行教育并兑现奖罚制度定期对记录情况汇报分析对整改不力、落实不到位者,按医院有关规定进行处理,并与科室绩效考评挂钩落实处理结果,实施整改措施1234566.病历记录控制流程实施部门各临床科流程编号YL-006流程单元病人各科室/部门病案室质量控制部门节点ABCD6制订病历质量检查计划在院病历质量检查出院病历质量检查周会讲评病历质量检查月小结报告月质量控制会病历书写质量病历完成及时性各种检查单报告情况医疗制度落实情况检查和治疗和理性病人合理费用情况护理质量情况病历书写质量检查报告质量病历首页填写质量医疗制度落实情况诊断符合率治疗治愈符合率单病种费用情况123456789107.处方书写管理流程实施部门药剂科流程编号YL-007流程单元临床科室药械科质量控制部门院领导节点ABCD7就诊相关科室医师接诊主诉自行保管病历特殊检查医师检查实验室检查仪器检查存档全身检查诊断定期抽查制订治疗方案实施诊疗计划详细做好告知记录、转诊记录、会诊记录签字完成门诊病历完成住院病历及各类病史资料不适症状身体部位持续时间可能诱发因素12345678.全院会诊工作流程实施部门医务科流程编号YL-008流程单元提出会诊科...

1、当您付费下载文档后,您只拥有了使用权限,并不意味着购买了版权,文档只能用于自身使用,不得用于其他商业用途(如 [转卖]进行直接盈利或[编辑后售卖]进行间接盈利)。
2、本站所有内容均由合作方或网友上传,本站不对文档的完整性、权威性及其观点立场正确性做任何保证或承诺!文档内容仅供研究参考,付费前请自行鉴别。
3、如文档内容存在违规,或者侵犯商业秘密、侵犯著作权等,请点击“违规举报”。

碎片内容

医疗工作流程汇编

金钥匙书屋+ 关注
实名认证
内容提供者

热爱教育事业,爱好互联网行业

确认删除?
VIP
微信客服
  • 扫码咨询
会员Q群
  • 会员专属群点击这里加入QQ群
客服邮箱
回到顶部