电脑桌面
添加小米粒文库到电脑桌面
安装后可以在桌面快捷访问

实验八 单相交流电路及功率因数的提高VIP免费

实验八 单相交流电路及功率因数的提高_第1页
1/4
实验八 单相交流电路及功率因数的提高_第2页
2/4
实验八 单相交流电路及功率因数的提高_第3页
3/4
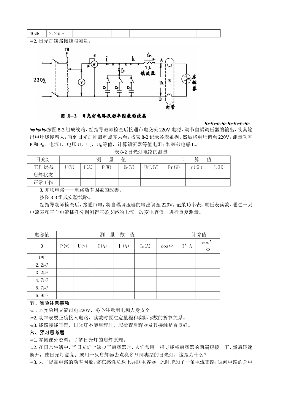
实验八单相交流电路及功率因数的提高一、实验目的1.研究正弦稳态交流电路中电压、电流相量之间的关系。2.了解日光灯电路的特点,理解改善电路功率因数的意义并掌握其方法。二、原理说明1.交流电路中电压、电流相量之间的关系在单相正弦交流电路中,各支路电流和回路中各元件两端的电压满足相量形式的基尔霍夫定律,即Σİ=0和Σ=0图8-1所示的RC串联电路,在正弦稳态信号U的激励下,电阻上的端电压与电路中的电流同相位,当R的阻值改变时,和的大小会随之改变,但相位差总是保持90°,的相量轨迹是一个半圆,电压、与三者之间形成一个直角三角形。即=+相位角φ=acrtg(Uc/UR)改变电阻R时,可改变φ角的大小,故RC串联电路具有移相的作用。2.交流电路的功率因数交流电路的功率因数定义为有功功率与视在功率之比,即cosφ=P/S其中φ为电路的总电压与总电流之间的相位差。交流电路的负载多为感性(如日光灯、电动机、变压器等),电感与外界交换能量本身需要一定的无功功率,因此功率因数比较低(cosφ<0.5)。从供电方面来看,在同一电压下输送给负载一定的有功功率时,所需电流就较大;若将功率因数提高(如cosφ=1),所需电流就可小些。这样即可提高供电设备的利用率,又可减少线路的能量损失。所以,功率因数的大小关系到电源设备及输电线路能否得到充分利用。为了提高交流电路的功率因数,可在感性负载两端并联适当的电容C,如图8-2所示。并联电容C以后,对于原电路所加的电压和负载参数均未改变,但由于的出现,电路的总电流减小了,总电压与总电流之间的相位差φ减小,即功率因数cosφ得到提高。3.日光灯电路及功率因数的提高日光灯电路由灯管R、镇流器L和启辉器S组成,C是补偿电容器,用以改善电路的功率因数,如图8-3所示。其工作原理如下:当接通220V交流电源时,电源电压通过镇流器施加于启辉器两电极上,使极间气体导电,可动电极(双金属片)与固定电极接触。由于两电极接触不再产生热量,双金属片冷却复原使电路突然断开,此时镇流器产生一较高的自感电势经回路施加于灯管两端,而使灯管迅速起燃,电流经镇流器、灯管而流通。灯管起燃后,两端压降较低,起辉器不再动作,日光灯正常工作。三、实验设备序号名称型号与规格数量备注1自耦调压器0~220V1RTDG012交流电流表0~5A1RTT03-13交流电压表0~300V1RTT03-14单相瓦特表D34-W或其它1RTT045白炽灯泡40W/220V3RTDG076镇流器与40W灯管配用1RTDG087启辉器与40W灯管配用1RTDG088电容器1μF,2.2μF4.7μF/400VRTDG089日光灯灯管40W1RTDG-110电流插座3RTDG08四、实验内容1.用一只220V,40W的白炽灯泡和4.7μF/450V电容器组成如图8-1所示的实验电路,经指导教师检查后,接通市电,将自耦调压器输出调至220V。记录U、UR、UC值,验证电压三角形关系。改变亮灯盏数(即改变R)成并联电容C之值,重复测量,数据记入表8-1中。表8-1验证电压△关系负载情况测量值计算值RCU(v)UR(v)Uc(v)U’(UR,UC组成RtΔ)ΔUØ40WR34.7μF40WR24.7Μf40WR12.2μF2.日光灯线路接线与测量。按图8-3组成线路,经指导教师检查后接通市电交流220V电源,调节自耦调压器的输出,使其输出电压缓慢增大,直到日光灯刚启辉点亮为至,按表8-2记录各表数据。然后将电压调至220V,测量功率P和PR,电流I,电压U,UL,UR等值,计算镇流器等值电阻r和等效电感L。表8-2日光灯电路的测量日光灯测量值计算值工作状态U(V)I(A)P(W)UR(V)UrL(V)Pr(W)r(Ω)L(H)启辉状态正常工作3.并联电路──电路功率因数的改善。按图8-3组成实验线路。经指导老师检查后,接通市电,将自耦调压器的输出调至220V,记录功率表,电压表读数,通过一只电流表和三个电流插孔分别测得三条支路的电流,改变电容值,进行重复测量。电容值测量数值计算值0P(w)U(v)I(A)IL(A)IC(A)cosФI’Acos’Ф1µF2.2µF3.2µF4.7µF5.7µF6.9µF五、实验注意事项1.本实验用交流市电220V,务必注意用电和人身安全。2.功率表要正确接入电路,读数时要注意量程和实际读数的折算关系。3.线路接线正确,日光灯不能启辉时,应检查启辉器及...

1、当您付费下载文档后,您只拥有了使用权限,并不意味着购买了版权,文档只能用于自身使用,不得用于其他商业用途(如 [转卖]进行直接盈利或[编辑后售卖]进行间接盈利)。
2、本站所有内容均由合作方或网友上传,本站不对文档的完整性、权威性及其观点立场正确性做任何保证或承诺!文档内容仅供研究参考,付费前请自行鉴别。
3、如文档内容存在违规,或者侵犯商业秘密、侵犯著作权等,请点击“违规举报”。

碎片内容

实验八 单相交流电路及功率因数的提高

确认删除?
VIP
微信客服
  • 扫码咨询
会员Q群
  • 会员专属群点击这里加入QQ群
客服邮箱
回到顶部