电脑桌面
添加小米粒文库到电脑桌面
安装后可以在桌面快捷访问

江苏新版土建资料表格(全套)VIP免费

江苏新版土建资料表格(全套)_第1页
1/186
江苏新版土建资料表格(全套)_第2页
2/186
江苏新版土建资料表格(全套)_第3页
3/186
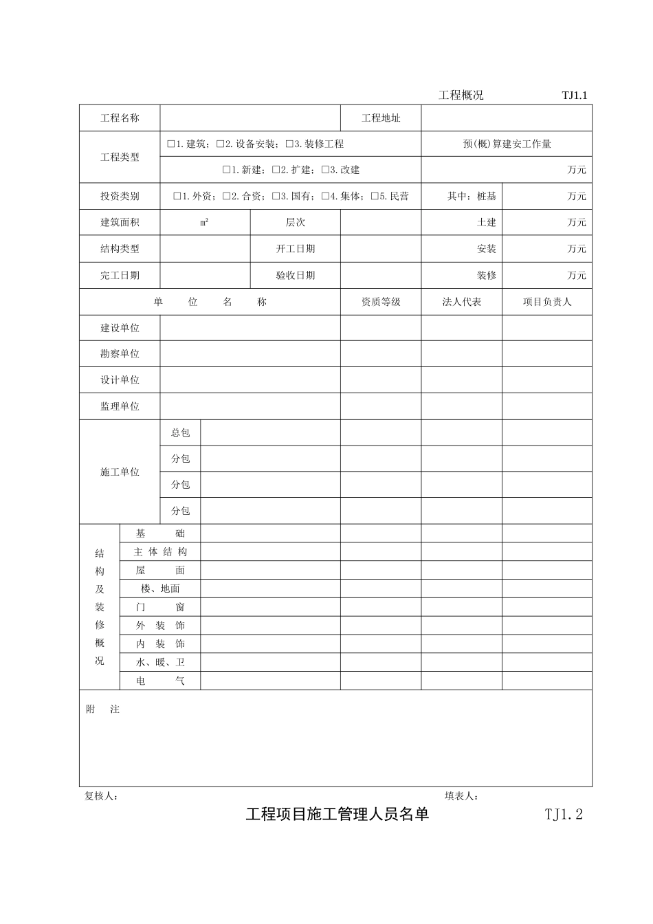
工程概况TJ1.1工程名称工程地址工程类型□1.建筑;□2.设备安装;□3.装修工程预(概)算建安工作量□1.新建;□2.扩建;□3.改建万元投资类别□1.外资;□2.合资;□3.国有;□4.集体;□5.民营其中:桩基万元建筑面积m²层次土建万元结构类型开工日期安装万元完工日期验收日期装修万元单位名称资质等级法人代表项目负责人建设单位勘察单位设计单位监理单位施工单位总包分包分包分包结构及装修概况基础主体结构屋面楼、地面门窗外装饰内装饰水、暖、卫电气附注复核人:填表人:工程项目施工管理人员名单TJ1.2工程名称施工单位技术部门负责人执业证号联系电话质量部门负责人执业证号联系电话项目经理执业证号联系电话项目技术负责人执业证号联系电话专职质检员执业证号联系电话上述人员是我单位为工程配备的项目施工管理人员,请建设(监理)单位审核。企业技术负责人:(公章)审核意见:建设单位项目负责人(总监理工程师):(公章)年月日施工现场质量管理检查记录TJ1.3开工日期:工程名称施工许可证(开工证)建设单位项目负责人设计单位项目负责人监理单位总监理工程师施工单位项目经理项目技术负责人序号项目内容1现场质量管理制度2质量责任制3主要专业工程操作上岗证书4分包方资质与对分包单位的管理制度5施工图审查情况6地质勘察资料7施工组织设计、施工方案及审批8施工技术标准9工程质量检验制度10搅拌站及计量设置11现场材料、设备存放与管理12检查结论:施工组织设计、施工方案审批表TJ1.4工程名称日期年月日现报上下表中的技术管理文件,请予以审批。类别编制人册数页数施工组织设计施工方案内容附后申报简述:审核意见:□有□无附页审批意见:审批结论:□同意□修改后报□重新编制注:附施工组织设计、施工方案。技术交底记录TJ1.5工程名称施工单位交底部位工序名称交底提要:交底内容:技术负责人交底人接受交底人注:本记录一式两份,一份交接受交底人,一份存档。开工报告TJ1.6建设单位:工程名称工程地点施工单位监理单位建筑面积m2结构层次中标价格万元承包方式定额工期天计划开工日期计划竣工日期合同编号说明上述准备工作已就绪,定于正式开工,希建设(监理)单位于前进行审核,特此报告。施工单位:审核意见:工程竣工报告TJ1.7工程名称结构类型工程地址建筑面积建设单位开工日期设计单位完工日期监理单位合同工期施工单位工程造价竣工条件具备情况项目内容施工单位自检情况完成工程设计和合同约定的情况技术档案和施工管理资料主要建筑材料、建筑构配件和设备的进场试验报告(含监督抽检)资料工程款支付情况工程质量保修书监督站责令整改问题的执行情况已完成设计和合同约定的各项内容,工程质量符合有关法律、法规和工程建设强制性标准,特申请办理工程竣工验收手续。项目经理:企业技术负责人:法定代表人:(施工单位公章)图纸会审、设计会审、洽商记录汇兑表TJ2.1工程名称日期年月日序号内容变更洽商日期备注注:图纸会审、设计变更、洽商记录附后。图纸会审、设计变更、洽商记录TJ2.1.1工程名称时间年月日内容:施工单位项目经理:技术负责人:建设(监理)单位专业技术人员:(专业监理工程师)项目负责人:设计单位专业设计人员:项目负责人:设计交底记录TJ2.1.2编号:共页第页工程名称日期年月日时间地点序号提出的图纸问题图纸修订意见设计负责人各单位项目负责人签字建设单位(建设单位公章)设计单位监理单位施工单位工程定位测量、放线验收记录TJ2.2建设单位设计单位工程名称图纸依据引进水位准点位置水准高程单位工程±0.00工程位置草图施工单位放线人:复核人:单位监理(建设)监理工程师:(建设单位项目负责人):设计单位钢材合格证和复试报告汇总表TJ2.3.1序号钢材、品种、级别生产厂家进场数量合格证编号复试报告主要使用部位及有关说明技术负责人:质量检查员:水泥出厂合格证、复试报告汇总表TJ2.3.2序号水泥品种及等级合格证编号生产厂家进场数量进场日期复试报告编号报告日期主要使用部位及有关说明技术负责人:质量检查员:砖(砌块)检验报告汇总表TJ2.3.3序号品种等级生产厂家进场数量进场日期合格证或试验报告编号报告日期主要使用部位及有关说明技术负...

1、当您付费下载文档后,您只拥有了使用权限,并不意味着购买了版权,文档只能用于自身使用,不得用于其他商业用途(如 [转卖]进行直接盈利或[编辑后售卖]进行间接盈利)。
2、本站所有内容均由合作方或网友上传,本站不对文档的完整性、权威性及其观点立场正确性做任何保证或承诺!文档内容仅供研究参考,付费前请自行鉴别。
3、如文档内容存在违规,或者侵犯商业秘密、侵犯著作权等,请点击“违规举报”。

碎片内容

江苏新版土建资料表格(全套)

您可能关注的文档

确认删除?
VIP
微信客服
  • 扫码咨询
会员Q群
  • 会员专属群点击这里加入QQ群
客服邮箱
回到顶部