电脑桌面
添加小米粒文库到电脑桌面
安装后可以在桌面快捷访问

人防资料表格VIP专享VIP免费

人防资料表格_第1页
1/24
人防资料表格_第2页
2/24
人防资料表格_第3页
3/24
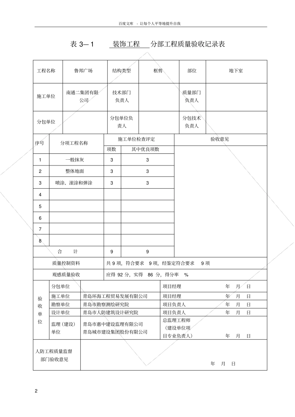
百度文库-让每个人平等地提升自我1表3—1孔口防护分部工程质量验收记录表工程名称鲁邦广场结构类型框剪部位地下室施工单位南通二集团有限公司技术部门负责人质量部门负责人分包单位分包单位负责人分包技术负责人序号分项工程名称施工单位检查评定验收意见项数其中优良项数1防护门框、防护密闭门框、密闭门框332防护门、防护密闭门、密闭门门333门式悬板活门框114门式悬板活门15进、出工程管线的防护密闭336合计1010质量控制资料共38项,符合要求31项,经鉴定符合要求31项观感质量验收应得100分,实得89分,得分率89%验收单位分包单位项目经理年月日施工单位青岛环海工程贸易发展有限公司项目经理年月日勘察单位青岛市勘察测绘研究院项目负责人年月日设计单位青岛市人防建筑设计研究院项目负责人年月日监理(建设)单位青岛市惠中建设监理有限公司青岛城市建设集团股份有限公司总监理工程师(建设单位项目专业负责人)年月日人防工程质量监督部门验收意见年月日百度文库-让每个人平等地提升自我2表3—1装饰工程分部工程质量验收记录表工程名称鲁邦广场结构类型框剪部位地下室施工单位南通二集团有限公司技术部门负责人质量部门负责人分包单位分包单位负责人分包技术负责人序号分项工程名称施工单位检查评定验收意见项数其中优良项数1一般抹灰332整体地面333喷涂、滚涂和弹涂3345678合计99质量控制资料共9项,符合要求9项,经鉴定符合要求9项观感质量验收应得92分,实得86分,得分率%验收单位分包单位项目经理年月日施工单位青岛环海工程贸易发展有限公司项目经理年月日勘察单位青岛市勘察测绘研究院项目负责人年月日设计单位青岛市人防建筑设计研究院项目负责人年月日监理(建设)单位青岛市惠中建设监理有限公司青岛城市建设集团股份有限公司总监理工程师(建设单位项目专业负责人)年月日人防工程质量监督部门验收意见年月日百度文库-让每个人平等地提升自我3表3—1防火设备安装工程分部工程质量验收记录表工程名称鲁邦广场结构类型框剪部位地下室施工单位南通二集团有限公司技术部门负责人质量部门负责人分包单位分包单位负责人分包技术负责人序号分项工程名称施工单位检查评定验收意见项数其中优良项数123456合计质量控制资料共项,符合要求项,经鉴定符合要求项观感质量验收应得分,实得分,得分率%验收单位分包单位项目经理年月日施工单位青岛环海工程贸易发展有限公司项目经理年月日勘察单位青岛市勘察测绘研究院项目负责人年月日设计单位青岛市人防建筑设计研究院项目负责人年月日监理(建设)单位青岛市惠中建设监理有限公司青岛城市建设集团股份有限公司总监理工程师(建设单位项目专业负责人)年月日人防工程质量监督部门验收意见年月日百度文库-让每个人平等地提升自我4【备1—1】人防工程竣工验收备案表山东省工程质量监督站监制百度文库-让每个人平等地提升自我5备案说明1.工程竣工验收备不免除参加与各方的质量责任。2.竣工工程保修期限按国务院《建设工程质量管理条理》的有关规定执行。3.开发建设单位、物业管理部门是工程保修内管理的第一责任人,用户对工程质量发现问题应向上述单位投诉或不做处理的,建筑行政主管部门或其委托的质监机构有权依据有关法律、法规对责任单位进行处罚,并责令限期整改。4.工程竣工验收备案表竣工验收意见栏内填写说明(参考):勘察单位:工程地质勘察符合国家有关标准,地基承载力符合设计要求。设计单位:工程符合设计要求,同意验收。施工单位;工程质量符合设计及国家质量验收保证规定,评为等级。监理单位:工程质量经验收评定为等级。建设单位:符合设计要求,工程质量经验收评定为等级。百度文库-让每个人平等地提升自我6人防工程竣工验收备案表建设单位备案日期工程名称工程地点建筑面积(㎡)防护等级结构类型工程平时用途工程战时用途开工日期竣工验收日期施工许可证号施工图审查意见勘察单位名称资质等级设计单位名称资质等级施工单位名称资质等级监理单位名称资质等级工程质量监督机构名称百度文库-让每个人平等地提升自我7竣工验收意见勘察单位意见单位(项目)负责人:(公章)年月日设计单位意见单位(项目)负...

1、当您付费下载文档后,您只拥有了使用权限,并不意味着购买了版权,文档只能用于自身使用,不得用于其他商业用途(如 [转卖]进行直接盈利或[编辑后售卖]进行间接盈利)。
2、本站所有内容均由合作方或网友上传,本站不对文档的完整性、权威性及其观点立场正确性做任何保证或承诺!文档内容仅供研究参考,付费前请自行鉴别。
3、如文档内容存在违规,或者侵犯商业秘密、侵犯著作权等,请点击“违规举报”。

碎片内容

人防资料表格

确认删除?
VIP
微信客服
  • 扫码咨询
会员Q群
  • 会员专属群点击这里加入QQ群
客服邮箱
回到顶部