电脑桌面
添加小米粒文库到电脑桌面
安装后可以在桌面快捷访问

企业信息化建设项目系统测试报告整理版VIP免费

企业信息化建设项目系统测试报告整理版_第1页
1/4
企业信息化建设项目系统测试报告整理版_第2页
2/4
企业信息化建设项目系统测试报告整理版_第3页
3/4
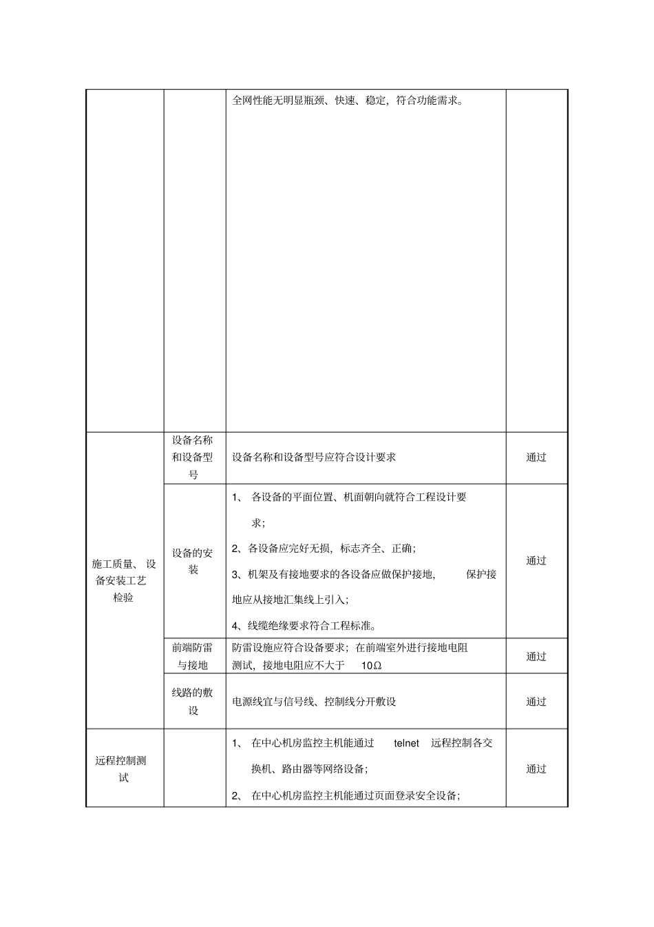
测试报告填报日期:2014年6月27日项目名称施工单位项目经理项目编号NU2012AS010建设单位联系人测试参加人员测试时间2014年6月27日测试用主要仪器设备接地电阻测试仪、绝缘电阻测试仪、泄漏电流测试仪、网线、笔记本电脑、wireshark软件、InternetScanner软件系统功能和主要性能测试测试(检验)项目测试(检验)要求测试(检验)结果基础测试各交换机、路由器、防火墙等网络及安全设备软件版本、内存大小、接口板符合功能需求,各端口类型、数量、状态符合功能需求,系统配置,包括主机名、端口地址、端口描述、口令加密、开启的服务等符合功能需求。通过通过单节点系统测1、单点系统测试主要针对单点系统各项功能进行验证,必要时应进行功能所遵守的各种协议的一致性测试、功能完备性测试。2、交换机STP协议版本及配置应正确,确保无环路产生。3、路由器、交换机配置文件应正确保存。4、各路由器及路由协议的路由收敛能力配置正确,符合功能需求;根据各节点中路由协议的设置,要求各节点路由器对路由信息的接收、传播、过滤符合要求,路由内容正确。通过线路冗余1、外网线路不管断开哪条线路都不影响网络的正常使通过测试用;2、核心交换机上行线路、下行线路不管断开哪条主用或备用线路都不影响网络的正常使用;无线覆盖测试1、无线wifi应有安全认证;2、AP是应同时支持802.11a/b/g标准;3、AP间应能实现数据跨三层无缝漫游;4、无线应能覆盖办公楼及前进宾馆所有区域。通过安全功能测试1、利用InternetScanner或Xscan、Nmap等免费scanner对处于工作状态的防火墙仿真黑客攻击,如遇攻击,防火墙医能检测并拦截攻击;2、IPS新增包过滤策略,如有攻击,IPS应能检测到攻击并分析出漏洞;3、通过外网对VPN功能进行检测,VPN应能达到要求的连接数以及吞吐量;4、通过上网检测上网行为管理对网页访问过滤、网络应用控制、带宽流量管理、信息收发审计、用户行为分析等功能的效果;通过全网连通测试1、全网检测必须在所有单点检测完成后进行。2、检查全网接入线路、垂直、水平骨干线路、核心线路、无线线路,确保各层级网络线路的传输速率符合设计要求,确保各层级设备端口类型、数量满足设计要求,确保骨干线路、核心线路均有冗余备份。3、根据网络拓扑结构形成网络节点之间的连通性,进行两两节点间的连通性测试,要求节点间的连通性符合网络设计规划的访问控制规则。无线网络应可实现统一管理,连通性符合网络设计规划的访问控制规则。4、各网段中的服务器与路由器的连通性符合功能需求;各网段中的服务器与终端用户的连通性符合功能需求。5、对全网进行时延测试、时延变化测试、IP包丢失率,通过全网性能无明显瓶颈、快速、稳定,符合功能需求。施工质量、设备安装工艺检验设备名称和设备型号设备名称和设备型号应符合设计要求通过设备的安装1、各设备的平面位置、机面朝向就符合工程设计要求;2、各设备应完好无损,标志齐全、正确;3、机架及有接地要求的各设备应做保护接地,保护接地应从接地汇集线上引入;4、线缆绝缘要求符合工程标准。通过前端防雷与接地防雷设施应符合设备要求;在前端室外进行接地电阻测试,接地电阻应不大于10Ω通过线路的敷设电源线宜与信号线、控制线分开敷设通过远程控制测试1、在中心机房监控主机能通过telnet远程控制各交换机、路由器等网络设备;2、在中心机房监控主机能通过页面登录安全设备;通过测试问题记录无测试结论系统功能满足客户需求。测试通过。建设单位项目负责人:施工单位项目负责人:日期:日期:

1、当您付费下载文档后,您只拥有了使用权限,并不意味着购买了版权,文档只能用于自身使用,不得用于其他商业用途(如 [转卖]进行直接盈利或[编辑后售卖]进行间接盈利)。
2、本站所有内容均由合作方或网友上传,本站不对文档的完整性、权威性及其观点立场正确性做任何保证或承诺!文档内容仅供研究参考,付费前请自行鉴别。
3、如文档内容存在违规,或者侵犯商业秘密、侵犯著作权等,请点击“违规举报”。

碎片内容

企业信息化建设项目系统测试报告整理版

您可能关注的文档

确认删除?
VIP
微信客服
  • 扫码咨询
会员Q群
  • 会员专属群点击这里加入QQ群
客服邮箱
回到顶部