电脑桌面
添加小米粒文库到电脑桌面
安装后可以在桌面快捷访问

华东师大版初三物理总复习 电和磁 生活用电试卷VIP免费

华东师大版初三物理总复习 电和磁 生活用电试卷_第1页
1/7
华东师大版初三物理总复习 电和磁 生活用电试卷_第2页
2/7
华东师大版初三物理总复习 电和磁 生活用电试卷_第3页
3/7
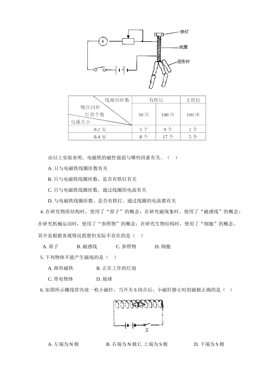
初三物理总复习电和磁生活用电(答题时间:45分钟)一、选择题1.如图所示,是热敏电阻(受温度影响阻值会发生变化的电阻)电磁继电器组成的火警报警器的示意图,热敏电阻受热后,其阻值减小,将发生的变化是()A.电磁继电器控制电路中的电流减小B.电磁继电器控制电路中的电流增大C.当阻值小到某一定值后,电磁继电器的电磁铁吸引衔铁D.红灯发光同时电铃响2.如图所示,开关闭合,当滑动变阻器的滑片向右移动时,弹簧上悬吊的铁块A将()A.向上移动B.向下移动C.保持静止D.无法判断3.小明用自制的电磁铁来研究它的磁性与哪些因素有关。实验器材:两个相同大小的大铁钉、一些漆包线、开关、电源、滑动变阻器、一些回形针和电流表等。在实验中,用漆包线绕制横截面和紧密程度相同的三个线圈,其中两个线圈插入铁钉,另一个线圈内无铁钉,按如图电路进行实验,实验记录的数据如下表:()由以上实验表明,电磁铁的磁性强弱与哪些因素有关。()A.只与电磁铁线圈匝数有关B.只与电磁铁线圈匝数、是否有铁钉有关C.只与电磁铁线圈匝数、通过线圈的电流有关D.与电磁铁线圈匝数、是否有铁钉、通过线圈的电流都有关4.在研究物质结构时,使用了“原子”的概念;在研究磁现象时,使用了“磁感线”的概念;在研究机械运动时,使用了“参照物”的概念;在研究生物结构时,使用了“细胞”的概念。其中是根据客观情况假想但实际不存在的是()A.原子B.磁感线C.参照物D.细胞5.下列物体不能产生磁场的是()A.蹄形磁铁B.正在工作的灯泡C.带电物体D.地球6.如图所示螺线管内放一枚小磁针,当开关S闭合后,小磁针静止时的磁极正确的是()A.左端为N极B.右端为N极C.上端为S极D.下端为S极7.如图所示,将一根弹簧与电源相连,当开关闭合后,会发现()A.弹簧变短B.弹簧变长C.弹簧长度不变D.无法确定8.如图所示,电磁铁的右边为一磁铁,左边为一根铁棒,闭合开关S后,以下说法正确的是()A.若条形磁铁被吸引,则可断定b端为电源负极B.若条形磁铁被排斥,则可断定a端为电源正极C.若铁棒被吸引,则可断定b端为电源正极D.若铁棒被吸引,则可断定a端为电源正极9.有一根软棒悬挂在通电螺线管的旁边,如图所示,当软铁棒静止时,下列说法中正确的是()A.a端是N极B.b端是N极C.a端没有磁性D.软铁棒没有磁性10.如图所示,通电螺线管附近有两个小磁针,静止时它们的磁极是()A.A右端为S极B.B右端为N极C.A左端为S极D.B左端为S极二、综合题11.如图所示是小新同学做“制作、研究电磁铁”实验的示意图,他在实验中发现大铁钉A比B能吸引更多的大头针。根据图示的实验现象他得出的结论是:当________一定时,电磁铁的线圈匝数越多,磁性___________。将滑动变阻器的滑片向右移动时,铁钉吸引的大头针将_________(填“变多”、“变少”或“没有变化”),这说明电磁铁的磁性还与________有关。12.如图所示的通电螺线管,标出小磁针的南、北极。13.标出图中线圈的绕线方法。14.由于大功率用电器增多,常用的闸刀开关的保险丝经常熔断,更换麻烦,如图所示是李瑾正在设计的新型自动开关的一部分。请你帮助完成设计,实现电流过大,自动断开,切断电源。在图中补画出你的设计,形成完整的结构原理图。15.夏天,当温度达到35℃时需自动开启电风扇,请将图中所示的元件连接起来组成符合要求电路。16.小莉学完家庭用电知识后,安装了某房间的照明电路(如图),经检查发现有三处错误,请写出错误之处的字母代号,并说出错误的原因。17.某发电站向用户输送的电功率为1000kW,若输电线的电阻为。(1)当输电电压为2000V时,输电线路损失的热功率是多少?(2)若改用105V的高压输电,输电线路上损耗的热功率是多少?用户得到的实际功率是多少?18.一家用电能表标有“3000r/kWh”字样,现仅使用40W的灯泡一只,测得表盘转6圈的时间是172s,问此表转速正常吗?参考答案一、选择题:BCDADBCBAABC二、综合题11.电流;越强;变少;电流大小12.左图小磁针:左北右南右图小磁针:上北下南13.14.15.答案:见图16.①B插座不应串联在火线上;②D开关不应接在零线上;③F灯灯头螺旋套不应接在火线上。17.(1)2500W(2)100W,约103kW18.转快了,,而实际耗电

1、当您付费下载文档后,您只拥有了使用权限,并不意味着购买了版权,文档只能用于自身使用,不得用于其他商业用途(如 [转卖]进行直接盈利或[编辑后售卖]进行间接盈利)。
2、本站所有内容均由合作方或网友上传,本站不对文档的完整性、权威性及其观点立场正确性做任何保证或承诺!文档内容仅供研究参考,付费前请自行鉴别。
3、如文档内容存在违规,或者侵犯商业秘密、侵犯著作权等,请点击“违规举报”。

碎片内容

华东师大版初三物理总复习 电和磁 生活用电试卷

您可能关注的文档

雨丝书吧+ 关注
实名认证
内容提供者

乐于和他人分享知识,从事历史教学,热爱教育,高度负责。

确认删除?
VIP
微信客服
  • 扫码咨询
会员Q群
  • 会员专属群点击这里加入QQ群
客服邮箱
回到顶部