电脑桌面
添加小米粒文库到电脑桌面
安装后可以在桌面快捷访问

北师大(广东珠海)附中高三化学第二轮复习——综合训练(1)人教版VIP免费

北师大(广东珠海)附中高三化学第二轮复习——综合训练(1)人教版_第1页
1/10
北师大(广东珠海)附中高三化学第二轮复习——综合训练(1)人教版_第2页
2/10
北师大(广东珠海)附中高三化学第二轮复习——综合训练(1)人教版_第3页
3/10
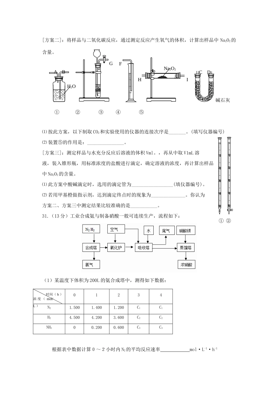
北师大(珠海)附中高三化学第二轮复习——综合训练(1)一、选择题(6小题,每小题只有一个正确答案,每题4分,共24分)7.2008夏季奥运会将在我国举行,这次奥运会要突出“绿色奥运、科技奥运、人文奥运”的理念,其中“绿色奥运”是指A.奥运场馆建设均使用天然材料,不使用合成材料B.严禁使用兴奋剂,使运动员公平竞争C.所有奥运用品和食品全都是绿色的D.把环境保护作为奥运设施规划和建设的首要条件8.设NA这阿伏加德罗常数的数值,下列有关叙述中不正确的是A.Na2O2与H2O反应生成1.12L(标准状况下)O2,反应中转移的电子数为0.1NAB.常温常压下,NA个甲烷分子的体积大于22.4LC.0.1mol·L—1的NaHSO4溶液中含0.2NA个阳离子D.121gCC12F2中含氟原子的个数为2NA9、2H、13C、15N、18O、34S等常用做环境分析指示物,下列对它们的说法正确的是()A.34S原子核内的中子数为16B.16O与18O互称同位素C.13C和15N原子核内的质子数相差2D.2H的核外电子数比1H多一个10.一种新型乙醇电池用磺酸类质子作溶剂,比甲醇电池效率高出32倍。电池总反应为:C2H5OH+3O2=2CO2+3H2O,电池示意图如右下图。下面对这种电池的说法正确的是A.b极为电池的负极B.电池工作时电子由b极沿导线经灯泡再到a极C.电池正极的电极反应为:4H++O2+4e-=2H2OD.设每个电子所带电量为q库仑,则1mol乙醇被氧化产生6NAq库仑的电量11.高温下,炽热的铁与水蒸气在一个体积可变的密闭容器中反应:3Fe(s)+4H2O(g)Fe3O4(s)+4H2(g),下列条件的改变对其反应速率几乎无影响的是A.增加铁的量B.将容器的体积缩小一半C.压强不变,充入氮气使容器体积增大D.加入催化剂12、已知:4NH3(g)+5O2(g)4NO(g)+6H2O(g),△H=—1025kJ/mol,若反应物起始的物质的量相同,下列关于该反应的示意图不正确的是()二、选择题(2小题,每小题有两个正确答案,每题6分,漏选3分,错选0分,共12分)22.下列各离子浓度的大小比较,正确的是()A.同浓度的下列溶液中:①(NH4)2Fe(SO4)2②(NH4)2CO3③(NH4)2SO4,c(NH4+)由大到小的顺序是:①>③>②B.常温时,将等体积的盐酸和氨水混合后,当pH=7时,则c(NH4+)>c(Cl—)C.0.1mol·L—1Na2CO3溶液中:c(OH—)=c(HCO3-)+c(H+)+c(H2CO3)D.0.1mol·L—1的NH4Cl溶液与0.05mol·L—1NaOH溶液等体积混合溶液显碱性:c(Cl—)>c(NH4+)>c(Na+)>c(OH—)>c(H+)23.常温下,在下列溶液中发生如下反应:①2A2++B2=2A3++2B-②16H++10Z-+2XO4-=2X2++5Z2+8H2O③2B-+Z2=B2+2Z-由此判断下更说法错误的是()A.Z2+2A2+=2A3++2Z-反应可以进行B.Z元素在①③反应中均被还原C.氧化性由强到弱的顺序是XO4—、Z2、B2、A3+D.还原性由强到弱的顺序是A2+、B-、Z-、X2+三、非选择题(本题包括4小题,共64分)30.(12分)为测定某含有杂质Na2O的Na2O2样品的纯度,3个小组分别设计如下方案。首先准确称量样品mg,然后,按照以下方案进行实验:[方案一]:将样品与水充分反应,使产生的O2通过灼热的铜粉,测得反应后生成氧化铜的质量为ng,通过计算求出试样中Na2O2的含量。此方案测定的结果误差较大,主要原因是:________________________________________________;[方案二]:将样品与二氧化碳反应,通过测定反应产生氧气的体积,计算出样品中Na2O2的含量。⑴按此方案,以下制取CO2和实验使用的仪器的连接次序是_______。(填写仪器编号)⑵装置⑤的作用是:_______________。[方案三]:测定样品与水充分反应后溶液的体积Vml。,再从中取V1mL溶液,装入锥形瓶,用标准浓度的盐酸进行滴定,确定溶液的浓度,再计算出样品中Na2O2的含量。⑴此方案中酸碱滴定时,选用的滴定管为_________________(填仪器编号)。⑵若用甲基橙做指示剂,达到滴定终点时的现象为______________。你认为方案二、方案三中测定结果比较准确的是___________。31.(13分)工业合成氨与制备硝酸一般可连续生产,流程如下:(1)某温度下体积为200L的氨合成塔中,测得如下数据:根据表中数据计算0~2小时内N2的平均反应速率mol·L-1·h-101234N21.5001.4001.200C1C1H24.5004.2003.600C2C2NH300.2000.600...

1、当您付费下载文档后,您只拥有了使用权限,并不意味着购买了版权,文档只能用于自身使用,不得用于其他商业用途(如 [转卖]进行直接盈利或[编辑后售卖]进行间接盈利)。
2、本站所有内容均由合作方或网友上传,本站不对文档的完整性、权威性及其观点立场正确性做任何保证或承诺!文档内容仅供研究参考,付费前请自行鉴别。
3、如文档内容存在违规,或者侵犯商业秘密、侵犯著作权等,请点击“违规举报”。

碎片内容

北师大(广东珠海)附中高三化学第二轮复习——综合训练(1)人教版

海博书城+ 关注
实名认证
内容提供者

从事历史教学,热爱教育,高度负责。

确认删除?
VIP
微信客服
  • 扫码咨询
会员Q群
  • 会员专属群点击这里加入QQ群
客服邮箱
回到顶部