电脑桌面
添加小米粒文库到电脑桌面
安装后可以在桌面快捷访问

九年级化学下学期第五次周考试卷试卷VIP免费

九年级化学下学期第五次周考试卷试卷_第1页
1/4
九年级化学下学期第五次周考试卷试卷_第2页
2/4
九年级化学下学期第五次周考试卷试卷_第3页
3/4
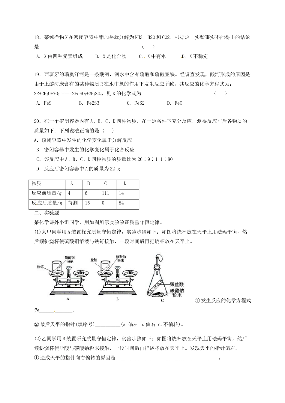
吉林省通化市外国语学校2018届九年级化学下学期第五次周考试题一、选择题(第1题~第20题,共40分)可能用到的相对原子质量:H1C12N14O16Al27P31Zn65K31Cl35.51.在下列各项中,化学反应前后肯定没有发生改变的是()①原子的数目②分子的数目③元素的种类④物质的总质量⑤物质的种类⑥原子的种类A.①③④⑤B.①③④⑥C.①④⑥D.①③⑤2.根据质量守恒定律,铁丝在氧气中完全燃烧,生成物的质量()A.一定大于铁丝的质量B.一定小于铁丝的质量C.一定等于铁丝的质量D.不能确定3.化学方程式3Fe+2O2点燃Fe3O4可读作()A.铁加氧气等于四氧化三铁B.三个铁加两个氧气等于一个四氧化三铁C.铁和氧气点燃后生成四氧化三铁D.铁加氧气点燃等于四氧化三铁4.某物质在纯氧中燃烧生成了氮气和水蒸气,该物质一定含有()A.氮元素和氧元素B.氢元素和氧元素C.氮元素和碳元素D.氮元素和氢元素5.下列化学方程式正确的是()A.S+O2点燃SO2↑B.4Al+3O2点燃2Al2O3C.P+O2点燃PO2D.Mg+O2点燃MgO26.下列反应不属于分解反应的是()A.H2CO3CO2↑+H2OB.2HgO加热2Hg+O2↑C.2H2O2MnO22H2O+O2↑D.Mg+CuO加热Cu+MgO7.以下反应中.有一种元素从+2价变为0价的是()A.S+O2点燃SO2B.2Mg+O2点燃2MgOC.CuO+H2加热Cu+H2OD.2H2O通电2H2↑+O2↑8.化学方程式aC2H2+bO2点燃cH2O+dCO2配平后a、b、c、d之和为()A.15B.14C.13D.109.在化学反应X+2Y====Z中,3gX和足量Y充分反应后生成8gZ,则参加反应的Y的质量为()A.2.5gB.3gC.5gD.6g10.下列各式中,正确表示铝与稀硫酸反应的化学方程式是()A.Al+H2SO4====AlSO4+H2↑B.2Al+3H2SO4====Al2(SO4)3+3H2↑C.Al+2H2SO4====Al(SO4)2+2H2↑D.2Al+H2SO4====Al2SO4+H2↑11.在2A+B==2C反应中,已知A的相对分子质量为24,C的相对分子质量为40,则B的相对分子质量为()A.16gB.32gC.16D.3212.下列说法能用质量守恒定律解释的是()A.mg水受热变为mg的水蒸气B.62g磷和80g的氧反应生成142g五氧化二磷C.20g食盐溶于80g水得到100g的食盐水D.拧开盛酒精的瓶盖一段时间后质量变小13.9g水在通电条件下可生成氢气的质量是()A.1gB.2gC.3gD.4g14.在2H2O2MnO22H2O+O2↑的反应中,反应前后肯定发生变化的是()A.元素种类B.各种原子的数目C.氧元素的化合价D.物质的质量总和15.铝在氧气中燃烧生成氧化铝。在这个反应中,铝、氧气、氧化铝的质量比是()A27∶32∶102B27∶24∶43C4∶3∶2D108∶96∶20416.由化学方程式CxHyOz+5O2==4CO2+4H2O,可知x、y、z的值分别是()A.1、2、3B.2、4、1C.4、8、2D.4、4、117.人在剧烈运动后,血液中会产生较多的乳酸(化学式为C3H6O3),使肌肉酸痛。放松一段时间后,由于乳酸与吸入的氧气反应生成二氧化碳和水,而使肌肉的酸痛感消失。表示该反应的化学方程式正确的是()A.C3H6O3+3O2=3CO2+3H2OB.C3H6O3+O2=CO2+H2OC.C3H6O3+3O2=3CO2↑+3H2OD.2C3H6O3+5O2=6CO2+6H2O18.某纯净物X在密闭容器中稍加热就分解为NH3、H2O和CO2,根据这一实验事实不能得出的结论是()A.X由四种元素组成B.X是化合物C.X中有水D.X不稳定19.西班牙的瑞奥汀河是一条酸河,河水中含有硫酸和硫酸亚铁。经调查发现,酸河形成的原因是由于上游河床含有的某种物质R在水中氧的作用下发生反应所致,其反应的化学方程式为:2R+2H2O+7O2====2FeSO4+2H2SO4,则R的化学式为()A.FeSB.Fe2S3C.FeS2D.FeO20.在一个密闭容器内有A、B、C、D四种物质,在一定条件下充分反应,测得反应前后各物质的质量如下:下列说法正确的是()A.该闭容器中发生的化学变化属于分解反应B.密闭容器中发生的化学变化属于化合反应C.该反应中A、B、C、D四种物质的质量比为26∶9∶111∶80D.反应后密闭容器中A的质量为22g物质ABCD反应前质量/g4611114反应后质量/g待测15084二、实验题某化学课外小组同学,用如图所示实验验证质量守恒定律。(1)某甲同学用A装置探究质量守恒定律,实验步骤如下:如图将烧杯放在天平上用砝码平衡,然后倾斜烧杯使硫酸铜溶液与铁钉接触,一段时间后再把烧杯放在天平上。①发生反应的化学方程式为_____________。②最后天平的指针(填序号)__________(a.偏左b...

1、当您付费下载文档后,您只拥有了使用权限,并不意味着购买了版权,文档只能用于自身使用,不得用于其他商业用途(如 [转卖]进行直接盈利或[编辑后售卖]进行间接盈利)。
2、本站所有内容均由合作方或网友上传,本站不对文档的完整性、权威性及其观点立场正确性做任何保证或承诺!文档内容仅供研究参考,付费前请自行鉴别。
3、如文档内容存在违规,或者侵犯商业秘密、侵犯著作权等,请点击“违规举报”。

碎片内容

九年级化学下学期第五次周考试卷试卷

您可能关注的文档

确认删除?
VIP
微信客服
  • 扫码咨询
会员Q群
  • 会员专属群点击这里加入QQ群
客服邮箱
回到顶部