电脑桌面
添加小米粒文库到电脑桌面
安装后可以在桌面快捷访问

企业管理专题培训教材生产计划与进度控制VIP免费

企业管理专题培训教材生产计划与进度控制_第1页
1/13
企业管理专题培训教材生产计划与进度控制_第2页
2/13
企业管理专题培训教材生产计划与进度控制_第3页
3/13
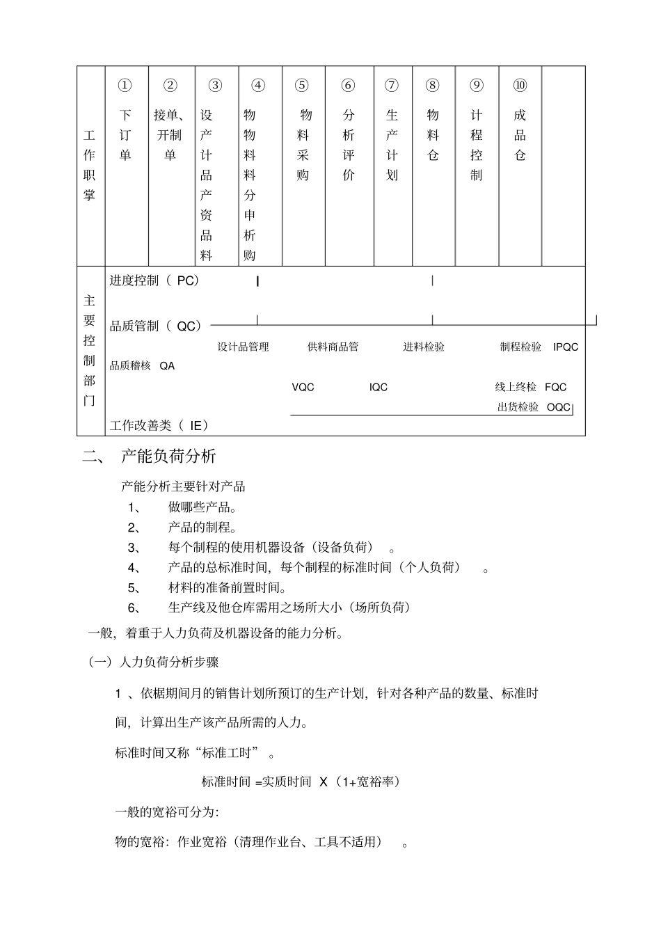
企业管理专题培训教材专业严谨高效诚信一、生产管理概论在组织里,最高主管当然是指挥中心.面在厂内生产运作过程中,生产管理部门(或称生管)显然扮演的角色就是”生产指挥中心”或”运作枢纽”.中小企业因为生产管理经验不足和或认识不足,生管部门的附属单位.在生产管理不善的工厂内,经常会发生.1.经常停工待料,甚至三天打鱼,两天晒网.2.无休止的加班,人变成了生产机器.3.前后工序的半成品或材料不衔接.4.半成品堆积如山.5.生产计划表,徒具形式,你做你的计划,我做我的产品,生产计划达成率低,生产计划表更动频繁,不是追加,就是取消.6.紧急订单很多,生产计划无法执行.7.交货经常迟延,影响公司信誉.8.生产紊乱,品质跟随着失控,返工重做.9.材料、零件或产品积压过多,造成企业资金调度困难.以上乱象就是意味着生产缺乏“秩序”与“纪律”,就像人一样,要有秩序就得有一套既科学又切实际的生产管理制度,只有这样才能消除生产中发生的乱象.生产管理制度,基本上的做法:生管部门先与营业部门协调好销售计划(出货计划),依此销售计划做基础,制订生产计划,生产工厂再依据此“生产计划”进行物料、人力、设备及场所的先期准备(计划),并依计划做生产排程,再依排程做进度控制。建立良好的生产管理应:a.制订完善的生产管理运作系统。(表1)b.制订短、中、长期的销售计划。c.自身的产品能事前建成立分析资料。d.生产前做好完善的生产计划。e.配合良好的物料控。f.生产中做好进度控制与及时的调整。表1:生产工厂生产运作系统(订单生产型)流程③⑤⑥⑧①②④⑦⑨⑩执行部门①客户②业务③研发④物控⑤采购⑥供料商⑦生管⑧仓管⑨生产⑩入库⑩出货工作职掌①下订单②接单、开制单③设产计品产资品料④物物料料分申析购⑤物料采购⑥分析评价⑦生产计划⑧物料仓⑨计程控制⑩成品仓主要控制部门进度控制(PC)品质管制(QC)设计品管理供料商品管进料检验制程检验IPQC品质稽核QAVQCIQC线上终检FQC出货检验OQC工作改善类(IE)二、产能负荷分析产能分析主要针对产品1、做哪些产品。2、产品的制程。3、每个制程的使用机器设备(设备负荷)。4、产品的总标准时间,每个制程的标准时间(个人负荷)。5、材料的准备前置时间。6、生产线及他仓库需用之场所大小(场所负荷)一般,着重于人力负荷及机器设备的能力分析。(一)人力负荷分析步骤1、依椐期间月的销售计划所预订的生产计划,针对各种产品的数量、标准时间,计算出生产该产品所需的人力。标准时间又称“标准工时”。标准时间=实质时间X(1+宽裕率)一般的宽裕可分为:物的宽裕:作业宽裕(清理作业台、工具不适用)。人的宽裕:需要宽裕(上洗手间、喝水)。疲劳宽裕(因工作疲劳降低工作速度)。宽裕时间实质时间宽裕率=X100%或作业率=X100%实质时间实际起讫时间一般宽裕通常的宽裕率为实质时间的18%---24%例:某生产部次月计划产品名项目ABCD合计标准时8.84计划产量3,500需要工时30,940660,000假设:工作天为23天,每天的工作时间为8小时(不含加班),则其人员需求计算如下:(计划生产总标准时间)1、人员需求=X(1+宽裕率)1人1天工作时间X工作日宽裕率设定为15%660000人员需求=X(1+15%)=59.7=60人(60分X8)X232、比较现有人力如现有人员为56人,则需补4人。3、申请增补上面例子,为某一生产部门,次月计划生产所需求之人力,不足时即时向人事部门申请增补。(二)机器负荷分析步骤1、依生产的机器设备加以分类如车床、冲压机等。2、计算各种机器设备的产能负荷。例:冲压机每分钟生产3PCS,实际生产1PCS需时0.33分。标准时间=实际时间+宽裕时间设定宽裕率=20%=0.33分×(1+20%)=0.4分产能=作业时间÷单件标准时间设定每日作业时间=480分=480分÷0.4分=1200PCS如:冲压机有10台,开机率为90%,则480冲压机总产能=产能×台数×开机率=×10×90%0.4≈10,800PCS3、将期间内生产计划所需用之机器统计产品名项目ABCD合计车床冲床每种机器设备的合计计划生产数÷计划生产日数量=每日应生产数4、比较现有机器设备负荷每日应生产数与现有机器产能比较,产能不足应考虑延长工时等措施来提升产量。5、机器设备之增补机器设备之增补非同增补人员那样方便,牵涉到资金筹...

1、当您付费下载文档后,您只拥有了使用权限,并不意味着购买了版权,文档只能用于自身使用,不得用于其他商业用途(如 [转卖]进行直接盈利或[编辑后售卖]进行间接盈利)。
2、本站所有内容均由合作方或网友上传,本站不对文档的完整性、权威性及其观点立场正确性做任何保证或承诺!文档内容仅供研究参考,付费前请自行鉴别。
3、如文档内容存在违规,或者侵犯商业秘密、侵犯著作权等,请点击“违规举报”。

碎片内容

企业管理专题培训教材生产计划与进度控制

您可能关注的文档

确认删除?
VIP
微信客服
  • 扫码咨询
会员Q群
  • 会员专属群点击这里加入QQ群
客服邮箱
回到顶部