电脑桌面
添加小米粒文库到电脑桌面
安装后可以在桌面快捷访问

信用证审核作业指导书资料VIP免费

信用证审核作业指导书资料_第1页
1/10
信用证审核作业指导书资料_第2页
2/10
信用证审核作业指导书资料_第3页
3/10
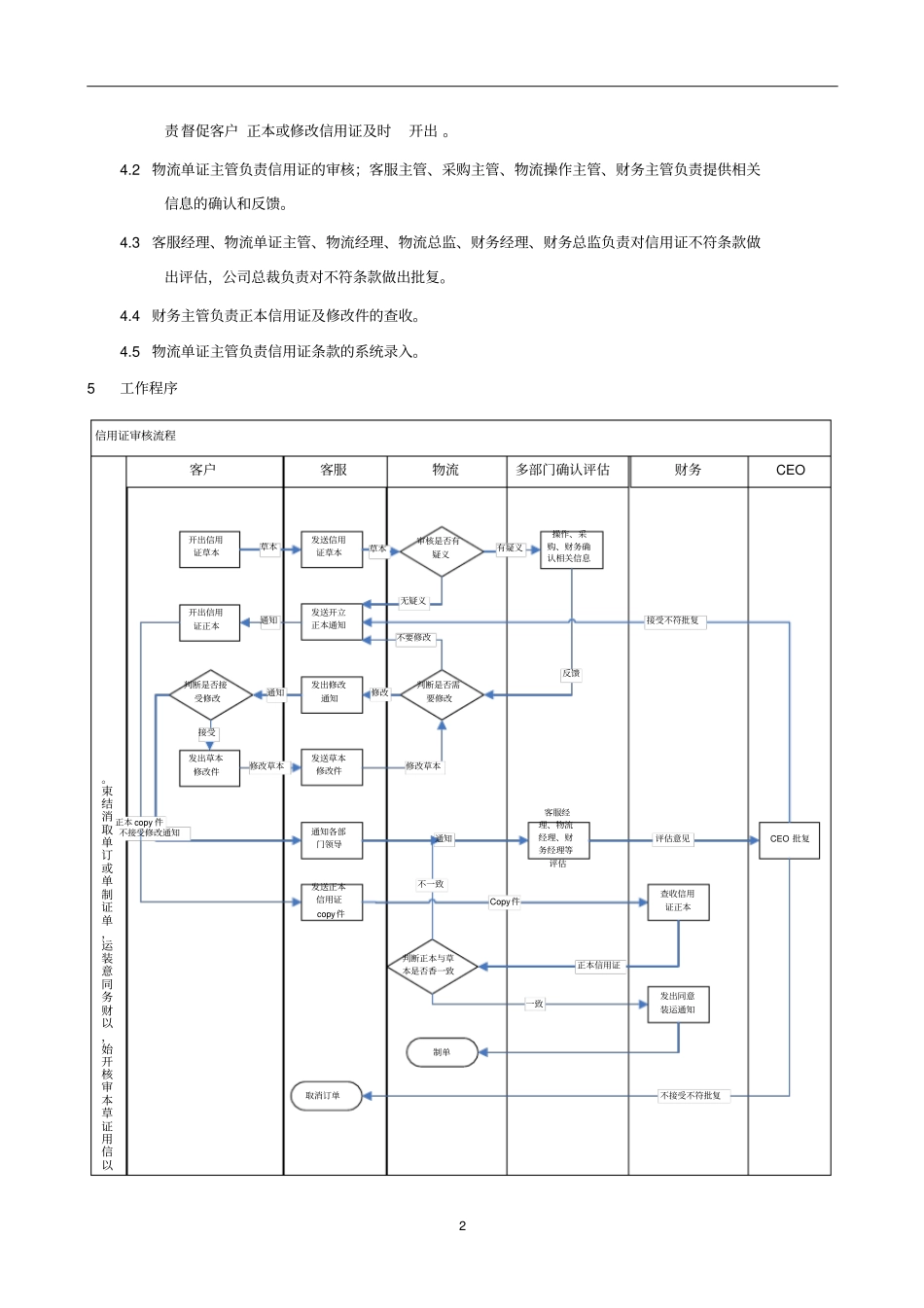
1信用证审核作业指导书名称信用证审核作业指导书编号创建人创建日期复核人标准角色柏盛责任人1目的对国外来证进行审核,确保客户开立的信用证的条款符合签订的外销合同,确保信用所要求的单证都能满足,以便做到“相符交单”,避免不符点的产生,减少额外费用,避免开证行的拒付,降低收汇风险。2范围本作业指导书适合公司所有出口货物信用证国外来证的审核。3定义信用证是开证行应进口方的请求向出口方开立的在一定条件下保证付款的凭证,付款条款是出口方(受益人)向银行提交符合信用证要求的单据。MT700是信用证的固定格式,每个域均有固定的含义,而且这种格式下的信用证,不必特殊说明就表示该证必须遵循《UCP600》跟单信用证统一惯例。4职责4.1客服主管负责要求客人在正式开立信用证前提供信用证的草本,负责与客户之间的沟通联系,负5资源:邮件、系统后台、银行、UCP600规则;4谁负责:物流单证主管负责,客服,财务,采购,物流操作等提供配合和支持。3.输入:销售合同信用证草本或正本或修改件1过程:信用证草本、正本、修改件审核2.输出:没有软条款、单证要求完全可以满足的信用证6根据签订的销售合同、UCP600规则、单据的制作规范逐一审核信用证各条款。7审核没有出现信用证信息遗漏审核信用证的及时性。2责督促客户正本或修改信用证及时开出。4.2物流单证主管负责信用证的审核;客服主管、采购主管、物流操作主管、财务主管负责提供相关信息的确认和反馈。4.3客服经理、物流单证主管、物流经理、物流总监、财务经理、财务总监负责对信用证不符条款做出评估,公司总裁负责对不符条款做出批复。4.4财务主管负责正本信用证及修改件的查收。4.5物流单证主管负责信用证条款的系统录入。5工作程序以信用证草本审核开始,以财务同意装运,单证制单或订单取消结束。信用证审核流程物流财务CEO多部门确认评估客服客户开出信用证草本发送信用证草本草本草本审核是否有疑义发送开立正本通知开出信用证正本无疑义通知判断是否接受修改发出草本修改件接受发出修改通知发送草本修改件操作、采购、财务确认相关信息通知判断是否需要修改反馈有疑义修改修改草本修改草本不要修改通知各部门领导不接受修改通知客服经理、物流经理、财务经理等评估通知CEO批复评估意见接受不符批复不接受不符批复正本copy件发送正本信用证copy件查收信用证正本Copy件判断正本与草本是否香一致正本信用证一致发出同意装运通知制单不一致取消订单35.1信用证草本审核5.1.1审核时间5.1.1.1合同签订后,正本信用证开出之前。5.1.2草本来源5.1.2.1客服主管向物流单证主管提供客户向开证行申请的信用证草本。5.1.3审核过程5.1.3.1物流单证主管审核收到草本后3小时完成。5.1.3.1.1条款无疑义,通知客服主管,可以通知客户开立正本信用证5.1.3.1.1.1客服主管通知客户开立正本信用证,并要求客户传真正本信用证复印件5.1.3.1.2条款有疑义的,针对有疑义部分用E-Mail形式要求相关部门确认:5.1.3.1.2.1采购主管、财务主管、物流操作主管分别1小时内确认反馈。5.1.3.1.3物流单证主管总结确认信息,评估需要改进的条款,将审核结果反馈客服主管、客服经理、物流经理。5.1.3.1.3.1可开立正本信用证5.1.3.1.3.1.1客服主管通知客户开立正本信用证,并要求客户传真正本信用证复印件。5.1.3.1.3.2针对需修改的信用证草本5.1.3.1.3.2.1客服主管通知客户修改信用证草本5.1.3.1.3.2.1.1客户同意修改的,要求客户将修改好的信用证草本传真过来再次审核,直到修改正确后通知开立正本信用证,并要求客户传真正本信用证复印件。5.1.3.1.3.2.1.2客户不同意修改的5.1.3.1.3.2.1.2.1客服主管、客服经理、物流单证主管、物流经理、财务经理负责对信用证不符条款做出评估。5.1.3.1.3.2.1.2.2公司总裁负责对不符条款做出批复:或撤销信用证或继续执行。5.1.4财务主管负责查收信用证正本及修改件。5.2信用证正本审核5.2.1物流单证主管收到财务主管交来的信用证正本,先扫描上传系统后台。45.2.2正本审核5.2.2.1审核过草本的,与信用证草本及修改件校对。5.2.2.2客户直接开出正本信用证的,审核过程同信用证草本审核项下5.1.3。5.3系统维...

1、当您付费下载文档后,您只拥有了使用权限,并不意味着购买了版权,文档只能用于自身使用,不得用于其他商业用途(如 [转卖]进行直接盈利或[编辑后售卖]进行间接盈利)。
2、本站所有内容均由合作方或网友上传,本站不对文档的完整性、权威性及其观点立场正确性做任何保证或承诺!文档内容仅供研究参考,付费前请自行鉴别。
3、如文档内容存在违规,或者侵犯商业秘密、侵犯著作权等,请点击“违规举报”。

碎片内容

信用证审核作业指导书资料

确认删除?
VIP
微信客服
  • 扫码咨询
会员Q群
  • 会员专属群点击这里加入QQ群
客服邮箱
回到顶部