电脑桌面
添加小米粒文库到电脑桌面
安装后可以在桌面快捷访问

光电成像系统VIP免费

光电成像系统_第1页
1/31
光电成像系统_第2页
2/31
光电成像系统_第3页
3/31
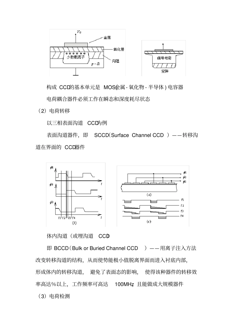
光电成像系统[教学目的]1、掌握CCD的结构和工作原理、光电成像原理、光电成像光学系统;2、了解微光像增强器件和纤维光学成像原理。[教学重点与难点]重点:CCD的结构和工作原理、光电成像原理、光电成像光学系统的组成。难点:CCD的结构和工作原理、调制传递函数的分析。成像转换过程有四个方面的问题需要研究:能量方面——物体、光学系统和接收器的光度学、辐射度学性质,解决能否探测到目标的问题成像特性——能分辨的光信号在空间和时间方面的细致程度,对多光谱成像还包括它的光谱分辨率噪声方面——决定接收到的信号不稳定的程度或可靠性信息传递速率方面(成像特性、噪声——信息传递问题,决定能被传递的信息量大小)物体(信号源)传输介质光学系统(信号分析器)光电摄像器件(信号变换器)显示器人眼光源光信号光信号光信号信号信号背景噪声背景噪声噪声噪声光电成像器件是光电成像系统的核心。§1固体摄像器件固体摄像器件的功能:把入射到传感器光敏面上按空间分布的光强信息(可见光、红外辐射等),转换为按时序串行输出的电信号——视频信号,而视频信号能再现入射的光辐射图像。固体摄像器件主要有三大类:电荷耦合器件(ChargeCoupledDevice,即CCD)互补金属氧化物半导体图像传感器(即CMOS)电荷注入器件(ChargeInjenctionDevice,即CID)一、电荷耦合摄像器件电荷耦合器件(CCD)特点)——以电荷作为信号CCD的基本功能——电荷存储和电荷转移CCD工作过程——信号电荷的产生、存储、传输和检测的过程1.电荷耦合器件的基本原理(1)电荷存储构成CCD的基本单元是MOS(金属-氧化物-半导体)电容器电荷耦合器件必须工作在瞬态和深度耗尽状态(2)电荷转移以三相表面沟道CCD为例表面沟道器件,即SCCD(SurfaceChannelCCD)——转移沟道在界面的CCD器件体内沟道(或埋沟道CCD)即BCCD(BulkorBuriedChannelCCD)——用离子注入方法改变转移沟道的结构,从而使势能极小值脱离界面而进入衬底内部,形成体内的转移沟道,避免了表面态的影响,使得该种器件的转移效率高达%以上,工作频率可高达100MHz,且能做成大规模器件(3)电荷检测浮置扩散输出CCD输出信号的特点是:信号电压是在浮置电平基础上的负电压;每个电荷包的输出占有一定的时间长度T。;在输出信号中叠加有复位期间的高电平脉冲。对CCD的输出信号进行处理时,较多地采用了取样技术,以去除浮置电平、复位高脉冲及抑制噪声。2.电荷耦合摄像器件的工作原理CCD的电荷存储、转移的概念+半导体的光电性质——CCD摄像器件按结构可分为线阵CCD和面阵CCD按光谱可分为可见光CCD、红外CCD、X光CCD和紫外CCD可见光CCD又可分为黑白CCD、彩色CCD和微光CCD(1)线阵CCD线阵CCD可分为双沟道传输与单沟道传输两种结构(2)面阵CCD常见的面阵CCD摄像器件有两种:行间转移结构与帧转移结构。二、电荷耦合摄像器件的特性参数1.转移效率电荷包从一个栅转移到下一个栅时,有部分的电荷转移过去,余下部分没有被转移,称转移损失率。1一个电荷量为oQ的电荷包,经过n次转移后的输出电荷量应为:nonQQ总效率为:nonQQ/2.不均匀度光敏元的不均匀与CCD的不均匀。本节讨论光敏元的不均匀性,认为CCD是近似均匀的,即每次转移的效率是一样的。光敏元响应的不均匀是由于工艺过程及材料不均匀引起的,越是大规模的器件,均匀性问题越是突出,这往往是成品率下降的重要原因。定义光敏元响应的均方根偏差对平均响应的比值为CCD的不均匀度:21)(11oNnonoVVNVNnonoVNV11式中onV为第n个光敏元原始响应的等效电压,oV为平均原始响应等效电压;N为线列CCD的总位数。由于转移损失的存在,CCD的输出信号nV与它所对应的光敏元的原始响应onV并不相等。根据总损失公式,在测得nV后,可求出onV:npnonVV式中P是CCD的相数3.暗电流CCD成像器件在既无光注入又无电注入情况下的输出信号称暗信号,即暗电流。暗电流的根本起因在于耗尽区产生复合中心的热激发。由于工艺过程不完善及材料不均匀等因素的影响,CCD中暗电流密度的分布是不均匀的。暗电流的危害有两个方面:限制器件的低频限、引起固定图像噪声4.灵敏度(响应度)它是指在一定光谱范围内,单位曝光量的...

1、当您付费下载文档后,您只拥有了使用权限,并不意味着购买了版权,文档只能用于自身使用,不得用于其他商业用途(如 [转卖]进行直接盈利或[编辑后售卖]进行间接盈利)。
2、本站所有内容均由合作方或网友上传,本站不对文档的完整性、权威性及其观点立场正确性做任何保证或承诺!文档内容仅供研究参考,付费前请自行鉴别。
3、如文档内容存在违规,或者侵犯商业秘密、侵犯著作权等,请点击“违规举报”。

碎片内容

光电成像系统

您可能关注的文档

确认删除?
VIP
微信客服
  • 扫码咨询
会员Q群
  • 会员专属群点击这里加入QQ群
客服邮箱
回到顶部