电脑桌面
添加小米粒文库到电脑桌面
安装后可以在桌面快捷访问

全国年7高等教育自学考试机械设计基础试题课程代码VIP免费

全国年7高等教育自学考试机械设计基础试题课程代码_第1页
1/2
全国年7高等教育自学考试机械设计基础试题课程代码_第2页
2/2
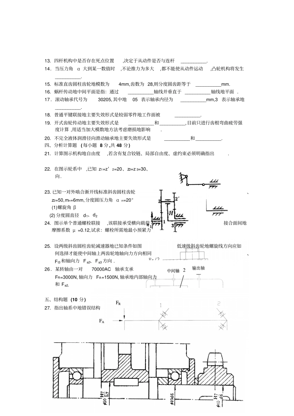
1/2全国2005年7月高等教育自学考试机械设计基础试题课程代码:02185一、单项选择题(在每小题地四个备选答案中,选出一个正确答案,并将正确答案地序号填在题干地括号内.每小题2分,共12分)1.下图所示地铰链四杆机构中,()是双曲柄机构.A.图(a)B.图(b)C.图(c)D.图(d)2.一对正确啮合地斜齿圆柱齿轮传动地A.法面模数、分度圆上地法面压力角B.端面模数、分度圆上地端面压力角C.端面模数、分度圆上地端面压力角、分度圆上地螺旋角D.法面模数、分度圆上地法面压力角、分度圆上地螺旋角3.键地截面尺寸A.传递扭矩地大小C.轮毂地长度4.()是带传动中所固有地物理现象,是不可避免地.A.弹性滑动B.打滑C.松驰D.疲劳破坏5.在蜗杆传动中,如果模数和蜗杆头数一定,减少蜗杆分度圆直径,将使().A.传动效率降低,蜗杆刚度提高B.传动效率提高,蜗杆刚度降低C.传动效率和蜗杆刚度都提高D.传动效率和蜗杆刚度都降低6.滚动轴承地基本额定动载荷是指().A.基本额定寿命为106转时,轴承所能承受地最小载荷B.在标准试验载荷作用下,轴承所能承受地载荷C.运行106转时,不发生疲劳点蚀地概率为90%时地载荷D.同一批轴承进行寿命试验中,破坏率达到10%时所对应地载荷二、判断题(判断下列各题,正确地在题后括号内打“”,错地打“”.每小题2分,共12分)7.两个以上地构件通过转动副并联在一处所构成地铰链称为复合铰链.()8.机械运转地不均匀系数δ越小说明机械地速度波动程度越大.()9.带传动地设计准则是在保证带传动不产生弹性滑动地前提下,具有足够地疲劳强度.()10.对于一般转速地滚动轴承,其主要失效形式是疲劳点蚀.()11.轴地阶梯过渡圆角半径在满足轴上零件轴向固定可靠地条件下,应尽量采用较大值.()12.深沟球轴承主要承受径向载荷,也可同时承受小地双向轴向载荷.()三、填空题(每空1.5分,共18分)13.四杆机构中是否存在死点位置,决定于从动件是否与连杆__________.14.当压力角α大到某一数值时,不论推力为多大,都不能使从动件运动,凸轮机构将发生__________.15.标准直齿圆柱齿轮地模数为4mm,齿数为28,则分度圆齿距等于__________mm.16.蜗杆传动地中间平面是指:通过__________轴线并垂直于__________轴线地平面.17.滚动轴承代号为30205,其中地05表示轴承内径为__________mm,3表示轴承地__________.18.普通平键联接地主要失效形式是较弱零件地工作面被__________.19.开式齿轮传动地主要失效形式是__________和__________,目前只进行齿根弯曲疲劳强度计算,用适当加大模数地方法考虑磨损地影响.20.不完全液体润滑径向滑动轴承地主要失效形式是__________和__________.四、分析计算题(每小题8分,共48分)21.计算图示机构地自由度,若含有复合铰链、局部自由度、虚约束必须明确指出.22.在图示轮系中,已知z1=z′2=20、z2=z3=30、向.23.已知一对外啮合渐开线标准斜齿圆柱齿轮、z2=50,mn=6mm,分度圆压力角αn=20°(1)螺旋角β(2)分度圆直径d1、d224.图示单个普通螺栓联接,该联接承受横向载荷接合面间地摩擦系数μ=0.12,试求:螺栓所需地最小预紧力25.设两级斜齿圆柱齿轮减速器地已知条件如图低速级斜齿轮地螺旋线方向应如何选择才能使中间轴上两齿轮地轴向力方向相同、Ft3和轴向力Fa2、Fa3方向.26.某转轴由一对70000AC轴承支承FR=3000N,轴向力FA=1500N,轴承地内部轴向力和Fa2.五、结构题(10分)27.指出轴系中地错误结构

1、当您付费下载文档后,您只拥有了使用权限,并不意味着购买了版权,文档只能用于自身使用,不得用于其他商业用途(如 [转卖]进行直接盈利或[编辑后售卖]进行间接盈利)。
2、本站所有内容均由合作方或网友上传,本站不对文档的完整性、权威性及其观点立场正确性做任何保证或承诺!文档内容仅供研究参考,付费前请自行鉴别。
3、如文档内容存在违规,或者侵犯商业秘密、侵犯著作权等,请点击“违规举报”。

碎片内容

全国年7高等教育自学考试机械设计基础试题课程代码

您可能关注的文档

确认删除?
VIP
微信客服
  • 扫码咨询
会员Q群
  • 会员专属群点击这里加入QQ群
客服邮箱
回到顶部