电脑桌面
添加小米粒文库到电脑桌面
安装后可以在桌面快捷访问

电工常用电气图形符号(DOC69页)VIP免费

电工常用电气图形符号(DOC69页)_第1页
1/74
电工常用电气图形符号(DOC69页)_第2页
2/74
电工常用电气图形符号(DOC69页)_第3页
3/74
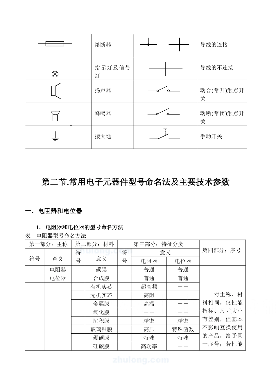
常用电子元器件参考资料部分电气图形符号一.电阻器、电容器、电感器和变压器图形符号名称与说明图形符号名称与说明电阻器一般符号电感器、线圈、绕组或扼流图。注:符号中半圆数不得少于个可变电阻器或可调电阻器带磁芯、铁芯的电感器滑动触点电位器带磁芯连续可调的电感器极性电容双绕组变压器注:可增加绕组数目可变电容器或可调电容器绕组间有屏蔽的双绕组变压器注:可增加绕组数目双联同调可变电容器。注:可增加同调联数在一个绕组上有抽头的变压器微调电容器二.半导体管图形符号名称与说明图形符号名称与说明二极管的符号()()结型场效应管()沟道()沟道发光二极管光电二极管型晶体三极管稳压二极管型晶体三极管变容二极管全波桥式整流器三.其它电气图形符号图形符号名称与说明图形符号名称与说明具有两个电极的压电晶体注:电极数目可增加或接机壳或底板熔断器导线的连接指示灯及信号灯导线的不连接扬声器动合(常开)触点开关蜂鸣器动断(常闭)触点开关接大地手动开关第二节.常用电子元器件型号命名法及主要技术参数一.电阻器和电位器1.电阻器和电位器的型号命名方法表电阻器型号命名方法第一部分:主称第二部分:材料第三部分:特征分类第四部分:序号符号意义符号意义符号意义电阻器电位器电阻器碳膜普通普通对主称、材料相同,仅性能指标、尺寸大小有差别,但基本不影响互换使用的产品,给予同一序号;若性能电位器合成膜普通普通有机实芯超高频――无机实芯高阻――金属膜高温――氧化膜――――沉积膜精密精密玻璃釉膜高压特殊函数硼碳膜特殊特殊硅碳膜高功率――指标、尺寸大小明显影响互换时,则在序号后面用大写字母作为区别代号。线绕可调――压敏――微调光敏――多圈热敏温度补偿用――温度测量用――旁热式――稳压式――正温度系数――示例:(1)精密金属膜电阻器第四部分:序号第三部分:类别(精密)第二部分:材料(金属膜)第一部分:主称(电阻器)()多圈线绕电位器第四部分:序号第三部分:类别(多圈)第二部分:材料(线绕)第一部分:主称(电位器).电阻器的主要技术指标()额定功率电阻器在电路中长时间连续工作不损坏,或不显著改变其性能所允许消耗的最大功率称为电阻器的额定功率。电阻器的额定功率并不是电阻器在电路中工作时一定要消耗的功率,而是电阻器在电路工作中所允许消耗的最大功率。不同类型的电阻具有不同系列的额定功率,如表所示。表电阻器的功率等级名称额定功率()实芯电阻器-线绕电阻器薄膜电阻器()标称阻值阻值是电阻的主要参数之一,不同类型的电阻,阻值范围不同,不同精度的电阻其阻值系列亦不同。根据国家标准,常用的标称电阻值系列如表所示。、和系列也适用于电位器和电容器。表标称值系列标称值系列精度电阻器()、电位器()、电容器标称值()---表中数值再乘以,其中为正整数或负整数。()允许误差等级表电阻的精度等级允许误差()等级符号允许误差()等级符号()()().电阻器的标志内容及方法(1)文字符号直标法:用阿拉伯数字和文字符号两者有规律的组合来表示标称阻值,额定功率、允许误差等级等。符号前面的数字表示整数阻值,后面的数字依次表示第一位小数阻值和第二位小数阻值,其文字符号所表示的单位如表所示。如表示,表示,表5文字符号表示单位欧姆()千欧姆()兆欧姆()千兆欧姆()兆兆欧姆()例如:---允许误差标称阻值()额定功率型号由标号可知,它是精密金属膜电阻器,额定功率为,标称阻值为,允许误差为。(2)色标法:色标法是将电阻器的类别及主要技术参数的数值用颜色(色环或色点)标注在它的外表面上。色标电阻(色环电阻)器可分为三环、四环、五环三种标法。其含义如图和图所示。标称值第一位有效数字标称值第二位有效数字标称值有效数字后的个数允许误差颜色第一位有效值第二位有效值倍率允许偏差黑棕红橙黄绿蓝紫灰白―金银无色图两位有效数字阻值的色环表示法三色环电阻器的色环表示标称电阻值(允许误差均为)。例如,色环为棕黑红,表示=的电阻器。四色环电阻器的色环表示标称值(二位有效数字)及精度。例...

1、当您付费下载文档后,您只拥有了使用权限,并不意味着购买了版权,文档只能用于自身使用,不得用于其他商业用途(如 [转卖]进行直接盈利或[编辑后售卖]进行间接盈利)。
2、本站所有内容均由合作方或网友上传,本站不对文档的完整性、权威性及其观点立场正确性做任何保证或承诺!文档内容仅供研究参考,付费前请自行鉴别。
3、如文档内容存在违规,或者侵犯商业秘密、侵犯著作权等,请点击“违规举报”。

碎片内容

电工常用电气图形符号(DOC69页)

海纳百川+ 关注
实名认证
内容提供者

热爱教学事业,对互联网知识分享很感兴趣

确认删除?
VIP
微信客服
  • 扫码咨询
会员Q群
  • 会员专属群点击这里加入QQ群
客服邮箱
回到顶部