电脑桌面
添加小米粒文库到电脑桌面
安装后可以在桌面快捷访问

05[1].给排水安装VIP免费

05[1].给排水安装_第1页
1/7
05[1].给排水安装_第2页
2/7
05[1].给排水安装_第3页
3/7
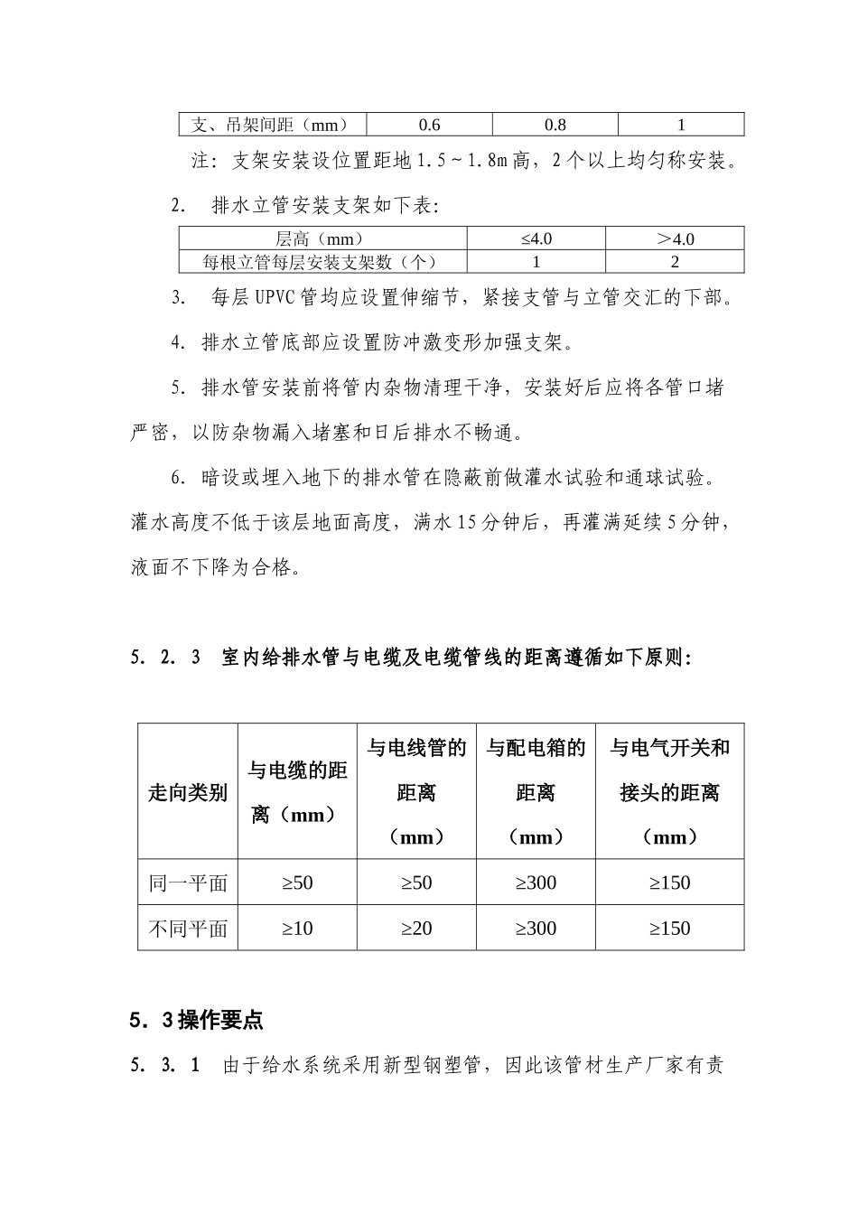
5 给排水安装施工方案本工程项目管道包括室内外给水、排水管道,消火栓系统。给。本工程采用的规范及技术标准:《建筑排水硬聚氯乙烯管施工及验收规程》 CJJ/T29-98《工业金属管道工程施工及验收规范》 GB50235-96《采暖与卫生工程施工及验收规范》 GBJ242-82国家及地方颁发的各类操作规程和《标准图集》5.1 施工工艺5.1.1 室内给水管道安装施工工艺5.2 主要施工方法5.2.1 给水管道主要施工方法1. 安装前按设计规格、型号和质量要求核实检验材料,符合要求后才能领用安装。安装就位前清除管内杂物。阀门安装前从每批(同牌号、同规格型号)数量中抽查 10%,且不少于一个,检查施工准备预留预埋支架制作防腐螺栓埋设支架安装干管支管安装分段试压初步冲洗系统接驳系统冲洗系统冲洗消毒系统调试送水试运行竣工验收压盖、法兰及螺纹是否完整无损。如有破损应提前通知厂家调换,为施工创造条件及时间。2. 根据施工图确定管道的安装位置,并确定支吊架的安装位置和形式预制支吊架,安装顺序先大管、主管、后支管和阀件等。3. 由土建给出标准标高和坐标位置,按确定的管道位置放线,并画出支吊架位置,安装支吊架。支吊架安装前先刷一遍防锈漆。4. 本工程给水钢塑管其系统作法如下:(1)给水钢塑管的安装,除去离转弯及分支 50~100mm 处加设支架外,还应遵循下表:管径DN(mm)202532405063主管(mm)8009001000130016001800横管(mm)600700800100012001400(2)给水管道穿越墙、板时设置套管,并在套管内用软性防火、防水填料填实,对卫生间内的钢套管,钢套管下端与楼板平,上端高出地坪 5cm,在套管与给水管壁间的间隙内用防水油膏嵌实。5.2.2 室内排水管安装方法1. 排水管室内采用 UPVC 管,其排水横管安装间距表如下:管径5075100支、吊架间距(mm)0.60.81注:支架安装设位置距地 1.5~1.8m 高,2 个以上均匀称安装。2. 排水立管安装支架如下表:层高(mm)≤4.0>4.0每根立管每层安装支架数(个)123. 每层 UPVC 管均应设置伸缩节,紧接支管与立管交汇的下部。4.排水立管底部应设置防冲激变形加强支架。5.排水管安装前将管内杂物清理干净,安装好后应将各管口堵严密,以防杂物漏入堵塞和日后排水不畅通。6.暗设或埋入地下的排水管在隐蔽前做灌水试验和通球试验。灌水高度不低于该层地面高度,满水 15 分钟后,再灌满延续 5 分钟,液面不下降为合格。5.2.3 室内给排水管与电缆及电缆管线的距...

1、当您付费下载文档后,您只拥有了使用权限,并不意味着购买了版权,文档只能用于自身使用,不得用于其他商业用途(如 [转卖]进行直接盈利或[编辑后售卖]进行间接盈利)。
2、本站所有内容均由合作方或网友上传,本站不对文档的完整性、权威性及其观点立场正确性做任何保证或承诺!文档内容仅供研究参考,付费前请自行鉴别。
3、如文档内容存在违规,或者侵犯商业秘密、侵犯著作权等,请点击“违规举报”。

碎片内容

05[1].给排水安装

您可能关注的文档

确认删除?
VIP
微信客服
  • 扫码咨询
会员Q群
  • 会员专属群点击这里加入QQ群
客服邮箱
回到顶部