电脑桌面
添加小米粒文库到电脑桌面
安装后可以在桌面快捷访问

中国建筑标准设计研究所工程设计成品复制交付办法VIP免费

中国建筑标准设计研究所工程设计成品复制交付办法_第1页
1/4
中国建筑标准设计研究所工程设计成品复制交付办法_第2页
2/4
中国建筑标准设计研究所工程设计成品复制交付办法_第3页
3/4
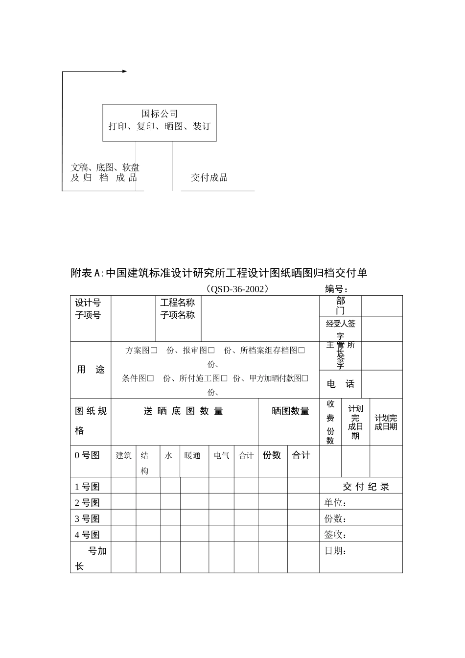
中国建筑标准设计研究所工程设计成品复制交付办法1 目的 通过对设计产品复制(打字、复印、晒图、装订)交付过程的控制,确保复制的质量合格和交付活动满足顾客要求。2 范围 本办法适用于本所承担的工程设计成品。3 职责3.1 设计主持人(设总)负责确定工程设计成品复制交付的份数、交付对象。3.2 本所“北京市国标建筑科技公司”(以下简称:国标公司)负责工程设计成品的复制交付。4程序要求4.1 总工办应在编制和发放的«工程设计各专业设计配合进度表»中规定工程设计项目的提交复制的进度要求。4.2 工程设计主持人(设总)或工种负责人,应对要求复制交付的工程设计成品(方案设计、扩初设计、施工图、加晒图纸)填写《工程设计图纸晒图归档交付单》(见附录 A)、《工程设计文件图纸复制归档交付单》(见附录 B),填明复制份数、装订要求、分发单位、计划完成日期等,将其连同复制的文稿、底图、软盘提交总工办档案组。4.3 所总工办档案组负责对收到的文稿、底图、软盘的签名、图纸编号及其它标识进行检查。要求图面整洁、字迹清晰,无污损水渍,首页及图签各项签署齐全正确,目录的图纸编号与图纸的实际张数相符。经证实其完整性、准确性后,将所需复制的文稿底稿及软盘,送交国标公司。4.4 国标公司应按照的要求,完成文件图纸的打印、复印、晒图、装订、包装,并对是否符合交付使用的要求行检查。4.5 完成复制后,国标公司文稿、底图、软盘连同装订完成的一份成品交档案组归档。将复制装订合格的,交付顾客的成品交设总或工种负责人。设总或工种负责人按规定办理加盖执业专用章、节能设计专用章、图纸报审专用章。4.6 工程设计成品交付前,设总或工种负责人应验证文件图纸的交付份数、图纸张数是否符合《工程设计图纸晒图归档交付单》(见附录 A)、《工程设计文件图纸复制归档交付单》(见附录 B)的要求。工程设计成品的交付,应采用于顾客要求相适应的寄送交付方式。对邮寄的设计成品,应由设总或工种负责人验证收件人,收件地点准确性。4.7 设总或工种负责人应在设计图纸交复后取得接收人的凭证。文件图纸复制归档流程图 用 户总工办 文稿、底图、软盘填写复制归档交付单设总或工种责人加盖印章档 案 组文稿、底图、软盘归 档验 证 文稿、底图、软盘及 归 档 成 品 交付成品附表 A:中国建筑标准设计研究所工程设计图纸晒图归档交付单 (QSD-36-2002) 编号:设计号子项号工程名称子项名称部 门经受...

1、当您付费下载文档后,您只拥有了使用权限,并不意味着购买了版权,文档只能用于自身使用,不得用于其他商业用途(如 [转卖]进行直接盈利或[编辑后售卖]进行间接盈利)。
2、本站所有内容均由合作方或网友上传,本站不对文档的完整性、权威性及其观点立场正确性做任何保证或承诺!文档内容仅供研究参考,付费前请自行鉴别。
3、如文档内容存在违规,或者侵犯商业秘密、侵犯著作权等,请点击“违规举报”。

碎片内容

中国建筑标准设计研究所工程设计成品复制交付办法

您可能关注的文档

确认删除?
VIP
微信客服
  • 扫码咨询
会员Q群
  • 会员专属群点击这里加入QQ群
客服邮箱
回到顶部