电脑桌面
添加小米粒文库到电脑桌面
安装后可以在桌面快捷访问

农村机井工程评定表VIP免费

农村机井工程评定表_第1页
1/10
农村机井工程评定表_第2页
2/10
农村机井工程评定表_第3页
3/10
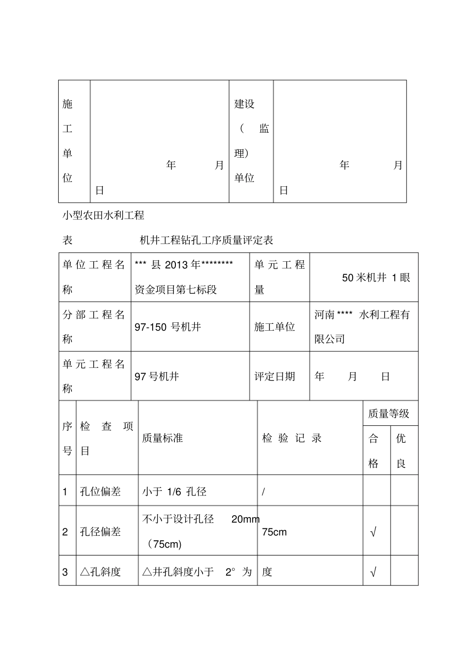
小型农田水利工程表机井单元工程质量评定表单位工程名称*** 县 2013 年********资金项目第七标段单元工程量50 米机井 1 眼分 部 工 程名称97-150 号机井施 工 单位河 南 **** 水 利 工 程有限公司单 元 工 程名称97 号机井评 定 日期年月日项次工 序工 序 质 量 等 级1△钻孔合格2△井管安装合格3滤料填放合格4井台合格5△洗井合格67评定 意 见单元工程质量等级工序质量全部合格,主要工序质量合格 ,工序优良率为 0 %施工单位年月日建设(监理)单位年月日小型农田水利工程表机井工程钻孔工序质量评定表单 位 工 程 名称*** 县 2013 年********资金项目第七标段单 元 工 程量50 米机井 1 眼分 部 工 程 名称97-150 号机井施工单位河南 **** 水利工程有限公司单 元 工 程 名称97 号机井评定日期年月日序号检查项目质量标准检 验 记 录质量等级合格优良1孔位偏差小于 1/6 孔径/2孔径偏差不小于设计孔径20mm(75cm)75cm√3△孔斜度△井孔斜度小于2° 为度√合格,小于 1° 为优良4△孔深不小于设计深度( 50m)√5孔 内 泥 浆比重一般地层~ cm3,易塌地层酌情加大。cm3√评 定 意 见工序质量等级检查项目全部符合质量标准, 主要检查项目质量 合格 ,检查项目优良率为 0 %施工单位年月日建设(监理)单位年月日小型农田水利工程表机井工程井管安装工序质量评定表单 位 工 程 名称*** 县 2013 年********资金项目第七标段单 元 工 程量50 米机井 1 眼分 部 工 程 名称97-150 号机井施工单位河南 **** 水利工程有限公司单 元 工 程 名称97 号机井评定日期年月日序号检 查 项 目质量标准 (d=400mm)检 验 记 录质量等级合格优良1井管外观外型圆直,薄厚均匀,表面无残缺, 滤水管滤水部分孔隙均匀井管圆直, 薄厚均匀,滤水部分孔隙均匀√2△井管强度不小于设计值( C30)C32√3每米弯曲度砼管不得大于 3mm2mm√4井 管 井 口 平面位置直于井管轴线、 砼井管管口平面倾斜度不超过管外径 %√5井 管 内 径 偏差无砂砼管± 8mm,砼管±6mm√6△ 井 管 壁 厚偏差无砂砼管± 5mm,砼管±4mm√7△ 滤 水 管 透水面积满足设计出水要求满足要求√8井管连接接管对正、接直、封闭符合质量标准√严密,接管处强度满足下管安全和成井质量要求9△ 井 管 垂 直度井管垂直度小于1° 为优良,小于 2° 为合格度√10井...

1、当您付费下载文档后,您只拥有了使用权限,并不意味着购买了版权,文档只能用于自身使用,不得用于其他商业用途(如 [转卖]进行直接盈利或[编辑后售卖]进行间接盈利)。
2、本站所有内容均由合作方或网友上传,本站不对文档的完整性、权威性及其观点立场正确性做任何保证或承诺!文档内容仅供研究参考,付费前请自行鉴别。
3、如文档内容存在违规,或者侵犯商业秘密、侵犯著作权等,请点击“违规举报”。

碎片内容

农村机井工程评定表

您可能关注的文档

文库当当响+ 关注
实名认证
内容提供者

该用户很懒,什么也没介绍

确认删除?
VIP
微信客服
  • 扫码咨询
会员Q群
  • 会员专属群点击这里加入QQ群
客服邮箱
回到顶部