电脑桌面
添加小米粒文库到电脑桌面
安装后可以在桌面快捷访问

模板支架验收记录表VIP免费

模板支架验收记录表_第1页
1/18
模板支架验收记录表_第2页
2/18
模板支架验收记录表_第3页
3/18
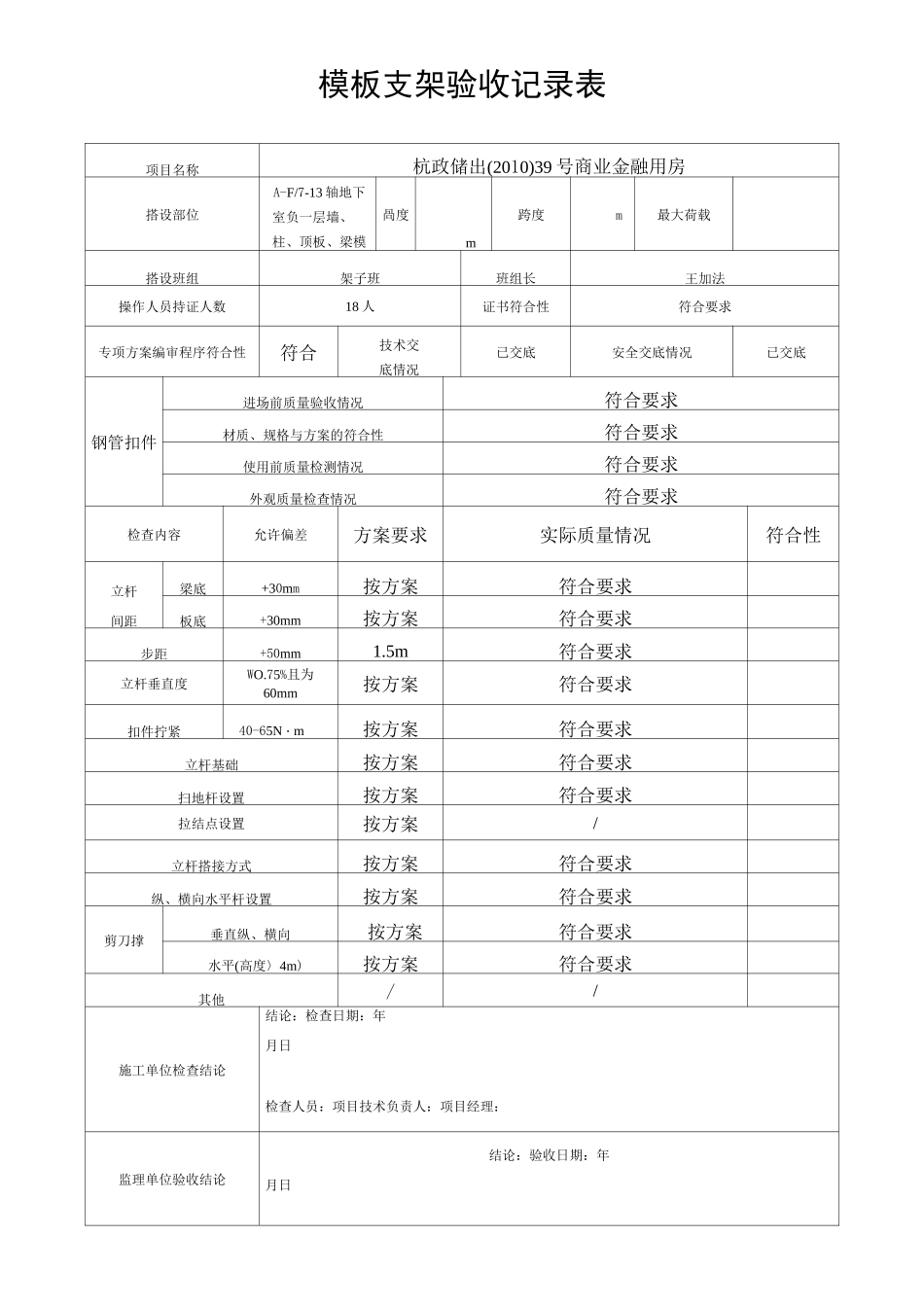
模板支架验收记录表0作者:日期:模板支架验收记录表项目名称杭政储出(2010)39 号商业金融用房搭设部位A-F/7-13 轴地下室负一层墙、柱、顶板、梁模咼度m跨度m最大荷载搭设班组架子班班组长王加法操作人员持证人数18 人证书符合性符合要求专项方案编审程序符合性符合技术交底情况已交底安全交底情况已交底钢管扣件进场前质量验收情况符合要求材质、规格与方案的符合性符合要求使用前质量检测情况符合要求外观质量检查情况符合要求检查内容允许偏差方案要求实际质量情况符合性立杆间距梁底+30mm按方案符合要求板底+30mm按方案符合要求步距+50mm1.5m符合要求立杆垂直度WO.75%且为60mm按方案符合要求扣件拧紧40-65N・m按方案符合要求立杆基础按方案符合要求扫地杆设置按方案符合要求拉结点设置按方案/立杆搭接方式按方案符合要求纵、横向水平杆设置按方案符合要求剪刀撑垂直纵、横向按方案符合要求水平(高度〉4m)按方案符合要求其他//施工单位检查结论结论:检查日期:年月日检查人员:项目技术负责人:项目经理:监理单位验收结论结论:验收日期:年月日专业监理工程师:总监理工程师:(注:模板支架高度大于等于 7m模于板 m的弼收验后须报区记监录备表方可浇筑砼,模板支架高度大于项目名称杭政储出(2010)39 号商业金融用房搭设部位4#楼(A-D/6-15轴)二层柱、四层梁、板、楼梯咼度m跨度0.8-1.0m最大荷载搭设班组架子班班组长王加法操作人员持证人数18 人证书符合性符合要求专项方案编审程序符合性技术交底情况已交底安全交底情况已交底钢管扣件进场前质量验收情况符合要求材质、规格与方案的符合性符合要求使用前质量检测情况符合要求外观质量检查情况符合要求检查内容允许偏差方案要求实际质量情况符合性立杆间距梁底+30mm按方案符合要求板底+3Omm按方案符合要求步距+50mm1.8符合要求立杆垂直度W0.75%且为 60mm按方案符合要求扣件拧紧40—65N・m按方案符合要求立杆基础按方案符合要求扫地杆设置按方案符合要求拉结点设置/按方案/立杆搭接方式按方案符合要求纵、横向水平杆设置按方案符合要求剪刀撑垂直纵、横向按方案符合要求水平(高度〉4m)按方案//符合要求其他//施工单位检查结论结论:检查日期:年月日检查人员:项目技术负责人项目经理:项目名杭政储出(2010)39 号商业金融用房搭设部3b#楼(A-F/20-27 轴)一层柱顶板、梁、楼梯2.3-搭设班架子班组王加操作人员持证人18 人证书符合符合要结论:验收日期:年月日监理单位验收结...

1、当您付费下载文档后,您只拥有了使用权限,并不意味着购买了版权,文档只能用于自身使用,不得用于其他商业用途(如 [转卖]进行直接盈利或[编辑后售卖]进行间接盈利)。
2、本站所有内容均由合作方或网友上传,本站不对文档的完整性、权威性及其观点立场正确性做任何保证或承诺!文档内容仅供研究参考,付费前请自行鉴别。
3、如文档内容存在违规,或者侵犯商业秘密、侵犯著作权等,请点击“违规举报”。

碎片内容

模板支架验收记录表

您可能关注的文档

确认删除?
VIP
微信客服
  • 扫码咨询
会员Q群
  • 会员专属群点击这里加入QQ群
客服邮箱
回到顶部