电脑桌面
添加小米粒文库到电脑桌面
安装后可以在桌面快捷访问

决定标准书的格式及各类标准的内容纲要如例VIP免费

决定标准书的格式及各类标准的内容纲要如例_第1页
1/3
决定标准书的格式及各类标准的内容纲要如例_第2页
2/3
决定标准书的格式及各类标准的内容纲要如例_第3页
3/3
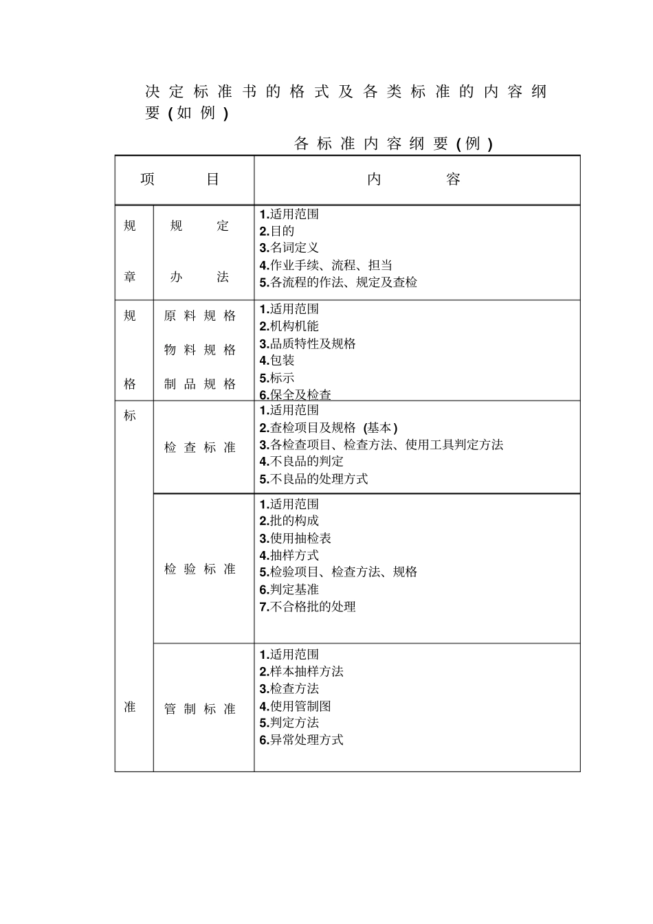
决 定 标 准 书 的 格 式 及 各 类 标 准 的 内 容 纲要 ( 如 例 )各 标 准 内 容 纲 要 ( 例 )项目内容规章规定办法1.适用范围2.目的3.名词定义4.作业手续、流程、担当5.各流程的作法、规定及查检规格原 料 规 格物 料 规 格制 品 规 格1.适用范围2.机构机能3.品质特性及规格4.包装5.标示6.保全及检查标准检 查 标 准1.适用范围2.查检项目及规格 (基本 ) 3.各检查项目、检查方法、使用工具判定方法4.不良品的判定5.不良品的处理方式检 验 标 准1.适用范围2.批的构成3.使用抽检表4.抽样方式5.检验项目、检查方法、规格6.判定基准7.不合格批的处理管 制 标 准1.适用范围2.样本抽样方法3.检查方法4.使用管制图5.判定方法6.异常处理方式准操作作业标准1.适用范围2.作业步骤及使用材料、 设备、治工具 (作业前、中、后) 3.各作业遵守、避免事项4.作业前、中、后的点检、判定方法5.异常处理方式

1、当您付费下载文档后,您只拥有了使用权限,并不意味着购买了版权,文档只能用于自身使用,不得用于其他商业用途(如 [转卖]进行直接盈利或[编辑后售卖]进行间接盈利)。
2、本站所有内容均由合作方或网友上传,本站不对文档的完整性、权威性及其观点立场正确性做任何保证或承诺!文档内容仅供研究参考,付费前请自行鉴别。
3、如文档内容存在违规,或者侵犯商业秘密、侵犯著作权等,请点击“违规举报”。

碎片内容

决定标准书的格式及各类标准的内容纲要如例

确认删除?
VIP
微信客服
  • 扫码咨询
会员Q群
  • 会员专属群点击这里加入QQ群
客服邮箱
回到顶部